DEHNguard modular E (Y)PV SCI 1500

  • Komplet, modulær enhed til brug i solcelleanlæg bestående af en basisdel og et stikbart beskyttelsesmodul
  • Kombineret skille- og kortslutningsanordning med sikker elektrisk isolering i beskyttelsesmodulet (patenteret SCI-princip)
  • Nyt design til sikker brug i solcelleanlæg op til 1500 V
  • Tested efter EN 50539-11
  • Egnet til brug i alle typer solcelleanlæg efter IEC 60364-7-712

Details

Tretrins koblingsanordning (patenteret SCI-principle)
lorem ipsum

DEHNguard ME YPV SCI 1500 (FM)

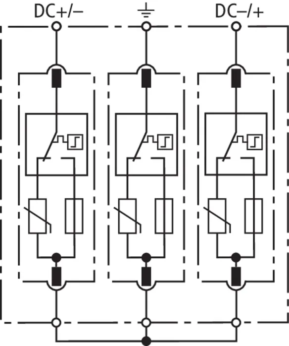
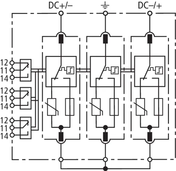
Flerpolet, modulær overspændingsafleder med tretrins DC-koblingsanordning til brug i solcelleanlæg.

2 Products

Part No. 952520 DG ME YPV SCI 1500

GTIN 4013364149069, Customs tariff No. (EU): 85354000, Gross weight: 535.70 g, PU: 1.00 Pakkestørrelse


Images

Additional information

Overspændingsafleder DEHNguard ME YPV SCI 1500
Flerpolet, modulopbygget, stikbar afleder til solcelleanlæg op til 1500 V DC
med jævnstrøms-skifteenhed med tre trin, bredde 4,5TE
Fejlvisning
Type 2 iht. EN 50539-11
Kan anvendes iht. IEC 60364-7-712
Sikker elektrisk adskillelse i beskyttelsesmodul
Maksimal PV-spænding: <= 1500 V DC
Samlet afledningsstødstrøm: 25 kA
Beskyttelsesniveau: <= 6 kV
Kortslutningsbæreevne Iscpv: 10 kA

fabrikat: DEHN
Type: DG ME YPV SCI 1500
artikelnr.: 952520
eller tilsvarende

Certificates

 

SCI-Technology

The patented SCI technology with active arc extinction allows to actively, quickly and safely extinguish a possible switching arc in case of overload. The PV fuse integrated in the short-circuit path trips immediately after the arc has been extinguished, thus ensuring safe electrical isolation (interruption). Consequently, all PV arresters from DEHN combine surge protection, fire protection and personal protection in a single device

Technical data

SPD iht. EN 61643-31 / ... IEC 61643-31 Type 2 / Klasse II
Max. solcellespænding (UCPV ) 1500 V
Kortslutningsbæreevne (ISCPV ) 10 kA
Samlet afledestødstrøm (8/20 µs) (Itotal ) 25 kA
Nominel afledningsstrøm (8/20 µs) [(DC+/DC-) --> PE] (In ) 12,5 kA
Restspænding (UP ) ≤ 6 kV
Godkendelser KEMA, UL

Product 952520 was added to Notepad.

Product 952520 was added to the cart.

Part No. 952525 DG ME YPV SCI1500 FM

GTIN 4013364149076, Customs tariff No. (EU): 85354000, Gross weight: 556.00 g, PU: 1.00 Pakkestørrelse


Images

Additional information

Overspændingsafleder DEHNguard ME YPV SCI 1500 FM
Flerpolet, modulopbygget, stikbar afleder til solcelleanlæg op til 1500 V DC
med jævnstrøms-skifteenhed med tre trin, bredde 4,5TE
Fejlvisning med fjernmeldekontakt
Type 2 iht. EN 50539-11
Kan anvendes iht. IEC 60364-7-712
Sikker elektrisk adskillelse i beskyttelsesmodul
Maksimal PV-spænding: <= 1500 V DC
Samlet afledningsstødstrøm: 25 kA
Beskyttelsesniveau: <= 6 kV
Kortslutningsbæreevne Iscpv: 10 kA

fabrikat: DEHN
Type: DG ME YPV SCI1500 FM
artikelnr.: 952525
eller tilsvarende

Certificates

 

SCI-Technology

The patented SCI technology with active arc extinction allows to actively, quickly and safely extinguish a possible switching arc in case of overload. The PV fuse integrated in the short-circuit path trips immediately after the arc has been extinguished, thus ensuring safe electrical isolation (interruption). Consequently, all PV arresters from DEHN combine surge protection, fire protection and personal protection in a single device

Technical data

SPD iht. EN 61643-31 / ... IEC 61643-31 Type 2 / Klasse II
Max. solcellespænding (UCPV ) 1500 V
Kortslutningsbæreevne (ISCPV ) 10 kA
Samlet afledestødstrøm (8/20 µs) (Itotal ) 25 kA
Nominel afledningsstrøm (8/20 µs) [(DC+/DC-) --> PE] (In ) 12,5 kA
Restspænding (UP ) ≤ 6 kV
Godkendelser KEMA, UL
FM-kontakt / kontaktform Skiftekontakt

Product 952525 was added to Notepad.

Product 952525 was added to the cart.


back to top