DEHNshield

  • Anvendelsesoptimeret og komplet Type 1 + Type 2 gnistgabsbaseret kombiafleder
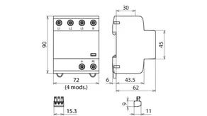
  • Kompakt design med pladsbesparende gnistgabsteknologi med kun 1 modul / pol
  • Opfylder minimumskravet for lynstrømsafledeevne efter IEC 60364-5-53
  • Muliggør kompakt lynbeskyttelses-potentialudligning med apparatbeskyttelse
  • Afledeevne op til 50 kA (10/350 µs)
  • Funktions-/fejlvisning ved grøn/rød markering
  • Høj følgestrømsslukkeevne (Ifi = 25 kAeff)

Details

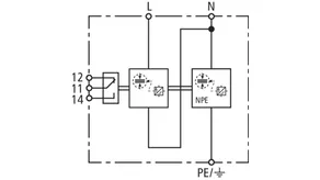
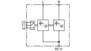
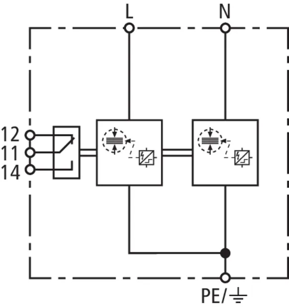
Serieforbindelse vha. lynstrømstestet stiftklemme STAK 25.
lorem ipsum

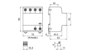
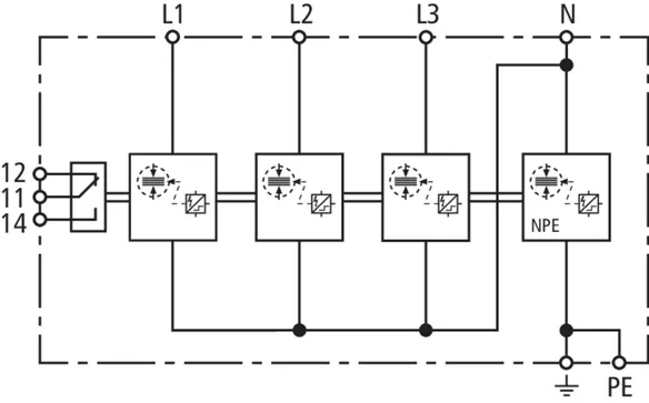
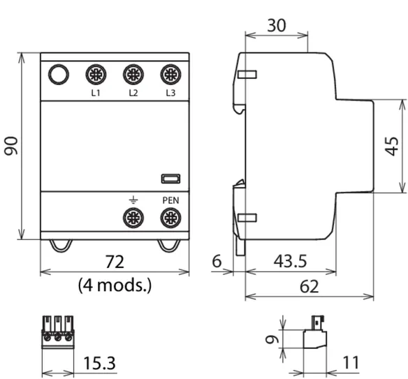
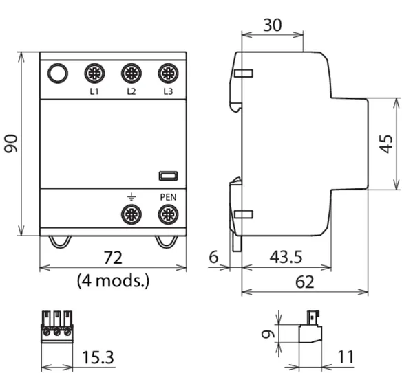
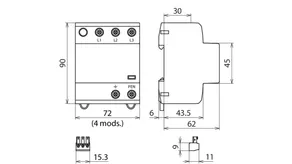
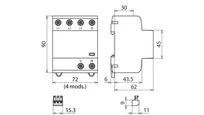
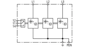
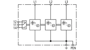
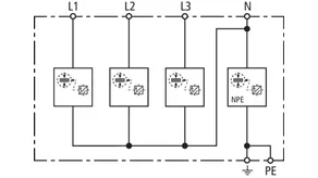
DEHNshield TNC

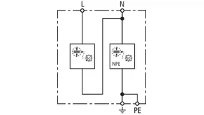
Anvendelsesoptimeret, komplet kombiafleder til TN-C-systemer med 230 / 400 V mærkespænding ("3-0"-kobling).

1 Product

Part No. 941300 DSH TNC 255

GTIN 4013364133556, Customs tariff No. (EU): 85363090, Gross weight: 415.80 g, PU: 1.00 Pakkestørrelse


Images

Additional information



fabrikat: DEHN
Type: DSH TNC 255
artikelnr.: 941300
eller tilsvarende

Certificates

 

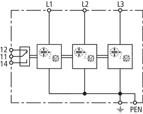
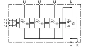
Wave breaker function

In the case of spark-gap-based type 1 arresters, the entire current flows through the type 1 arrester during the discharge process. Like a wave breaker, the incoming energy is greatly broken down, which significantly relieves the downstream SPDs. All type 1 arresters in the Red/Line product range feature the WBF wave breaker function.

Technical data

Afleder efter EN 61643-11 / IEC 61643-11 Type 1 + Type 2 / klasse I + klasse II
Max. driftsspænding AC (UC ) 255 V (50 / 60 Hz)
Lynstødstrøm (10/350 µs) [L1+L2+L3-PEN] (Itotal ) 37,5 kA
Lynstødstrøm (10/350 µs) [L-PEN] (Iimp ) 12,5 kA
Spændingsbeskyttelsesniveau (UP ) ≤ 1,5 kV
Max. overstrømsbeskyttelse på netsiden 160 A gG
Godkendelser KEMA, VDE, UL

Product 941300 was added to Notepad.

Product 941300 was added to the cart.


DEHNshield TNC FM

Anvendelsesoptimeret og komplet kombiafleder til TN-C-systemer med 230 / 400 V mærkespænding ("3-0"-kobling); med fjernmeldekontakt til fjernovervågning (potentialfri skiftekontakt).

1 Product

Part No. 941305 DSH TNC 255 FM

GTIN 4013364275317, Customs tariff No. (EU): 85363090, Gross weight: 420.60 g, PU: 1.00 Pakkestørrelse


Images

Additional information



fabrikat: DEHN
Type: DSH TNC 255 FM
artikelnr.: 941305
eller tilsvarende

Certificates

 

Wave breaker function

In the case of spark-gap-based type 1 arresters, the entire current flows through the type 1 arrester during the discharge process. Like a wave breaker, the incoming energy is greatly broken down, which significantly relieves the downstream SPDs. All type 1 arresters in the Red/Line product range feature the WBF wave breaker function.

Technical data

Afleder efter EN 61643-11 / IEC 61643-11 Type 1 + Type 2 / klasse I + klasse II
Max. driftsspænding AC (UC ) 255 V (50 / 60 Hz)
Lynstødstrøm (10/350 µs) [L1+L2+L3-PEN] (Itotal ) 37,5 kA
Lynstødstrøm (10/350 µs) [L-PEN] (Iimp ) 12,5 kA
Spændingsbeskyttelsesniveau (UP ) ≤ 1,5 kV
Max. overstrømsbeskyttelse på netsiden 160 A gG
Godkendelser KEMA, VDE
FM-kontakt / kontaktform Skiftekontakt

Product 941305 was added to Notepad.

Product 941305 was added to the cart.


DEHNshield TNC Basic FM

Anvendelsesoptimeret og komplet kombiafleder til TN-C-systemer til indsats i hovedstrømsforsyninger (3+0-kobling) i boliger eller ydre lynbeskyttelse (også ved luftledninger); med fjernmeldekontakt til fjernovervågning (potentialfri skiftekontakt).

1 Product

Part No. 941306 DSH B TNC 255 FM

GTIN 4013364328068, Customs tariff No. (EU): 85363090, Gross weight: 422.00 g, PU: 1.00 Pakkestørrelse


Images

Additional information



fabrikat: DEHN
Type: DSH B TNC 255 FM
artikelnr.: 941306
eller tilsvarende

Certificates

 

Wave breaker function

In the case of spark-gap-based type 1 arresters, the entire current flows through the type 1 arrester during the discharge process. Like a wave breaker, the incoming energy is greatly broken down, which significantly relieves the downstream SPDs. All type 1 arresters in the Red/Line product range feature the WBF wave breaker function.

Technical data

Afleder efter EN 61643-11 / IEC 61643-11 Type 1 + Type 2 / klasse I + klasse II
Max. driftsspænding AC (UC ) 255 V (50 / 60 Hz)
Lynstødstrøm (10/350 µs) [L1+L2+L3-PEN] (Itotal ) 22,5 kA
Lynstødstrøm (10/350 µs) [L-PEN] (Iimp ) 7,5 kA
Spændingsbeskyttelsesniveau (UP ) ≤ 1,5 kV
Max. overstrømsbeskyttelse på netsiden 160 A gG
Godkendelser VDE
FM-kontakt / kontaktform Skiftekontakt

Product 941306 was added to Notepad.

Product 941306 was added to the cart.


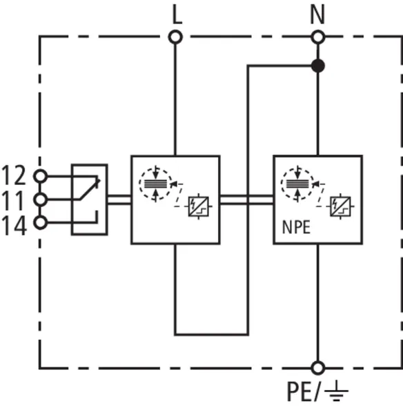
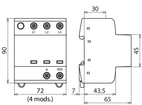
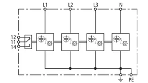
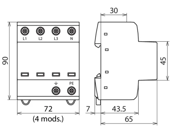
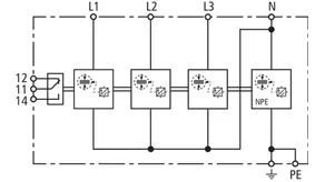
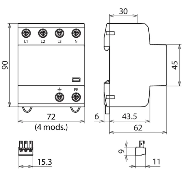
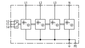
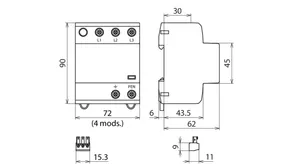
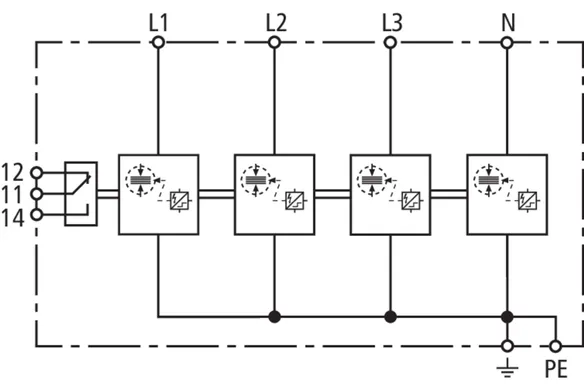
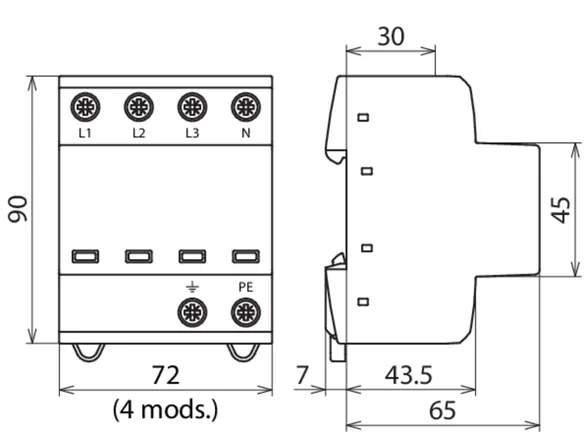
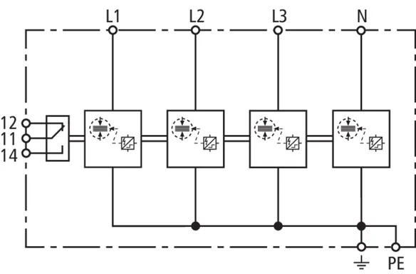
DEHNshield TNS

Anvendelsesoptimeret og komplet kombiafleder til TN-S-systemer med 230 / 400 V mærkespænding ("4-0"-kobling).

1 Product

Part No. 941400 DSH TNS 255

GTIN 4013364133563, Customs tariff No. (EU): 85363090, Gross weight: 555.00 g, PU: 1.00 Pakkestørrelse


Images

Additional information



fabrikat: DEHN
Type: DSH TNS 255
artikelnr.: 941400
eller tilsvarende

Certificates

 

Wave breaker function

In the case of spark-gap-based type 1 arresters, the entire current flows through the type 1 arrester during the discharge process. Like a wave breaker, the incoming energy is greatly broken down, which significantly relieves the downstream SPDs. All type 1 arresters in the Red/Line product range feature the WBF wave breaker function.

Technical data

Afleder efter EN 61643-11 / IEC 61643-11 Type 1 + Type 2 / klasse I + klasse II
Max. driftsspænding AC (UC ) 255 V (50 / 60 Hz)
Lynstødstrøm (10/350 µs) [L1+L2+L3+N-PE] (Itotal ) 50 kA
Lynstødstrøm (10/350 µs) [L, N-PE] (Iimp ) 12,5 kA
Spændingsbeskyttelsesniveau [L-PE]/[N-PE] (UP ) ≤ 1,5 / ≤ 1,5 kV
Max. overstrømsbeskyttelse på netsiden 160 A gG
Godkendelser KEMA, VDE, UL

Product 941400 was added to Notepad.

Product 941400 was added to the cart.


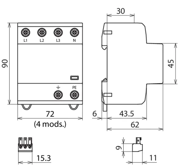
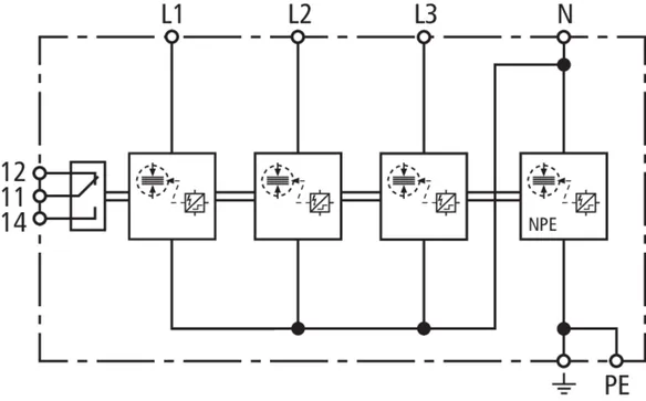
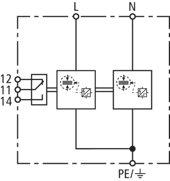
DEHNshield TNS FM

Anvendelsesoptimeret og komplet kombiafleder til TN-S-systemer med 230 / 400 V mærkespænding ("4-0"-kobling); med fjernmeldekontakt til fjernovervågning (potentialfri skiftekontakt).

1 Product

Part No. 941405 DSH TNS 255 FM

GTIN 4013364275331, Customs tariff No. (EU): 85363090, Gross weight: 488.30 g, PU: 1.00 Pakkestørrelse


Images

Additional information

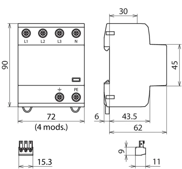
Kombiafleder DEHNshield TNS 255 FM
Firepolet kombiafleder til 230/400 V- TN(C)-S-systemer,
bredde 4TE, med fjernmeldekontakt
Afleder type 1 + type 2 iht. EN 61643-11
Anvendelsesoptimeret brug i kompakte elinstallationer
Gnistgabsbaseret teknologi med følgestrømsbegrænsning
Fejlvisning
Maks. driftsspænding 255 V AC
Beskyttelsesniveau: <= 1,5 kV
Lynimpulsstrøm (10/350): 50 kA
Energetisk koordination iht. DIN EN 62305-4
Afleder i Red/Line-serien, samt direkte til terminal

fabrikat: DEHN
Type: DSH TNS 255 FM
artikelnr.: 941405
eller tilsvarende

Certificates

 

Wave breaker function

In the case of spark-gap-based type 1 arresters, the entire current flows through the type 1 arrester during the discharge process. Like a wave breaker, the incoming energy is greatly broken down, which significantly relieves the downstream SPDs. All type 1 arresters in the Red/Line product range feature the WBF wave breaker function.

Technical data

Afleder efter EN 61643-11 / IEC 61643-11 Type 1 + Type 2 / klasse I + klasse II
Max. driftsspænding AC (UC ) 255 V (50 / 60 Hz)
Lynstødstrøm (10/350 µs) [L1+L2+L3+N-PE] (Itotal ) 50 kA
Lynstødstrøm (10/350 µs) [L, N-PE] (Iimp ) 12,5 kA
Spændingsbeskyttelsesniveau [L-PE]/[N-PE] (UP ) ≤ 1,5 / ≤ 1,5 kV
Max. overstrømsbeskyttelse på netsiden 160 A gG
Godkendelser KEMA, VDE
FM-kontakt / kontaktform Skiftekontakt

Product 941405 was added to Notepad.

Product 941405 was added to the cart.


DEHNshield TNS Basic FM

Anvendelsesoptimeret og komplet kombiafleder til TN-S-systemer til indsats i hovedstrømsforsyninger (4+0-kobling) i boliger eller ydre lynbeskyttelse (også ved luftledninger); med fjernmeldekontakt til fjernovervågning (potentialfri skiftekontakt).

1 Product

Part No. 941406 DSH B TNS 255 FM

GTIN 4013364328082, Customs tariff No. (EU): 85363090, Gross weight: 489.00 g, PU: 1.00 Pakkestørrelse


Images

Additional information

Kombiafleder DEHNshield B TNS 255 FM
Firepolet kombiafleder til 230/400 V- TN(C)-S-systemer,
bredde 4TE, med fjernmeldekontakt
Afleder type 1 + type 2 iht. EN 61643-11
Opfylder alle krav i DIN VDE 0100-534 og DIN VDE 0100-443.
Gnistgabsbaseret teknologi med følgestrømsbegrænsning
Fejlvisning
Maks. driftsspænding 255 V AC
Beskyttelsesniveau: <= 1,5 kV
Lynimpulsstrøm (10/350): 30 kA
Energetisk koordination iht. DIN EN 62305-4
Afleder i Red/Line-serien, samt direkte til terminal

fabrikat: DEHN
Type: DSH B TNS 255 FM
artikelnr.: 941406
eller tilsvarende

Certificates

 

Wave breaker function

In the case of spark-gap-based type 1 arresters, the entire current flows through the type 1 arrester during the discharge process. Like a wave breaker, the incoming energy is greatly broken down, which significantly relieves the downstream SPDs. All type 1 arresters in the Red/Line product range feature the WBF wave breaker function.

Technical data

Afleder efter EN 61643-11 / IEC 61643-11 Type 1 + Type 2 / klasse I + klasse II
Max. driftsspænding AC (UC ) 255 V (50 / 60 Hz)
Lynstødstrøm (10/350 µs) [L1+L2+L3+N-PE] (Itotal ) 30 kA
Lynstødstrøm (10/350 µs) [L, N-PE] (Iimp ) 7,5 kA
Spændingsbeskyttelsesniveau [L-PE]/[N-PE] (UP ) ≤ 1,5 / ≤ 1,5 kV
Max. overstrømsbeskyttelse på netsiden 160 A gG
Godkendelser VDE
FM-kontakt / kontaktform Skiftekontakt

Product 941406 was added to Notepad.

Product 941406 was added to the cart.


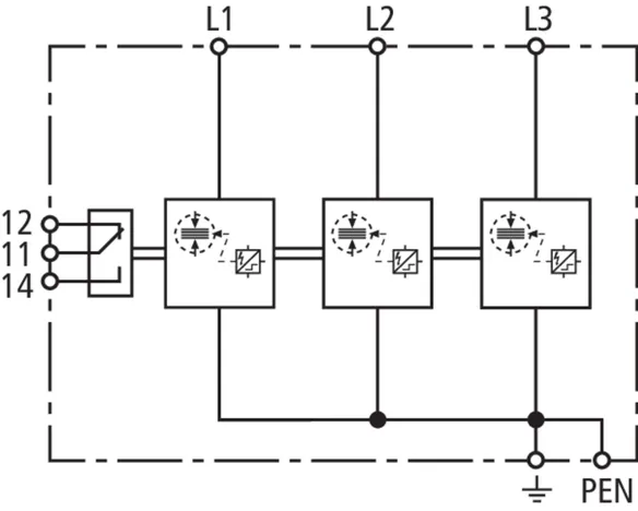
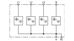
DEHNshield TT

Anvendelsesoptimeret og komplet kombiafleder til TT- og TN-S-systemer med 230 / 400 V mærkespænding ("3+1"-kobling).

1 Product

Part No. 941310 DSH TT 255

GTIN 4013364131798, Customs tariff No. (EU): 85363090, Gross weight: 509.90 g, PU: 1.00 Pakkestørrelse


Images

Additional information

Kombiafleder DEHNshield TT 255
Firepolet kombiafleder til 230/400 V- TT- og TN (C) -S-systemer,
bredde 4TE
Afleder type 1 + type 2 iht. EN 61643-11
Anvendelsesoptimeret brug i kompakte elinstallationer
Gnistgabsbaseret teknologi med følgestrømsbegrænsning
Fejlvisning
Maks. driftsspænding 255 V AC
Beskyttelsesniveau: <= 1,5 kV
Lynimpulsstrøm (10/350): 50 kA
Energetisk koordination iht. DIN EN 62305-4
Afleder i Red/Line-serien, samt direkte til terminal

fabrikat: DEHN
Type: DSH TT 255
artikelnr.: 941310
eller tilsvarende

Certificates

 

Wave breaker function

In the case of spark-gap-based type 1 arresters, the entire current flows through the type 1 arrester during the discharge process. Like a wave breaker, the incoming energy is greatly broken down, which significantly relieves the downstream SPDs. All type 1 arresters in the Red/Line product range feature the WBF wave breaker function.

Technical data

Afleder efter EN 61643-11 / IEC 61643-11 Type 1 + Type 2 / klasse I + klasse II
Max. driftsspænding AC (UC ) 255 V (50 / 60 Hz)
Lynstødstrøm (10/350 µs) [L1+L2+L3+N-PE] (Itotal ) 50 kA
Lynstødstrøm (10/350 µs) [L-N]/[N-PE] (Iimp ) 12,5 / 50 kA
Spændingsbeskyttelsesniveau [L-N]/[N-PE] (UP ) ≤ 1,5 / ≤ 1,5 kV
Max. overstrømsbeskyttelse på netsiden 160 A gG
Godkendelser KEMA, VDE, UL
Udvidede tekniske data: ---------------------------------
Restspænding [L-PE] (UP ) 2,0 kV

Product 941310 was added to Notepad.

Product 941310 was added to the cart.


DEHNshield TT FM

Anvendelsesoptimeret og komplet kombiafleder til TT- og TN-S-systemer med 230 / 400 V mærkespænding ("3+1"-kobling); med fjernmeldekontakt til fjernovervågning (potentialfri skiftekontakt).

1 Product

Part No. 941315 DSH TT 255 FM

GTIN 4013364275324, Customs tariff No. (EU): 85363090, Gross weight: 508.80 g, PU: 1.00 Pakkestørrelse


Images

Additional information

Kombiafleder DEHNshield TT 255 FM
Firepolet kombiafleder til 230/400 V- TT- og TN (C) -S-systemer,
bredde 4 TE, med fjernmeldekontakt
Afleder type 1 + type 2 iht. EN 61643-11
Anvendelsesoptimeret brug i kompakte elinstallationer
Gnistgabsbaseret teknologi med følgestrømsbegrænsning
Fejlvisning
Maks. driftsspænding 255 V AC
Beskyttelsesniveau: <= 1,5 kV
Lynimpulsstrøm (10/350): 50 kA
Energetisk koordination iht. DIN EN 62305-4
Afleder i Red/Line-serien, samt direkte til terminal

fabrikat: DEHN
Type: DSH TT 255 FM
artikelnr.: 941315
eller tilsvarende

Certificates

 

Wave breaker function

In the case of spark-gap-based type 1 arresters, the entire current flows through the type 1 arrester during the discharge process. Like a wave breaker, the incoming energy is greatly broken down, which significantly relieves the downstream SPDs. All type 1 arresters in the Red/Line product range feature the WBF wave breaker function.

Technical data

Afleder efter EN 61643-11 / IEC 61643-11 Type 1 + Type 2 / klasse I + klasse II
Max. driftsspænding AC (UC ) 255 V (50 / 60 Hz)
Lynstødstrøm (10/350 µs) [L1+L2+L3+N-PE] (Itotal ) 50 kA
Lynstødstrøm (10/350 µs) [L-N]/[N-PE] (Iimp ) 12,5 / 50 kA
Spændingsbeskyttelsesniveau [L-N]/[N-PE] (UP ) ≤ 1,5 / ≤ 1,5 kV
Max. overstrømsbeskyttelse på netsiden 160 A gG
Godkendelser KEMA, VDE
FM-kontakt / kontaktform Skiftekontakt
Udvidede tekniske data: ---------------------------------
Restspænding [L-PE] (UP ) 2,0 kV

Product 941315 was added to Notepad.

Product 941315 was added to the cart.


DEHNshield TT Basic FM

Anvendelsesoptimeret og komplet kombiafleder til TT- og TN-S-systemer til brug i hovedstrømsforsyninger (3+1-kobling) i beboelsesejendomme uden udvendig lynbeskyttelse (også ved luftledninger). Med potentialfri fjernmeldekontakt.

1 Product

Part No. 941316 DSH B TT 255 FM

GTIN 4013364328075, Customs tariff No. (EU): 85363090, Gross weight: 510.00 g, PU: 1.00 Pakkestørrelse


Images

Additional information

Kombiafleder DEHNshield B TT 255 FM
Firepolet kombiafleder til 230/400 V- TT-
og TN (C) -S-systemer,
bredde 4 TE, med fjernmeldekontakt
Afleder type 1 + type 2 iht. EN 61643-11
Opfylder alle krav i DIN VDE 0100-534 og DIN VDE 0100-443.
Gnistgabsbaseret teknologi med følgestrømsbegrænsning
Fejlvisning
Maks. driftsspænding 255 V AC
Beskyttelsesniveau: <= 1,5 kV
Lynimpulsstrøm (10/350): 30 kA
Energetisk koordination iht. DIN EN 62305-4
Afleder i Red/Line-serien, samt direkte til terminal

fabrikat: DEHN
Type: DSH B TT 255 FM
artikelnr.: 941316
eller tilsvarende

Certificates

 

Wave breaker function

In the case of spark-gap-based type 1 arresters, the entire current flows through the type 1 arrester during the discharge process. Like a wave breaker, the incoming energy is greatly broken down, which significantly relieves the downstream SPDs. All type 1 arresters in the Red/Line product range feature the WBF wave breaker function.

Technical data

Afleder efter EN 61643-11 / IEC 61643-11 Type 1 + Type 2 / klasse I + klasse II
Max. driftsspænding AC (UC ) 255 V (50 / 60 Hz)
Lynstødstrøm (10/350 µs) [L1+L2+L3+N-PE] (Itotal ) 30 kA
Lynstødstrøm (10/350 µs) [L-N]/[N-PE] (Iimp ) 7,5 / 30 kA
Spændingsbeskyttelsesniveau [L-N]/[N-PE] (UP ) ≤ 1,5 / ≤ 1,5 kV
Max. overstrømsbeskyttelse på netsiden 160 A gG
Godkendelser VDE
FM-kontakt / kontaktform Skiftekontakt
Udvidede tekniske data: ---------------------------------
Restspænding [L-PE] (UP ) 2,0 kV

Product 941316 was added to Notepad.

Product 941316 was added to the cart.


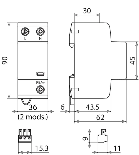
DEHNshield TN

Anvendelsesoptimeret og komplet kombiafleder til 1-fasede TN-systemer med 230 V mærkespænding ("2-0"-kobling).

1 Product

Part No. 941200 DSH TN 255

GTIN 4013364138209, Customs tariff No. (EU): 85363090, Gross weight: 266.00 g, PU: 1.00 Pakkestørrelse


Images

Additional information

Kombiafleder DEHNshield TN 255
Topolet kombiafleder til 230/400 V- TN-systemer, bredde 2TE
Afleder type 1 + type 2 iht. EN 61643-11
Anvendelsesoptimeret brug i kompakte elinstallationer
Gnistgabsbaseret teknologi med følgestrømsbegrænsning
Fejlvisning
Maks. driftsspænding 255 V AC
Beskyttelsesniveau: <= 1,5 kV
Lynimpulsstrøm (10/350): 25 kA
Energetisk koordination iht. DIN EN 62305-4
Afleder i Red/Line-serien, samt direkte til terminal

fabrikat: DEHN
Type: DSH TN 255
artikelnr.: 941200
eller tilsvarende

Certificates

 

Wave breaker function

In the case of spark-gap-based type 1 arresters, the entire current flows through the type 1 arrester during the discharge process. Like a wave breaker, the incoming energy is greatly broken down, which significantly relieves the downstream SPDs. All type 1 arresters in the Red/Line product range feature the WBF wave breaker function.

Technical data

Afleder efter EN 61643-11 / IEC 61643-11 Type 1 + Type 2 / klasse I + klasse II
Max. driftsspænding AC (UC ) 255 V (50 / 60 Hz)
Lynstødstrøm (10/350 µs) [L+N-PE] (Itotal ) 25 kA
Lynstødstrøm (10/350 µs) [L, N-PE] (Iimp ) 12,5 kA
Spændingsbeskyttelsesniveau [L-PE]/[N-PE] (UP ) ≤ 1,5 /≤ 1,5 kV
Max. overstrømsbeskyttelse på netsiden 160 A gG
Godkendelser KEMA, VDE, UL

Product 941200 was added to Notepad.

Product 941200 was added to the cart.


DEHNshield TN FM

Anvendelsesoptimeret og komplet kombiafleder til 1-fasede TN-systemer med 230 V mærkespænding ("2-0"-kobling); med fjernmeldekontakt til fjernovervågning (potentialfri skiftekontakt).

1 Product

Part No. 941205 DSH TN 255 FM

GTIN 4013364289185, Customs tariff No. (EU): 85363090, Gross weight: 276.00 g, PU: 1.00 Pakkestørrelse


Images

Additional information

Kombiafleder DEHNshield TN 255 FM
Topolet kombiafleder til 230/400 V- TN-systemer,
bredde 2 TE, med fjernmeldekontakt
Afleder type 1 + type 2 iht. EN 61643-11
Anvendelsesoptimeret brug i kompakte elinstallationer
Gnistgabsbaseret teknologi med følgestrømsbegrænsning
Fejlvisning
Maks. driftsspænding 255 V AC
Beskyttelsesniveau: <= 1,5 kV
Lynimpulsstrøm (10/350): 25 kA
Energetisk koordination iht. DIN EN 62305-4
Afleder i Red/Line-serien, samt direkte til terminal

fabrikat: DEHN
Type: DSH TN 255 FM
artikelnr.: 941205
eller tilsvarende

Certificates

 

Wave breaker function

In the case of spark-gap-based type 1 arresters, the entire current flows through the type 1 arrester during the discharge process. Like a wave breaker, the incoming energy is greatly broken down, which significantly relieves the downstream SPDs. All type 1 arresters in the Red/Line product range feature the WBF wave breaker function.

Technical data

Afleder efter EN 61643-11 / IEC 61643-11 Type 1 + Type 2 / klasse I + klasse II
Max. driftsspænding AC (UC ) 255 V (50 / 60 Hz)
Lynstødstrøm (10/350 µs) [L+N-PE] (Itotal ) 25 kA
Lynstødstrøm (10/350 µs) [L, N-PE] (Iimp ) 12,5 kA
Spændingsbeskyttelsesniveau [L-PE]/[N-PE] (UP ) ≤ 1,5 / ≤ 1,5 kV
Max. overstrømsbeskyttelse på netsiden 160 A gG
Godkendelser KEMA, VDE
FM-kontakt / kontaktform Skiftekontakt

Product 941205 was added to Notepad.

Product 941205 was added to the cart.


DEHNshield TN Basic FM

Anvendelsesoptimeret og komplet kombiafleder til TN-C-systemer til indsats i hovedstrømsforsyninger (2+0-kobling) i boliger eller ydre lynbeskyttelse (også ved luftledninger); med fjernmeldekontakt til fjernovervågning (potentialfri skiftekontakt).

1 Product

Part No. 941206 DSH B TN 255 FM

GTIN 4013364373839, Customs tariff No. (EU): 85363090, Gross weight: 276.00 g, PU: 1.00 Pakkestørrelse


Images

Additional information



fabrikat: DEHN
Type: DSH B TN 255 FM
artikelnr.: 941206
eller tilsvarende

Certificates

 

Wave breaker function

In the case of spark-gap-based type 1 arresters, the entire current flows through the type 1 arrester during the discharge process. Like a wave breaker, the incoming energy is greatly broken down, which significantly relieves the downstream SPDs. All type 1 arresters in the Red/Line product range feature the WBF wave breaker function.

Technical data

Afleder efter EN 61643-11 / IEC 61643-11 Type 1 + Type 2 / klasse I + klasse II
Max. driftsspænding AC (UC ) 255 V (50 / 60 Hz)
Lynstødstrøm (10/350 µs) [L+N-PE] (Itotal ) 15 kA
Lynstødstrøm (10/350 µs) [L, N-PE] (Iimp ) 7,5 kA
Spændingsbeskyttelsesniveau [L-PE]/[N-PE] (UP ) ≤ 1,5 / ≤ 1,5 kV
Max. overstrømsbeskyttelse på netsiden 160 A gG
FM-kontakt / kontaktform Skiftekontakt

Product 941206 was added to Notepad.

Product 941206 was added to the cart.


DEHNshield TT 2P

Anvendelsesoptimeret og komplet kombiafleder til 1-fasede TT- og TN-systemer med 230 V mærkespænding ("1+1"-kobling).

1 Product

Part No. 941110 DSH TT 2P 255

GTIN 4013364137899, Customs tariff No. (EU): 85363090, Gross weight: 291.00 g, PU: 1.00 Pakkestørrelse


Images

Additional information

Kombiafleder DEHNshield TT 2P 255
Topolet kombiafleder til 230/400 V- TT-systemer, bredde 2TE
Afleder type 1 + type 2 iht. EN 61643-11
Anvendelsesoptimeret brug i kompakte elinstallationer
Gnistgabsbaseret teknologi med følgestrømsbegrænsning
Fejlvisning
Maks. driftsspænding 255 V AC
Beskyttelsesniveau: <= 1,5 kV
Lynimpulsstrøm (10/350): 25 kA
Energetisk koordination iht. DIN EN 62305-4
Afleder i Red/Line-serien, samt direkte til terminal

fabrikat: DEHN
Type: DSH TT 2P 255
artikelnr.: 941110
eller tilsvarende

Certificates

 

Wave breaker function

In the case of spark-gap-based type 1 arresters, the entire current flows through the type 1 arrester during the discharge process. Like a wave breaker, the incoming energy is greatly broken down, which significantly relieves the downstream SPDs. All type 1 arresters in the Red/Line product range feature the WBF wave breaker function.

Technical data

Afleder efter EN 61643-11 / IEC 61643-11 Type 1 + Type 2 / klasse I + klasse II
Max. driftsspænding AC (UC ) 255 V (50 / 60 Hz)
Lynstødstrøm (10/350 µs) [L+N-PE] (Itotal ) 25 kA
Lynstødstrøm (10/350 µs) [L-N]/[N-PE] (Iimp ) 12,5 / 25 kA
Spændingsbeskyttelsesniveau [L-N]/[N-PE] (UP ) ≤ 1,5 / ≤ 1,5 kV
Max. overstrømsbeskyttelse på netsiden 160 A gG
Godkendelser KEMA, VDE, UL
Udvidede tekniske data: ---------------------------------
Restspænding [L-PE] (UP ) 2,0 kV

Product 941110 was added to Notepad.

Product 941110 was added to the cart.


DEHNshield TT 2P FM

Anvendelsesoptimeret og komplet kombiafleder til 1-fasede TT- og TN-systemer med 230 V mærkespænding ("1+1"-kobling); med fjernmeldekontakt til fjernovervågning (potentialfri skiftekontakt).

1 Product

Part No. 941115 DSH TT 2P 255 FM

GTIN 4013364289208, Customs tariff No. (EU): 85363090, Gross weight: 301.00 g, PU: 1.00 Pakkestørrelse


Images

Additional information

Kombiafleder DEHNshield TT 2P 255 FM
Topolet kombiafleder til 230/400 V- TT-systemer
Afleder type 1 + type 2 iht. EN 61643-11
Bredde 2 TE, med fjernmeldekontakt
Anvendelsesoptimeret brug i kompakte elinstallationer
Gnistgabsbaseret teknologi med følgestrømsbegrænsning
Fejlvisning
Maks. driftsspænding 255 V AC
Beskyttelsesniveau: <= 1,5 kV
Lynimpulsstrøm (10/350): 25 kA
Energetisk koordination iht. DIN EN 62305-4
Afleder i Red/Line-serien, samt direkte til terminal

fabrikat: DEHN
Type: DSH TT 2P 255 FM
artikelnr.: 941115
eller tilsvarende

Certificates

 

Wave breaker function

In the case of spark-gap-based type 1 arresters, the entire current flows through the type 1 arrester during the discharge process. Like a wave breaker, the incoming energy is greatly broken down, which significantly relieves the downstream SPDs. All type 1 arresters in the Red/Line product range feature the WBF wave breaker function.

Technical data

Afleder efter EN 61643-11 / IEC 61643-11 Type 1 + Type 2 / klasse I + klasse II
Max. driftsspænding AC (UC ) 255 V (50 / 60 Hz)
Lynstødstrøm (10/350 µs) [L+N-PE] (Itotal ) 25 kA
Lynstødstrøm (10/350 µs) [L-N]/[N-PE] (Iimp ) 12,5 / 25 kA
Spændingsbeskyttelsesniveau [L-N]/[N-PE] (UP ) ≤ 1,5 / ≤ 1,5 kV
Max. overstrømsbeskyttelse på netsiden 160 A gG
Godkendelser KEMA, VDE
FM-kontakt / kontaktform skiftekontakt
Udvidede tekniske data: ---------------------------------
Restspænding [L-PE] (UP ) 2,0 kV

Product 941115 was added to Notepad.

Product 941115 was added to the cart.


DEHNshield TT 2P Basic FM

Anvendelsesoptimeret og komplet kombiafleder til TN-C-systemer til indsats i hovedstrømsforsyninger (1+1-kobling) i boliger eller ydre lynbeskyttelse (også ved luftledninger); med fjernmeldekontakt til fjernovervågning (potentialfri skiftekontakt).

1 Product

Part No. 941116 DSH B TT 2P 255 FM

GTIN 4013364373235, Customs tariff No. (EU): 85363090, Gross weight: 301.00 g, PU: 1.00 Pakkestørrelse


Images

Additional information



fabrikat: DEHN
Type: DSH B TT 2P 255 FM
artikelnr.: 941116
eller tilsvarende

Certificates

 

Wave breaker function

In the case of spark-gap-based type 1 arresters, the entire current flows through the type 1 arrester during the discharge process. Like a wave breaker, the incoming energy is greatly broken down, which significantly relieves the downstream SPDs. All type 1 arresters in the Red/Line product range feature the WBF wave breaker function.

Technical data

Afleder efter EN 61643-11 / IEC 61643-11 Type 1 + Type 2 / klasse I + klasse II
Max. driftsspænding AC (UC ) 255 V (50 / 60 Hz)
Lynstødstrøm (10/350 µs) [L+N-PE] (Itotal ) 15 kA
Lynstødstrøm (10/350 µs) [L-N]/[N-PE] (Iimp ) 7,5 / 15 kA
Spændingsbeskyttelsesniveau [L-N]/[N-PE] (UP ) ≤ 1,5 / ≤ 1,5 kV
Max. overstrømsbeskyttelse på netsiden 160 A gG
FM-kontakt / kontaktform skiftekontakt
Udvidede tekniske data: ---------------------------------
Restspænding [L-PE] (UP ) 2,0 kV

Product 941116 was added to Notepad.

Product 941116 was added to the cart.


back to top