DEHNguard YPV SCI ... – kompakt

  • Komplet enhed til brug i solcelleanlæg
  • Kombineret skille- og kortslutningsanordning med sikker elektrisk adskillelse (patenteret SCI-princip)
  • Gennemprøvet, fejlsikker Y-kobling til DEHNguard M YPV SCI … forhindrer skader på overspændingsbeskyttelsen ved isoleringsfejl i generatorkredsen
  • Testet iht. EN 61643-31
  • Kan anvendes i solcelleanlæg iht. IEC 60364-7-712

Details

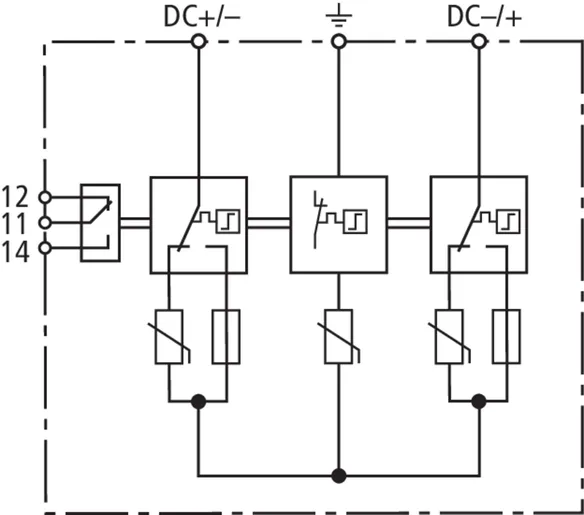
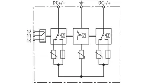
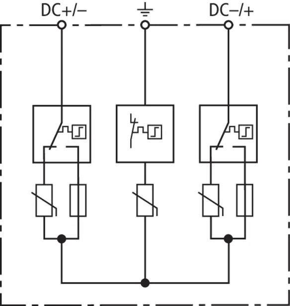
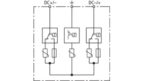
Tretrins DC-koblingsanordning (patenteret SCI-princip)
lorem ipsum

DEHNguard kompakt YPV SCI ...

Flerpolet overspændingsafleder med tretrins DC-koblingsanordning til brug i solcelleanlæg.

2 Products

Part No. 950531 DG YPV SCI 600

GTIN 4013364152953, Customs tariff No. (EU): 85363030, Gross weight: 296.00 g, PU: 1.00 Pakkestørrelse

Predecessor

Images

Additional information

Overspændingsafleder DEHNguard kompakt YPV SCI 600
Flerpolet afleder til solcelleanlæg op til 600 V DC
med jævnstrøms-skifteenhed med tre trin, bredde 3TE
Fejlvisning
Type 2 iht. EN 61643-31
Kan anvendes iht. IEC 60364-7-712
Sikker elektrisk adskillelse
Maksimal PV-spænding: <= 600 V jævnstrøm
Samlet afledningsstødstrøm: 40 kA
Beskyttelsesniveau: <= 2,5 kV
Kortslutningsbæreevne Iscpv: 1000 A

fabrikat: DEHN
Type: DG YPV SCI 600
artikelnr.: 950531
eller tilsvarende

Certificates

 

SCI-Technology

The patented SCI technology with active arc extinction allows to actively, quickly and safely extinguish a possible switching arc in case of overload. The PV fuse integrated in the short-circuit path trips immediately after the arc has been extinguished, thus ensuring safe electrical isolation (interruption). Consequently, all PV arresters from DEHN combine surge protection, fire protection and personal protection in a single device

Technical data

SPD iht. EN 61643-31 / ... IEC 61643-31 Type 2 / Klasse II
Max. solcellespænding (UCPV ) 600 V
Kortslutningsbæreevne (ISCPV ) 1000 A
Mærkeafledestødstrøm (8/20 µs) [(DC+/DC-) --> PE] (In ) 12,5 kA
Max. afledestødstrøm (8/20 µs) [(DC+/DC-) --> PE] (Imax ) 25 kA
Restspænding (UP ) ≤ 2,5 kV
Godkendelser KEMA, UL

Product 950531 was added to Notepad.

Product 950531 was added to the cart.

Part No. 950530 DG YPV SCI 1000

GTIN 4013364152960, Customs tariff No. (EU): 85363030, Gross weight: 321.00 g, PU: 1.00 Pakkestørrelse


Images

Additional information

Overspændingsafleder DEHNguard kompakt YPV SCI 1000
Flerpolet afleder til solcelleanlæg op til 1000 V DC
med jævnstrøms-skifteenhed med tre trin, bredde 3TE
Fejlvisning
Type 2 iht. EN 61643-31
Kan anvendes iht. IEC 60364-7-71
Sikker elektrisk adskillelse
Maksimal PV-spænding: <= 1000 V jævnstrøm
Samlet afledningsstødstrøm: 40 kA
Beskyttelsesniveau: <= 4 kV
Kortslutningsbæreevne Iscpv: 1000 A

fabrikat: DEHN
Type: DG YPV SCI 1000
artikelnr.: 950530
eller tilsvarende

Certificates

 

SCI-Technology

The patented SCI technology with active arc extinction allows to actively, quickly and safely extinguish a possible switching arc in case of overload. The PV fuse integrated in the short-circuit path trips immediately after the arc has been extinguished, thus ensuring safe electrical isolation (interruption). Consequently, all PV arresters from DEHN combine surge protection, fire protection and personal protection in a single device

Technical data

SPD iht. EN 61643-31 / ... IEC 61643-31 Type 2 / Klasse II
Max. solcellespænding (UCPV ) 1000 V
Kortslutningsbæreevne (ISCPV ) 1000 A
Mærkeafledestødstrøm (8/20 µs) [(DC+/DC-) --> PE] (In ) 12,5 kA
Max. afledestødstrøm (8/20 µs) [(DC+/DC-) --> PE] (Imax ) 25 kA
Restspænding (UP ) ≤ 4 kV
Godkendelser KEMA, UL

Product 950530 was added to Notepad.

Product 950530 was added to the cart.


DEHNguard kompakt YPV SCI ... FM

Flerpolet overspændingsafleder med tretrins DC-koblingsanordning til brug i solcelleanlæg; med fjernmeldekontakt til fjernovervågning (potentialfri skiftekontakt).

2 Products

Part No. 950536 DG YPV SCI 600 FM

GTIN 4013364154995, Customs tariff No. (EU): 85363030, Gross weight: 306.00 g, PU: 1.00 Pakkestørrelse

Predecessor

Images

Additional information

Overspændingsafleder DEHNguard kompakt YPV SCI 600 FM
Flerpolet afleder til solcelleanlæg op til 600 V DC
med jævnstrøms-skifteenhed med tre trin, bredde 3TE
Fejlvisning med fjernmeldekontakt
Type 2 iht. EN 61643-31
Kan anvendes iht. IEC 60364-7-712
Sikker elektrisk adskillelse
Maksimal PV-spænding: <= 600 V jævnstrøm
Samlet afledningsstødstrøm: 40 kA
Beskyttelsesniveau: <= 2,5 kV
Kortslutningsbæreevne Iscpv: 1000 A

fabrikat: DEHN
Type: DG YPV SCI 600 FM
artikelnr.: 950536
eller tilsvarende

Certificates

 

SCI-Technology

The patented SCI technology with active arc extinction allows to actively, quickly and safely extinguish a possible switching arc in case of overload. The PV fuse integrated in the short-circuit path trips immediately after the arc has been extinguished, thus ensuring safe electrical isolation (interruption). Consequently, all PV arresters from DEHN combine surge protection, fire protection and personal protection in a single device

Technical data

SPD iht. EN 61643-31 / ... IEC 61643-31 Type 2 / Klasse II
Max. solcellespænding (UCPV ) 600 V
Kortslutningsbæreevne (ISCPV ) 1000 A
Mærkeafledestødstrøm (8/20 µs) [(DC+/DC-) --> PE] (In ) 12,5 kA
Max. afledestødstrøm (8/20 µs) [(DC+/DC-) --> PE] (Imax ) 25 kA
Restspænding (UP ) ≤ 2,5 kV
Godkendelser KEMA, UL
FM-kontakt / kontaktform Skiftekontakt

Product 950536 was added to Notepad.

Product 950536 was added to the cart.

Part No. 950535 DG YPV SCI 1000 FM

GTIN 4013364154988, Customs tariff No. (EU): 85363030, Gross weight: 331.00 g, PU: 1.00 Pakkestørrelse


Images

Additional information

Overspændingsafleder DEHNguard kompakt YPV SCI 1000 FM
Flerpolet afleder til solcelleanlæg op til 1000 V DC
med jævnstrøms-skifteenhed med tre trin, bredde 3TE
Fejlvisning med fjernmeldekontakt
Type 2 iht. EN 61643-31
Kan anvendes iht. IEC 60364-7-712
Sikker elektrisk adskillelse
Maksimal PV-spænding:<= 1000 V DC
Samlet afledningsstødstrøm: 40 kA
Beskyttelsesniveau: <= 4 kV
Kortslutningsbæreevne Iscpv: 1000 A

fabrikat: DEHN
Type: DG YPV SCI 1000 FM
artikelnr.: 950535
eller tilsvarende

Certificates

 

SCI-Technology

The patented SCI technology with active arc extinction allows to actively, quickly and safely extinguish a possible switching arc in case of overload. The PV fuse integrated in the short-circuit path trips immediately after the arc has been extinguished, thus ensuring safe electrical isolation (interruption). Consequently, all PV arresters from DEHN combine surge protection, fire protection and personal protection in a single device

Technical data

SPD iht. EN 61643-31 / ... IEC 61643-31 Type 2 / Klasse II
Max. solcellespænding (UCPV ) 1000 V
Kortslutningsbæreevne (ISCPV ) 1000 A
Mærkeafledestødstrøm (8/20 µs) [(DC+/DC-) --> PE] (In ) 12,5 kA
Max. afledestødstrøm (8/20 µs) [(DC+/DC-) --> PE] (Imax ) 25 kA
Restspænding (UP ) ≤ 4 kV
Godkendelser KEMA, UL
FM-kontakt / kontaktform Skiftekontakt

Product 950535 was added to Notepad.

Product 950535 was added to the cart.


back to top