Lynstrømstæller

Smart lynstrømstæller til potentialfri registrering af antal og tidspunkt (dato for forekomst med tidsstempel) for afledestrømme.
Ved batteridrift (selvstændig, uden netdel) med lokal lagring af dataene og visning på display.
Ved netdrift med mulighed for kommunikation (Modbus RTU) mellem tæller og eksternt kontrolrum.

Lynstrømstæller IPC P4

1 Product

Part No. 910513 IPC P4

GTIN 6942299506310, Customs tariff No. (EU): 90291000, Gross weight: 180.20 g, PU: 1.00 Pakkestørrelse


Images

Additional information

Lynstrømstæller IPC P4
Tæller i batterifunktion (kun intern lagring) eller
med ekstern 9-36 V DC-forsyning (med kommunikation til kontrolrum)
Potentialfri registrering af afledestrømme
fra overspændingsbeskyttelsesenheder
Sensor til placering på aflederens jordledning
Snoet sensorledning: 0,5 m lang
Minimumtalværdi for impuls-udladningsstrømmen (10/350 µs): 1 kA
Talgrænseværdi for impuls-udladningsstrømmen (10/350 µs): 100 kA
Minimumtalværdi for udladningsstrømmen (8/20 µs): 1 kA
Talgrænseværdi for udladningsstrømmen (8/20 µs): 100 kA
OLED-display
elektrisk tæller 0 ... 999
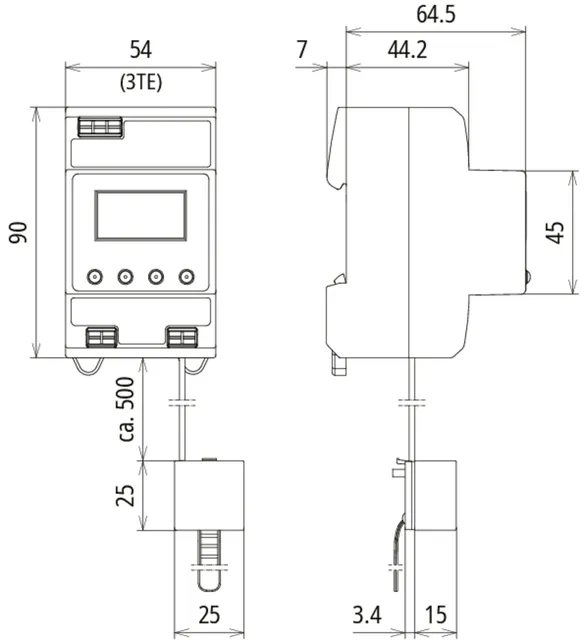
Montering på DIN-profilskinne 35 mm iht. EN 60715

fabrikat: DEHN
Type: IPC P4
artikelnr.: 910513
eller tilsvarende

Certificates

 

Technical data

Lynstrømstæller iht. GB/T 33588.6 og EN/IEC 62561-6 Type I + Type II
Tællegrænseværdi for impuls-udladningsstrømmen (10/350 µs) (Iimp max ) 100 kA
Minimumtælleværdi for impuls-udladningsstrømmen (10/350 µs) (Iimp min ) 1 kA
Tællegrænseværdi for udladningsstrømmen (8/20 µs) (In max ) 100 kA
Minimumtælleværdi for udladningsstrømmen (8/20 µs) (In min ) 1 kA
OLED-display Elektronisk tæller 0-999
Strømforsyning Litium-mangandioxid-batteri eller 9-36 V DC
Nulstilling Knapper på enheden (f.eks. til nulstilling af tælleren til 0) eller via fjernadgang
Indbygningsmål (sensor) 25 mm x 25 mm x 15 mm
Tilbehør inkluderet i levering Sensor med integreret fastgørelseslaske

Product 910513 was added to Notepad.

Product 910513 was added to the cart.


back to top