DEHNguard S ... VA

  • Universel anvendelig overspændingsafleder, bestående af basiselement og påsat beskyttelsesmodul
  • Lækstrømfri serieforbindelse af Varistor-gnistgab i stikbart beskyttelsesmodul
  • Høj sikkerhed med aflederovervågningen "Termodynamisk Kontrol”
  • Energetisk koordineret med andre afledere i Red/Line-serien
  • Beskyttelsesmoduler skiftes let uden værktøj med modullåsesystem med moduludløserknap
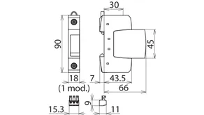
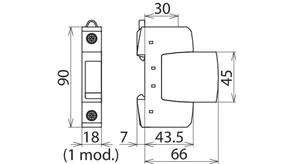
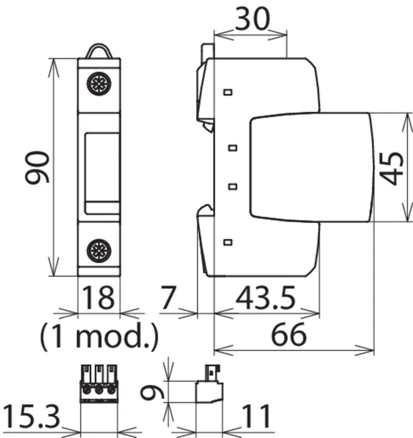
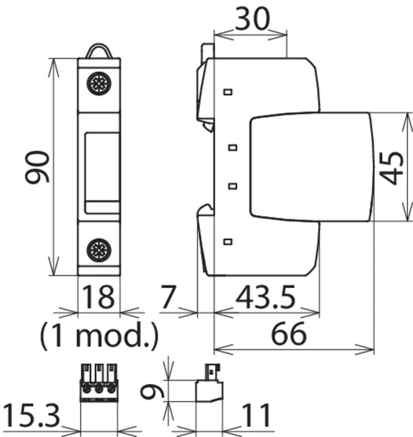
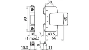
  • Smal konstruktion (modulopbygning) iht. DIN 43880
  • Multifunktionstilslutning til ledere og kamskinner
  • Vibrations- og stødtestet iht. EN 60068-2

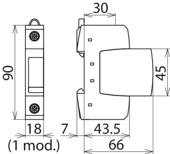
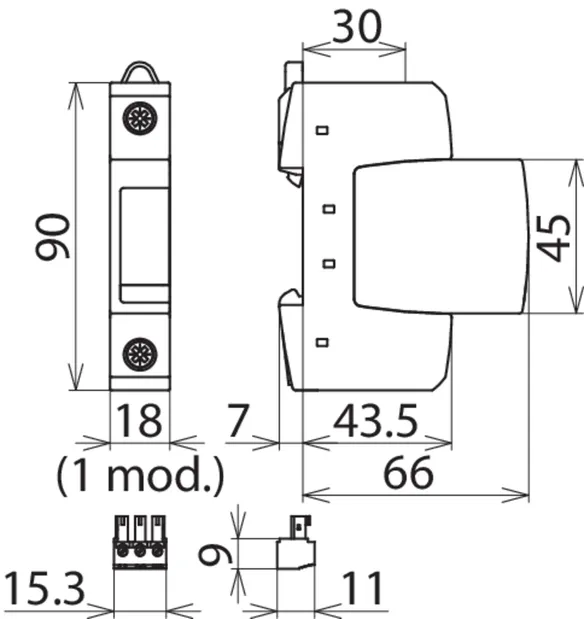
DEHNguard S VA

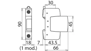
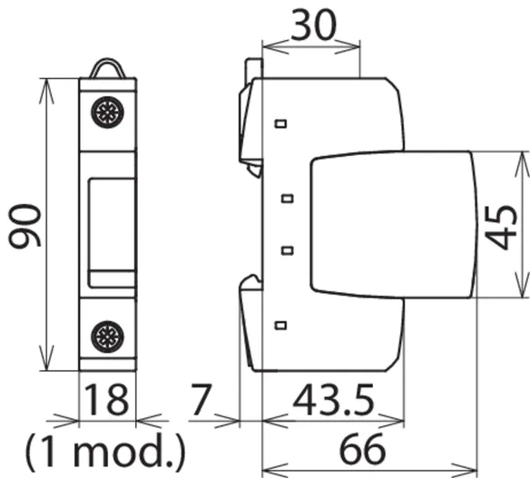
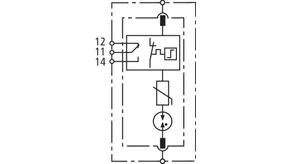
Modulær, 1-polet overspændingsafleder med seriekobling af varistor og gnistgab i det stikbare beskyttelsesmodul.

3 Products

Part No. 952080 DG S 75 VA

GTIN 4013364127296, Customs tariff No. (EU): 85363030, Gross weight: 118.00 g, PU: 1.00 Pakkestørrelse

Predecessor

Images

Additional information

Overspændingsafleder DEHNguard S 75 VA
Enpolet, modulær, stikbar overspændingsafleder
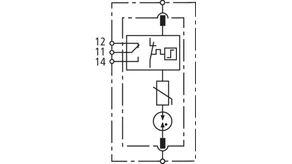
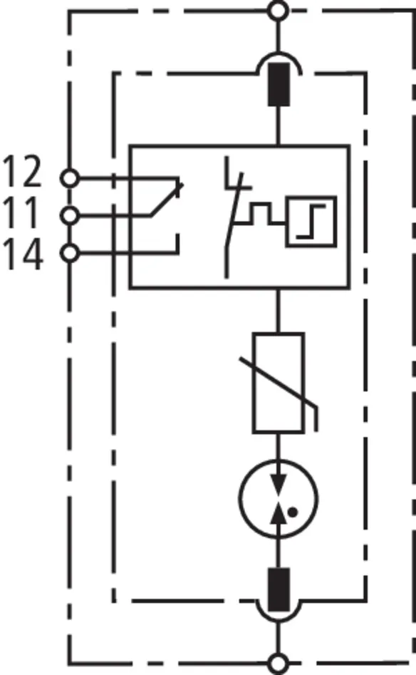
Bredde 1TE, Fejlvisning
afleder type 2 iht. EN 61643-11
Lækstrømfri serieforbindelse af Varistor-gnistgab
Maks. driftsspænding 75 V ac/100 V dc
Beskyttelsesniveau: <= 1,1 kV
Nominel afledningsstrøm 10 kA
Kortslutningsbæreevne: 25 kAeff
Energetisk koordination iht. DIN EN 62305-4
Afleder i Red/Line-serien

fabrikat: DEHN
Type: DG S 75 VA
artikelnr.: 952080
eller tilsvarende

Certificates

 

Technical data

Afleder efter EN 61643-11 / IEC 61643-11 Type 2 / klasse II
Max. driftsspænding AC (UC ) 75 V (50 / 60 Hz)
Mærkeafledestødstrøm (8/20 µs) (In ) 10 kA
Max. afledestødstrøm (8/20 µs) (Imax ) 20 kA
Restspænding (UP ) ≤ 1,1 kV
Max. overstrømsbeskyttelse på netsiden 100 A gG

Product 952080 was added to Notepad.

Product 952080 was added to the cart.

Part No. 952082 DG S 275 VA

GTIN 4013364127319, Customs tariff No. (EU): 85363030, Gross weight: 123.40 g, PU: 1.00 Pakkestørrelse

Predecessor

Images

Additional information

Overspændingsafleder DEHNguard S 275 VA
Enpolet, modulær, stikbar overspændingsafleder
Bredde 1TE, Fejlvisning
afleder type 2 iht. EN 61643-11
Lækstrømfri serieforbindelse af Varistor-gnistgab
Maks. driftsspænding 275 V ac/350 V dc
Beskyttelsesniveau: <= 1,5 kV
Nominel afledningsstrøm 10 kA
Kortslutningsbæreevne: 25 kAeff
Energetisk koordination iht. DIN EN 62305-4
Afleder i Red/Line-serien

fabrikat: DEHN
Type: DG S 275 VA
artikelnr.: 952082
eller tilsvarende

Certificates

 

Technical data

Afleder efter EN 61643-11 / IEC 61643-11 Type 2 / klasse II
Max. driftsspænding AC (UC ) 275 V (50 / 60 Hz)
Mærkeafledestødstrøm (8/20 µs) (In ) 10 kA
Max. afledestødstrøm (8/20 µs) (Imax ) 20 kA
Restspænding (UP ) ≤ 1,5 kV
Max. overstrømsbeskyttelse på netsiden 100 A gG

Product 952082 was added to Notepad.

Product 952082 was added to the cart.

Part No. 952084 DG S 385 VA

GTIN 4013364127333, Customs tariff No. (EU): 85363030, Gross weight: 127.70 g, PU: 1.00 Pakkestørrelse


Images

Additional information

Overspændingsafleder DEHNguard S 385 VA
Enpolet, modulær, stikbar overspændingsafleder
Bredde 1TE, Fejlvisning
afleder type 2 iht. EN 61643-11
Lækstrømfri serieforbindelse af Varistor-gnistgab
Maks. driftsspænding 385 V ac/500 V dc
Beskyttelsesniveau: <= 1,75 kV
Nominel afledningsstrøm 10 kA
Kortslutningsbæreevne: 25 kAeff
Energetisk koordination iht. DIN EN 62305-4
Afleder i Red/Line-serien

fabrikat: DEHN
Type: DG S 385 VA
artikelnr.: 952084
eller tilsvarende

Certificates

 

Technical data

Afleder efter EN 61643-11 / IEC 61643-11 Type 2 / klasse II
Max. driftsspænding AC (UC ) 385 V (50 / 60 Hz)
Mærkeafledestødstrøm (8/20 µs) (In ) 10 kA
Max. afledestødstrøm (8/20 µs) (Imax ) 20 kA
Restspænding (UP ) ≤ 1,75 kV
Max. overstrømsbeskyttelse på netsiden 100 A gG

Product 952084 was added to Notepad.

Product 952084 was added to the cart.


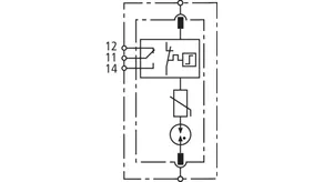
DEHNguard S VA FM

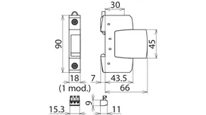
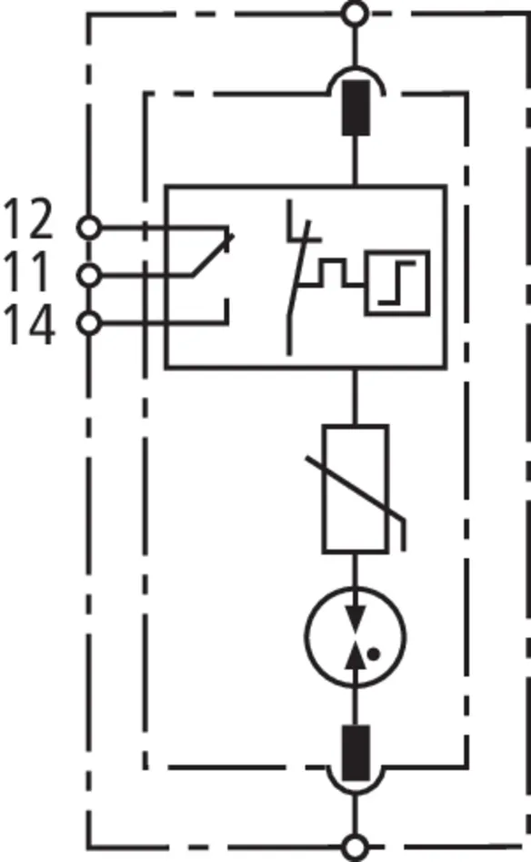
Modulær, 1-polet overspændingsafleder med seriekobling af varistor og gnistgab i det stikbare beskyttelsesmodul; med fjernmeldekontakt til fjernovervågning (potentialfri skiftekontakt).

3 Products

Part No. 952085 DG S 75 VA FM

GTIN 4013364127302, Customs tariff No. (EU): 85363030, Gross weight: 122.10 g, PU: 1.00 Pakkestørrelse

Predecessor

Images

Additional information

Overspændingsafleder DEHNguard S 75 FM
Enpolet, modulær, stikbar overspændingsafleder
Bredde 1TE, Fejlvisning
med fjernmeldekontakt
afleder type 2 iht. EN 61643-11
Lækstrømfri serieforbindelse af Varistor-gnistgab
Maks. driftsspænding 75 V ac/100 V dc
Beskyttelsesniveau: <= 1,1 kV
Nominel afledningsstrøm 10 kA
Kortslutningsbæreevne: 25 kAeff
Energetisk koordination iht. DIN EN 62305-4
Afleder i Red/Line-serien

fabrikat: DEHN
Type: DG S 75 VA FM
artikelnr.: 952085
eller tilsvarende

Certificates

 

Technical data

Afleder efter EN 61643-11 / IEC 61643-11 Type 2 / klasse II
Max. driftsspænding AC (UC ) 75 V (50 / 60 Hz)
Mærkeafledestødstrøm (8/20 µs) (In ) 10 kA
Max. afledestødstrøm (8/20 µs) (Imax ) 20 kA
Restspænding (UP ) ≤ 1,1 kV
Max. overstrømsbeskyttelse på netsiden 100 A gG

Product 952085 was added to Notepad.

Product 952085 was added to the cart.

Part No. 952087 DG S 275 VA FM

GTIN 4013364127326, Customs tariff No. (EU): 85363030, Gross weight: 126.70 g, PU: 1.00 Pakkestørrelse

Predecessor

Images

Additional information

Overspændingsafleder DEHNguard S275 VA FM
Enpolet, modulær, stikbar overspændingsafleder
Bredde 1TE, Fejlvisning
med fjernmeldekontakt
afleder type 2 iht. EN 61643-11
Lækstrømfri serieforbindelse af Varistor-gnistgab
Maks. driftsspænding 275 V ac/350 V dc
Beskyttelsesniveau: <= 1,5 kV
Nominel afledningsstrøm 10 kA
Kortslutningsbæreevne: 25 kAeff
Energetisk koordination iht. DIN EN 62305-4
Afleder i Red/Line-serien

fabrikat: DEHN
Type: DG S 275 VA FM
artikelnr.: 952087
eller tilsvarende

Certificates

 

Technical data

Afleder efter EN 61643-11 / IEC 61643-11 Type 2 / klasse II
Max. driftsspænding AC (UC ) 275 V (50 / 60 Hz)
Mærkeafledestødstrøm (8/20 µs) (In ) 10 kA
Max. afledestødstrøm (8/20 µs) (Imax ) 20 kA
Restspænding (UP ) ≤ 1,5 kV
Max. overstrømsbeskyttelse på netsiden 100 A gG

Product 952087 was added to Notepad.

Product 952087 was added to the cart.

Part No. 952089 DG S 385 VA FM

GTIN 4013364127340, Customs tariff No. (EU): 85363030, Gross weight: 131.70 g, PU: 1.00 Pakkestørrelse


Images

Additional information

Overspændingsafleder DEHNguard S 385 VA FM
Enpolet, modulær, stikbar overspændingsafleder
Bredde 1TE, Fejlvisning
med fjernmeldekontakt
afleder type 2 iht. EN 61643-11
Lækstrømfri serieforbindelse af Varistor-gnistgab
Maks. driftsspænding 385 V AC/500 V DC
Beskyttelsesniveau: <= 1,75 kV
Nominel afledningsstrøm 10 kA
Kortslutningsbæreevne: 25 kAeff
Energetisk koordination iht. DIN EN 62305-4
Afleder i Red/Line-serien

fabrikat: DEHN
Type: DG S 385 VA FM
artikelnr.: 952089
eller tilsvarende

Certificates

 

Technical data

Afleder efter EN 61643-11 / IEC 61643-11 Type 2 / klasse II
Max. driftsspænding AC (UC ) 385 V (50 / 60 Hz)
Mærkeafledestødstrøm (8/20 µs) (In ) 10 kA
Max. afledestødstrøm (8/20 µs) (Imax ) 20 kA
Restspænding (UP ) ≤ 1,75 kV
Max. overstrømsbeskyttelse på netsiden 100 A gG

Product 952089 was added to Notepad.

Product 952089 was added to the cart.


back to top