SFL-Protector

  • Overspændingsbeskyttelse med overvågningsenhed og afbryder
  • Støjfilter
  • Øget sikkerhed med fejlsikker Y-kobling
  • Hovedafbryder med lampe (kun SFL PRO 6X)
  • 2 m fleksibel tilslutningsleder til flere anvendelser
  • Visuel funktions- (grøn) og fejlindikator (rød)

Details

lorem ipsum

SFL PRO 6X

Stikdåse med overspændingsbeskyttelse og netfilter.

1 Product

Part No. 909250 SFL PRO 6X

GTIN 4013364132566, Customs tariff No. (EU): 85363010, Gross weight: 970.00 g, PU: 1.00 Pakkestørrelse

Predecessor

Images

Additional information

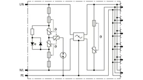
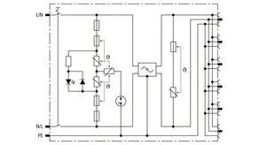
Overspændingsbeskyttelses-stikdåseliste SFL PRO 6X
Stikdåseliste med 6 pladser, overspændingsbeskyttelse og filter
Afleder type 3 iht. EN 61643-11
Støjfilter iht. DIN VDE 0565 del 3
Hovedafbryder med driftsvisning: grøn
optisk fejlvisning: rød
Maks. driftsspænding 255 V AC
Beskyttelsesniveau: <= 1,6 kV
Samlet afledningsstødstrøm: 5 kA
Maks. overstrømsbeskyttelse på netsiden: 16 A gG eller B 16 A
Dæmpning ved f = 1 MHZ sym./asym. >= 32 dB / >= 30 dB
Energetisk koordination iht. DIN EN 62305-4
Afleder i Red/Line-serien

fabrikat: DEHN
Type: SFL PRO 6X
artikelnr.: 909250
eller tilsvarende

Certificates

 

Technical data

Afleder efter EN 61643-11 / ... IEC 61643-11 Type 3 / klasse III
Max. driftsspænding AC (UC ) 255 V (50 / 60 Hz)
Mærkeafledestødstrøm (8/20 µs) (In ) 3 kA
Samlet afledestødstrøm (8/20 µs) [L+N-PE] (Itotal ) 5 kA
Restspænding (UP ) ≤ 1,6 kV
Max. overstrømsbeskyttelse på netsiden B 16 A
Antal stikdåser 6

Product 909250 was added to Notepad.

Product 909250 was added to the cart.


SFL PRO 6X 19"

Stikdåse med overspændingsbeskyttelse og netfilter til 19"-skabe (482,6 mm).

1 Product

Part No. 909251 SFL PRO 6X 19"

GTIN 4013364132573, Customs tariff No. (EU): 85363010, Gross weight: 877.00 g, PU: 1.00 Pakkestørrelse


Images

Additional information

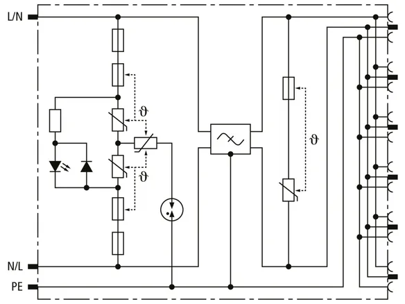
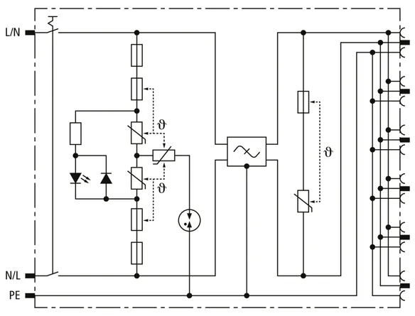
Overspændingsbeskyttelse-stikdåseliste SFL PRO 6X 19"
Stikdåseliste med 6 pladser, overspændingsbeskyttelse og filter
Afleder type 3 iht. EN 61643-11
Støjfilter iht. DIN VDE 0565 del 3
med driftsvisning: grøn
optisk fejlvisning: rød
Maks. driftsspænding 255 V AC
Beskyttelsesniveau: <= 1,6 kV
Samlet afledningsstødstrøm: 5 kA
Maks. overstrømsbeskyttelse på netsiden: 16 A gG eller B 16 A
Dæmpning ved f = 1 MHZ sym./asym. >= 32 dB / >= 30 dB
Energetisk koordination iht. DIN EN 62305-4
Afleder i Red/Line-serien

fabrikat: DEHN
Type: SFL PRO 6X 19"
artikelnr.: 909251
eller tilsvarende

Certificates

 

Technical data

Afleder efter EN 61643-11 / ... IEC 61643-11 Type 3 / klasse III
Max. driftsspænding AC (UC ) 255 V (50 / 60 Hz)
Mærkeafledestødstrøm (8/20 µs) (In ) 3 kA
Samlet afledestødstrøm (8/20 µs) [L+N-PE] (Itotal ) 5 kA
Restspænding (UP ) ≤ 1,6 kV
Max. overstrømsbeskyttelse på netsiden B 16 A
Antal stikdåser 6

Product 909251 was added to Notepad.

Product 909251 was added to the cart.


back to top