DEHNrail modular, flerpolet

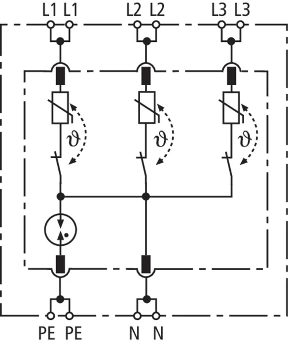
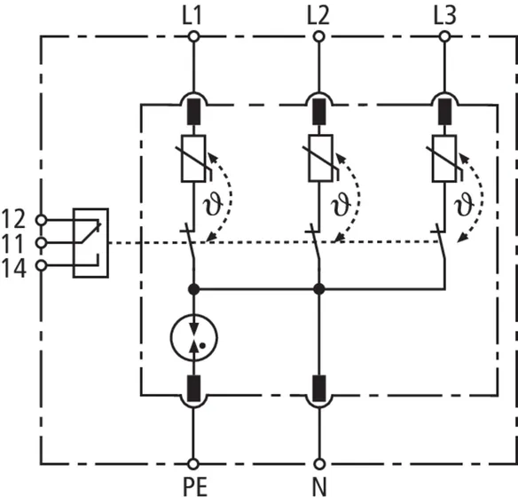
  • 4-polet overspændingsafleder bestående af en basisdel og et stikbart beskyttelsesmodul
  • Høj afledeevne med effektiv zinkoxidvaristor hhv. gnistgab
  • Koordinerbar med andre afledere i Red/Line-produktserien
  • Funktions-/fejlvisning ved grøn/rød markering i inspektionsruden
  • Beskyttelsesmoduler skiftes let uden værktøj ved at trykke på beskyttelsesmodulets udløseknapper
  • Mærkestrøm op til 25 A
  • Vibrations- og stødtestet efter EN 600068-2

Details

lorem ipsum

DEHNrail M 4P ... (FM)

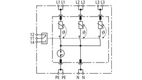
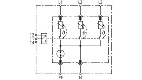
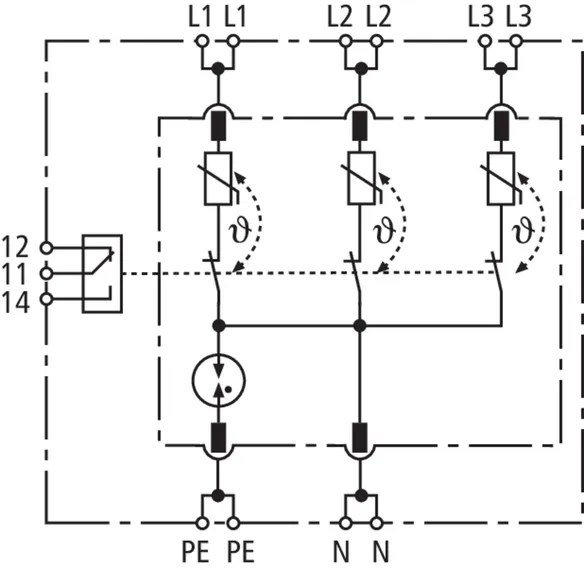
4-polet overspændingsafleder bestående af en basisdel og et stikbart beskyttelsesmodul til 230 / 400 V-systemer; FM-version med potentialfri fjernmeldekontakt.

2 Products

Part No. 953400 DR M 4P 255

GTIN 4013364115767, Customs tariff No. (EU): 85363030, Gross weight: 168.20 g, PU: 1.00 Pakkestørrelse

Predecessor

Images

Additional information

Overspændingsafleder DEHNrail M 4P 255
Firpolet, modulær, stikbar overspændingsafleder
til beskyttelse af industrielektronikkens terminaler
Bredde 2TE, fejlvisning
Afleder type 3 iht. EN 61643-11
Maks. driftsspænding 255/440 V AC
Samlet afledningsstødstrøm: 8 kA
Beskyttelsesniveau (L-N): <= 1 kV
Maks. overstrømsbeskyttelse på netsiden:
25 A gG eller B 25 A
Energetisk koordination iht. DIN EN 62305-4
Afleder i Red/Line-serien

fabrikat: DEHN
Type: DR M 4P 255
artikelnr.: 953400
eller tilsvarende

Certificates

 

Technical data

Afleder efter EN 61643-11 / IEC 61643-11 Type 3 / klasse III
Afledermærkespænding AC (UC ) 255 / 440 V (50 / 60 Hz)
Mærkeafledestødstrøm (8/20 µs) (In ) 3 kA
Samlet afledestødstrøm (8/20 µs) [L1+L2+L3+N-PE] (Itotal ) 8 kA
Restspænding [L-N] / [L/N-PE] (UP ) ≤ 1000 / ≤ 1500 V
Max. for-sikring 25 A gG eller B 25 A
Godkendelser KEMA, VDE

Product 953400 was added to Notepad.

Product 953400 was added to the cart.

Part No. 953405 DR M 4P 255 FM

GTIN 4013364115774, Customs tariff No. (EU): 85363030, Gross weight: 171.90 g, PU: 1.00 Pakkestørrelse

Predecessor

Images

Additional information

Overspændingsafleder DEHNrail M 4P 255 FM
Firpolet, modulær, stikbar overspændingsafleder
til beskyttelse af industrielektronikkens terminaler
Bredde 2TE, fejlvisning
med fjernmeldekontakt
Afleder type 3 iht. EN 61643-11
Maks. driftsspænding 255/440 V AC
Samlet afledningsstødstrøm: 8 kA
Beskyttelsesniveau (L-N): <= 1 kV
Maks. overstrømsbeskyttelse på netsiden:
25 A gG eller B 25 A
Energetisk koordination iht. DIN EN 62305-4
Afleder i Red/Line-serien

fabrikat: DEHN
Type: DR M 4P 255 FM
artikelnr.: 953405
eller tilsvarende

Certificates

 

Technical data

Afleder efter EN 61643-11 / IEC 61643-11 Type 3 / klasse III
Afledermærkespænding AC (UC ) 255 / 440 V (50 / 60 Hz)
Mærkeafledestødstrøm (8/20 µs) (In ) 3 kA
Samlet afledestødstrøm (8/20 µs) [L1+L2+L3+N-PE] (Itotal ) 8 kA
Restspænding [L-N] / [L/N-PE] (UP ) ≤ 1000 / ≤ 1500 V
Max. for-sikring 25 A gG eller B 25 A
Godkendelser KEMA, VDE
FM-kontakt / kontaktform Skiftekontakt

Product 953405 was added to Notepad.

Product 953405 was added to the cart.


DEHNrail M 4P SN1872 FM

4-polet overspændingsafleder bestående af en basisdel og et stikbart beskyttelsesmodul til 230 / 400 V-systemer; potentialfri fjernmeldekontakt. Kan anvendes i anlæg med for-sikring op til 32 A laststrøm.

1 Product

Part No. 953406 DR M 4P 255 SN1872 FM

GTIN 4013364353060, Customs tariff No. (EU): 85363030, Gross weight: 171.90 g, PU: 1.00 Pakkestørrelse


Images

Additional information

Overspændingsafleder DEHNrail DR M 4P 255 SN1872 FM
Firpolet, modulær, stikbar overspændingsafleder
til beskyttelse af industrielektronikkens terminaler
Bredde 2TE, fejlvisning
med fjernmeldekontakt
Afleder type 3 iht. EN 61643-11
Maks. driftsspænding 255/440 V AC
Samlet afledningsstødstrøm: 8 kA
Beskyttelsesniveau (L-N): <= 1 kV
Maks. overstrømsbeskyttelse på netsiden:
32 A gG eller B 32 A
Energetisk koordination iht. DIN EN 62305-4
Afleder i Red/Line-serien

fabrikat: DEHN
Type: DR M 4P 255 SN1872 FM
artikelnr.: 953406
eller tilsvarende

Certificates

 

Technical data

Afleder efter EN 61643-11 / IEC 61643-11 Type 3 / klasse III
Afledermærkespænding AC (UC ) 255 / 440 V (50 / 60 Hz)
Mærkeafledestødstrøm (8/20 µs) (In ) 3 kA
Samlet afledestødstrøm (8/20 µs) [L1+L2+L3+N-PE] (Itotal ) 8 kA
Restspænding [L-N] / [L/N-PE] (UP ) ≤ 1000 / ≤ 1500 V
Max. for-sikring 32 A gG eller B 32 A
FM-kontakt / kontaktform Skiftekontakt

Product 953406 was added to Notepad.

Product 953406 was added to the cart.


back to top