DEHNgap

  • Afledeevne op til 100 kA (10/350 µs)
  • Sumstrømsafleder, specielt designet til brug mellem nulleder (N) og beskyttelsesleder (PE) i "3+1"- og "1+1"-kobling i TT-systemer efter IEC60364-5-53
  • Slukkegnistgabsteknologi
  • Funktions-/fejlindikation ved grøn/rød markering i inspektionsruden

Details

lorem ipsum

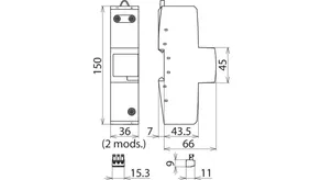
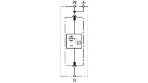
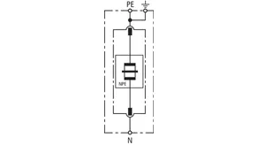
DEHNgap M 255 (FM)

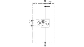
Enpolet, modulær, koordineret N-PE-lynstrømsafleder til UC = 255 V, fås også med fjernmeldekontakt til fjernovervågning (potentialfri skiftekontakt).

2 Products

Part No. 961101 DGP M 255

GTIN 4013364118676, Customs tariff No. (EU): 85363030, Gross weight: 331.00 g, PU: 1.00 Pakkestørrelse

Predecessor

Images

Additional information



fabrikat: DEHN
Type: DGP M 255
artikelnr.: 961101
eller tilsvarende

Certificates

 

Wave breaker function

In the case of spark-gap-based type 1 arresters, the entire current flows through the type 1 arrester during the discharge process. Like a wave breaker, the incoming energy is greatly broken down, which significantly relieves the downstream SPDs. All type 1 arresters in the Red/Line product range feature the WBF wave breaker function.

Technical data

Afleder efter EN 61643-11 / IEC 61643-11 Type 1 / klasse I
Max. driftsspænding AC (UC ) 255 V (50 / 60 Hz)
Lynstødstrøm (10/350 µs) (Iimp ) 100 kA
Restspænding (UP ) ≤ 1,5 kV
Godkendelser VDE, KEMA, UL

Product 961101 was added to Notepad.

Product 961101 was added to the cart.

Part No. 961105 DGP M 255 FM

GTIN 4013364118683, Customs tariff No. (EU): 85363030, Gross weight: 336.00 g, PU: 1.00 Pakkestørrelse

Predecessor

Images

Additional information

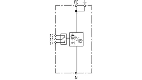
Koordineret N-PE-lynstrømsafleder DEHNgap M 255 FM
Enpolet, modulær, stikbar, koordineret N-PE-lynstrøms-
Afleder, bredde 2TE
med fjernmeldekontakt
Afleder type 1 iht. EN 61643-11
RADAX-flow-gnistgabteknologi
Fejlvisning
markering i rude
Lynimpulsstrøm (10/350): 100 kA
Restspænding: <= 1,5 kV
Følgestrømsslukkeevne: 100 Aeff ved 255 V vekselstrøm
TOV-modstand: 1200 V/200 ms
Energetisk koordination iht. DIN EN 62305-4
direkte til N-PE-afleder DEHNgap C S i Red/Line-serien

fabrikat: DEHN
Type: DGP M 255 FM
artikelnr.: 961105
eller tilsvarende

Certificates

 

Wave breaker function

In the case of spark-gap-based type 1 arresters, the entire current flows through the type 1 arrester during the discharge process. Like a wave breaker, the incoming energy is greatly broken down, which significantly relieves the downstream SPDs. All type 1 arresters in the Red/Line product range feature the WBF wave breaker function.

Technical data

Afleder efter EN 61643-11 / IEC 61643-11 Type 1 / klasse I
Max. driftsspænding AC (UC ) 255 V (50 / 60 Hz)
Lynstødstrøm (10/350 µs) (Iimp ) 100 kA
Restspænding (UP ) ≤ 1,5 kV
Godkendelser VDE, KEMA, UL
FM-kontakt / kontaktform Skiftekontakt

Product 961105 was added to Notepad.

Product 961105 was added to the cart.


DEHNgap Maxi 1 255 S

Koordinerbar, 1-polet N-PE-lynstrømsafleder til samleskinner.

1 Product

Part No. 900050 DGPM 1 255 S

GTIN 4013364107496, Customs tariff No. (EU): 85363090, Gross weight: 539.00 g, PU: 1.00 Pakkestørrelse


Images

Additional information

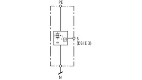
N-PE-lynstrømsafleder DEHNgap Maxi 1 255 S
Enpolet, koordineret N-PE-lynstrømsafleder
til industrielle samleskinnesystemer
Afleder type 1 iht. EN 61643-11
RADAX-flow-gnistgabteknologi
Maks. driftsspænding 255 V AC
Restspænding: <= 2,5 kV (indeholder tilslutningsledning på 80 cm)
Lynimpulsstrøm (10/350): 100 kA
Følgestrømsslukkeevne: 100 Aeff
TOV-modstand: 1200 V/200 ms
Energikoordination DIN EN 62305-4
Afleder i Red/Line-serien
Montering på N-samleskinne min. 35 mm2
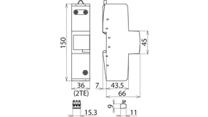
Monteringsmål (B x H x D): (72 x 89 x 100) mm

fabrikat: DEHN
Type: DGPM 1 255 S
artikelnr.: 900050
eller tilsvarende

Certificates

 

Wave breaker function

In the case of spark-gap-based type 1 arresters, the entire current flows through the type 1 arrester during the discharge process. Like a wave breaker, the incoming energy is greatly broken down, which significantly relieves the downstream SPDs. All type 1 arresters in the Red/Line product range feature the WBF wave breaker function.

Technical data

Afleder efter EN 61643-11 / IEC 61643-11 Type 1 / klasse I
Max. driftsspænding AC (UC ) 255 V (50 / 60 Hz)
Lynstødstrøm (10/350 µs) (Iimp ) 100 kA
Restspænding (UP ) ≤ 2,5 kV (80 cm tilslutningskabel inkluderet)
Driftstilstandsovervågning Via DEHNsignal DSI E 3

Product 900050 was added to Notepad.

Product 900050 was added to the cart.


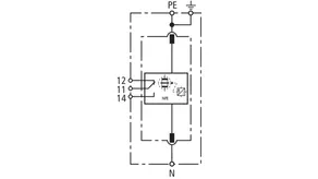
DEHNgap Maxi 1 255 (FM)

Koordinerbar, 1-polet N-PE-lynstrømsafleder; FM-udgave med fjernmeldekontakt til fjernovervågning (potentialfri skiftekontakt).

2 Products

Part No. 961180 DGPM 1 255

GTIN 4013364157323, Customs tariff No. (EU): 85363090, Gross weight: 460.00 g, PU: 1.00 Pakkestørrelse


Images

Additional information

N-PE-lynstrømsafleder DEHNgap Maxi 1 255
Koordineret N-PE-lynstrømsafleder, bredde 2TE
Afleder type 1 iht. EN 61643-11
RADAX-flow-gnistgabteknologi
Fejlvisning
Lynimpulsstrøm (10/350): 100 kA
Restspænding: <= 1,5 kV
Følgestrømsslukkeevne: 100 Aeff ved 255 V vekselstrøm
TOV-modstand: 1200 V/200 ms

fabrikat: DEHN
Type: DGPM 1 255
artikelnr.: 961180
eller tilsvarende

Certificates

 

Wave breaker function

In the case of spark-gap-based type 1 arresters, the entire current flows through the type 1 arrester during the discharge process. Like a wave breaker, the incoming energy is greatly broken down, which significantly relieves the downstream SPDs. All type 1 arresters in the Red/Line product range feature the WBF wave breaker function.

Technical data

Afleder efter EN 61643-11 / IEC 61643-11 Type 1 + Type 2 / klasse I + klasse II
Max. driftsspænding AC (UC ) 255 V (50 / 60 Hz)
Lynstødstrøm (10/350 µs) (Iimp ) 100 kA
Restspænding (UP ) ≤ 1,5 kV
Godkendelser KEMA

Product 961180 was added to Notepad.

Product 961180 was added to the cart.

Part No. 961185 DGPM 1 255 FM

GTIN 4013364157330, Customs tariff No. (EU): 85363090, Gross weight: 460.00 g, PU: 1.00 Pakkestørrelse


Images

Additional information

N-PE-lynstrømsafleder DEHNgap Maxi 1 255 FM
Koordineret N-PE-lynstrømsafleder, bredde 2TE
med fjernmeldekontakt
Afleder type 1 iht. EN 61643-11
RADAX-flow-gnistgabteknologi
Fejlvisning
Lynimpulsstrøm (10/350): 100 kA
Restspænding: <= 1,5 kV
Følgestrømsslukkeevne: 100 Aeff ved 255 V vekselstrøm
TOV-modstand: 1200 V/200 ms

fabrikat: DEHN
Type: DGPM 1 255 FM
artikelnr.: 961185
eller tilsvarende

Certificates

 

Wave breaker function

In the case of spark-gap-based type 1 arresters, the entire current flows through the type 1 arrester during the discharge process. Like a wave breaker, the incoming energy is greatly broken down, which significantly relieves the downstream SPDs. All type 1 arresters in the Red/Line product range feature the WBF wave breaker function.

Technical data

Afleder efter EN 61643-11 / IEC 61643-11 Type 1 + Type 2 / klasse I + klasse II
Max. driftsspænding AC (UC ) 255 V (50 / 60 Hz)
Lynstødstrøm (10/350 µs) (Iimp ) 100 kA
Restspænding (UP ) ≤ 1,5 kV
Godkendelser KEMA
FM-kontakt / kontaktform Skiftekontakt

Product 961185 was added to Notepad.

Product 961185 was added to the cart.


DEHNgap Maxi 440 (FM)

Koordinerbar, 1-polet N-PE-lynstrømsafleder; FM-udgave med fjernmeldekontakt til fjernovervågning (potentialfri skiftekontakt).

2 Products

Part No. 961160 DGPM 440

GTIN 4013364116290, Customs tariff No. (EU): 85363030, Gross weight: 415.00 g, PU: 1.00 Pakkestørrelse


Images

Additional information

N-PE-lynstrømsafleder DEHNgap Maxi 440
Koordineret N-PE-lynstrømsafleder, bredde 2TE
Afleder type 1 iht. EN 61643-11
RADAX-flow-gnistgabteknologi
Fejlvisning
Lynimpulsstrøm (10/350): 100 kA
Restspænding: <= 2,5 kV
Følgestrømsslukkeevne: 100 Aeff ved 440 V vekselstrøm
TOV-modstand: 1200 V/200 ms

fabrikat: DEHN
Type: DGPM 440
artikelnr.: 961160
eller tilsvarende

 

Wave breaker function

In the case of spark-gap-based type 1 arresters, the entire current flows through the type 1 arrester during the discharge process. Like a wave breaker, the incoming energy is greatly broken down, which significantly relieves the downstream SPDs. All type 1 arresters in the Red/Line product range feature the WBF wave breaker function.

Technical data

Afleder efter EN 61643-11 / IEC 61643-11 Type 1 / klasse I
Max. driftsspænding AC (UC ) 440 V (50 / 60 Hz)
Lynstødstrøm (10/350 µs) (Iimp ) 100 kA
Restspænding (UP ) ≤ 2,5 kV
Godkendelser UL

Product 961160 was added to Notepad.

Product 961160 was added to the cart.

Part No. 961165 DGPM 440 FM

GTIN 4013364116306, Customs tariff No. (EU): 85363030, Gross weight: 418.00 g, PU: 1.00 Pakkestørrelse


Images

Additional information

N-PE-lynstrømsafleder DEHNgap Maxi 440 FM
Koordineret N-PE-lynstrømsafleder, bredde 2TE
med fjernmeldekontakt
Afleder type 1 iht. EN 61643-11
RADAX-flow-gnistgabteknologi
Fejlvisning
Lynimpulsstrøm (10/350): 100 kA
Restspænding: <= 2,5 kV
Følgestrømsslukkeevne: 100 Aeff ved 440 V vekselstrøm
TOV-modstand: 1200 V/200 ms

fabrikat: DEHN
Type: DGPM 440 FM
artikelnr.: 961165
eller tilsvarende

 

Wave breaker function

In the case of spark-gap-based type 1 arresters, the entire current flows through the type 1 arrester during the discharge process. Like a wave breaker, the incoming energy is greatly broken down, which significantly relieves the downstream SPDs. All type 1 arresters in the Red/Line product range feature the WBF wave breaker function.

Technical data

Afleder efter EN 61643-11 / IEC 61643-11 Type 1 / klasse I
Max. driftsspænding AC (UC ) 440 V (50 / 60 Hz)
Lynstødstrøm (10/350 µs) (Iimp ) 100 kA
Restspænding (UP ) ≤ 2,5 kV
Godkendelser UL
FM-kontakt / kontaktform Skiftekontakt

Product 961165 was added to Notepad.

Product 961165 was added to the cart.


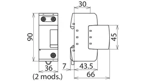
DEHNgap H M 255

Modulær, 1-polet N-PE-lynstrømsafleder.

1 Product

Part No. 961102 DGPH M 255

GTIN 4013364118690, Customs tariff No. (EU): 85363030, Gross weight: 300.00 g, PU: 1.00 Pakkestørrelse

Predecessor

Images

Additional information

Modulær N-PE-lynstrømsafleder DEHNgap H M 255
Enpolet, modulær, stikbar, koordineret
N-PE-lynstrømsafleder, bredde 2TE
Afleder type 1 iht. EN 61643-11
Trykstyret-kapsel-slukkegnistgab
Lynimpulsstrøm (10/350): 100 kA
Beskyttelsesniveau: <= 4 kV
Følgestrømsslukkeevne: 100 Aeff ved 255 V vekselstrøm
TOV-modstand: 1200 V/200 ms
Energetisk koordination iht. DIN EN 62305-4
direkte til N-PE-afleder DEHNgap C S i Red/Line-serien

fabrikat: DEHN
Type: DGPH M 255
artikelnr.: 961102
eller tilsvarende

Certificates

 

Wave breaker function

In the case of spark-gap-based type 1 arresters, the entire current flows through the type 1 arrester during the discharge process. Like a wave breaker, the incoming energy is greatly broken down, which significantly relieves the downstream SPDs. All type 1 arresters in the Red/Line product range feature the WBF wave breaker function.

Technical data

Afleder efter EN 61643-11 / IEC 61643-11 Type 1 / klasse I
Max. driftsspænding AC (UC ) 255 V (50 / 60 Hz)
Lynstødstrøm (10/350 µs) (Iimp ) 100 kA
Restspænding (UP ) ≤ 4 kV

Product 961102 was added to Notepad.

Product 961102 was added to the cart.


back to top