DEHNsecure modular

  • Koordinerbar, gnistgabsbaseret lynstrømsafleder bestående af en basisdel og et stikbart beskyttelsesmodul
  • Gnistgabsbaseret teknologi, særligt egnet til brug i DC-anlæg
  • Høj lynstrømsafledeevne på 25 kA (10/350 µs)
  • Direkte koordinerbar med DEHNguard SE DC ...-overspændingsafledere
  • Lav restspænding
  • Funktions-/fejlindikation ved grøn/rød markering
  • Beskyttelsesmoduler skiftes let uden værktøj ved at trykke på beskyttelsesmodulets udløseknapper

DEHNsecure M 1 ...

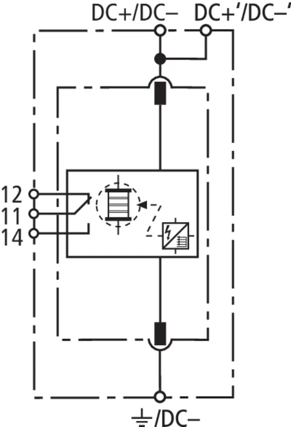
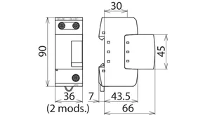
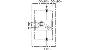
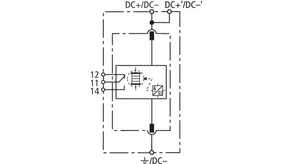
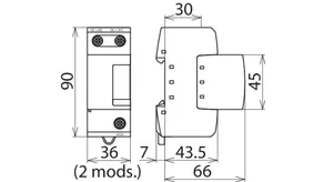
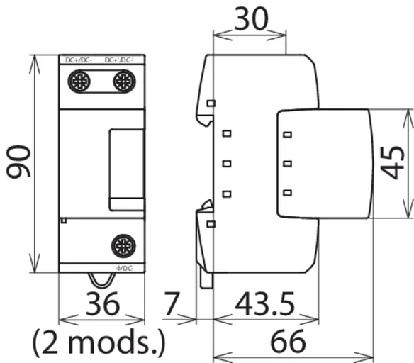
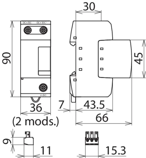
1-polet, koordinerbar og modulær lynstrømsafleder til DC-anlæg.

3 Products

Part No. 971121 DSE M 1 60

GTIN 4013364138582, Customs tariff No. (EU): 85363090, Gross weight: 300.00 g, PU: 1.00 Pakkestørrelse


Images

Additional information

Koordineret lynstrømsafleder DEHNsecure M 1 60
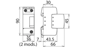
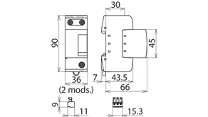
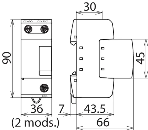
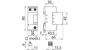
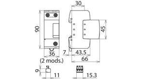
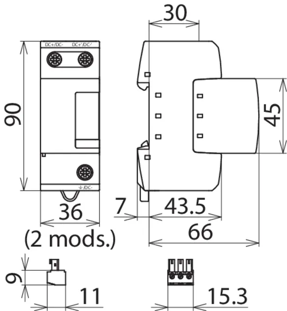
Enpolet, modulær, stikbar, koordineret lynstrømsafleder
til jævnstrømsanvendelser, bredde 2TE
Afleder type 1 iht. EN 61643-11
Gnistgabsteknologi, velegnet til brug i
jævnstrømsanlæg
Fejlvisning
Maks. driftsspænding 60 V DC
Beskyttelsesniveau: <= 1,5 kV
Lynimpulsstrøm (10/350): 25 kA
Kortslutningsbæreevne jævnstrøm: 25 kA
Energetisk koordination iht. DIN EN 62305-4
Afleder i Red/Line-serien

fabrikat: DEHN
Type: DSE M 1 60
artikelnr.: 971121
eller tilsvarende

Certificates

 

Wave breaker function

In the case of spark-gap-based type 1 arresters, the entire current flows through the type 1 arrester during the discharge process. Like a wave breaker, the incoming energy is greatly broken down, which significantly relieves the downstream SPDs. All type 1 arresters in the Red/Line product range feature the WBF wave breaker function.

Technical data

Afleder-klassifikation efter EN 61643-11 / IEC 61643-11 Type 1 / klasse I
Max. driftsspænding DC (UC ) 60 V
Lynstødstrøm (10/350 µs) (Iimp ) 25 kA
Restspænding (UP ) ≤ 1,5 kV
Max. for-sikring 250 A gG
Godkendelser UL
Udvidede tekniske data: Anvendelse i nødbelysning

Product 971121 was added to Notepad.

Product 971121 was added to the cart.

Part No. 971120 DSE M 1 220

GTIN 4013364133631, Customs tariff No. (EU): 85363090, Gross weight: 268.20 g, PU: 1.00 Pakkestørrelse


Images

Additional information

Koordineret lynstrømsafleder DEHNsecure M 1 220
Enpolet, modulær, stikbar, koordineret lynstrømsafleder
til jævnstrømsanvendelser, bredde 2TE
Afleder type 1 iht. EN 61643-11
Gnistgabsteknologi, velegnet til brug i
jævnstrømsanlæg
Fejlvisning
Maks. driftsspænding 220 V DC
Beskyttelsesniveau: <= 2,5 kV
Lynimpulsstrøm (10/350): 25 kA
Kortslutningsbæreevne jævnstrøm: 25 kA
Energetisk koordination iht. DIN EN 62305-4
Afleder i Red/Line-serien

fabrikat: DEHN
Type: DSE M 1 220
artikelnr.: 971120
eller tilsvarende

Certificates

 

Wave breaker function

In the case of spark-gap-based type 1 arresters, the entire current flows through the type 1 arrester during the discharge process. Like a wave breaker, the incoming energy is greatly broken down, which significantly relieves the downstream SPDs. All type 1 arresters in the Red/Line product range feature the WBF wave breaker function.

Technical data

Afleder-klassifikation efter EN 61643-11 / IEC 61643-11 Type 1 / klasse I
Max. driftsspænding DC (UC ) 220 V
Lynstødstrøm (10/350 µs) (Iimp ) 25 kA
Restspænding (UP ) ≤ 2,5 kV
Max. for-sikring 250 A gG
Udvidede tekniske data: Anvendelse i nødbelysning

Product 971120 was added to Notepad.

Product 971120 was added to the cart.

Part No. 971122 DSE M 1 242

GTIN 4013364144477, Customs tariff No. (EU): 85363090, Gross weight: 273.70 g, PU: 1.00 Pakkestørrelse


Images

Additional information

Koordineret lynstrømsafleder DEHNsecure M 1 242
Enpolet, modulær, stikbar, koordineret lynstrømsafleder
til jævnstrømsanvendelser, bredde 2TE
Afleder type 1 iht. EN 61643-11
Gnistgabsteknologi, velegnet til brug i
jævnstrømsanlæg
Fejlvisning
Maks. driftsspænding 242 V jævnstrøm
Beskyttelsesniveau: <= 2,5 kV
Lynimpulsstrøm (10/350): 25 kA
Kortslutningsbæreevne jævnstrøm: 25 kA
Energetisk koordination iht. DIN EN 62305-4
Afleder i Red/Line-serien

fabrikat: DEHN
Type: DSE M 1 242
artikelnr.: 971122
eller tilsvarende

Certificates

 

Wave breaker function

In the case of spark-gap-based type 1 arresters, the entire current flows through the type 1 arrester during the discharge process. Like a wave breaker, the incoming energy is greatly broken down, which significantly relieves the downstream SPDs. All type 1 arresters in the Red/Line product range feature the WBF wave breaker function.

Technical data

Afleder-klassifikation efter EN 61643-11 / IEC 61643-11 Type 1 / klasse I
Max. driftsspænding DC (UC ) 242 V
Lynstødstrøm (10/350 µs) (Iimp ) 25 kA
Restspænding (UP ) ≤ 2,5 kV
Max. for-sikring 250 A gG
Udvidede tekniske data: Anvendelse i nødbelysning
– Maks. driftsspænding AC (UC ) 255 V

Product 971122 was added to Notepad.

Product 971122 was added to the cart.


DEHNsecure M 1 ... FM

1-polet, koordinerbar og modulær lynstrømsafleder til DC-anlæg; med fjernmeldekontakt til fjernovervågning (potentialfri skiftekontakt).

3 Products

Part No. 971126 DSE M 1 60 FM

GTIN 4013364138599, Customs tariff No. (EU): 85363090, Gross weight: 304.00 g, PU: 1.00 Pakkestørrelse


Images

Additional information

Koordineret lynstrømsafleder DEHNsecure M 1 60 FM
Enpolet, modulær, stikbar, koordineret lynstrømsafleder
til jævnstrømsanvendelser, bredde 2TE
med fjernmeldekontakt
Afleder type 1 iht. EN 61643-11
Gnistgabsteknologi, velegnet til brug i
jævnstrømsanlæg
Fejlvisning
Maks. driftsspænding 60 V DC
Beskyttelsesniveau: <= 1,5 kV
Lynimpulsstrøm (10/350): 25 kA
Kortslutningsbæreevne jævnstrøm: 25 kA
Energetisk koordination iht. DIN EN 62305-4
Afleder i Red/Line-serien

fabrikat: DEHN
Type: DSE M 1 60 FM
artikelnr.: 971126
eller tilsvarende

Certificates

 

Wave breaker function

In the case of spark-gap-based type 1 arresters, the entire current flows through the type 1 arrester during the discharge process. Like a wave breaker, the incoming energy is greatly broken down, which significantly relieves the downstream SPDs. All type 1 arresters in the Red/Line product range feature the WBF wave breaker function.

Technical data

Afleder-klassifikation efter EN 61643-11 / IEC 61643-11 Type 1 / klasse I
Max. driftsspænding DC (UC ) 60 V
Lynstødstrøm (10/350 µs) (Iimp ) 25 kA
Restspænding (UP ) ≤ 1,5 kV
Max. for-sikring 250 A gG
Godkendelser UL
FM-kontakt / kontaktform Skiftekontakt
Udvidede tekniske data: Til brug i sikkerhedsbelysning

Product 971126 was added to Notepad.

Product 971126 was added to the cart.

Part No. 971125 DSE M 1 220 FM

GTIN 4013364133648, Customs tariff No. (EU): 85363090, Gross weight: 241.90 g, PU: 1.00 Pakkestørrelse


Images

Additional information

Koordineret lynstrømsafleder DEHNsecure M 1 220 FM
Enpolet, modulær, stikbar, koordineret lynstrømsafleder
til jævnstrømsanvendelser, bredde 2TE
med fjernmeldekontakt
Afleder type 1 iht. EN 61643-11
Gnistgabsteknologi, velegnet til brug i
jævnstrømsanlæg
Fejlvisning
Maks. driftsspænding 220 V DC
Beskyttelsesniveau: <= 2,5 kV
Lynimpulsstrøm (10/350): 25 kA
Kortslutningsbæreevne jævnstrøm: 25 kA
Energetisk koordination iht. DIN EN 62305-4
Afleder i Red/Line-serien

fabrikat: DEHN
Type: DSE M 1 220 FM
artikelnr.: 971125
eller tilsvarende

Certificates

 

Wave breaker function

In the case of spark-gap-based type 1 arresters, the entire current flows through the type 1 arrester during the discharge process. Like a wave breaker, the incoming energy is greatly broken down, which significantly relieves the downstream SPDs. All type 1 arresters in the Red/Line product range feature the WBF wave breaker function.

Technical data

Afleder-klassifikation efter EN 61643-11 / IEC 61643-11 Type 1 / klasse I
Max. driftsspænding DC (UC ) 220 V
Lynstødstrøm (10/350 µs) (Iimp ) 25 kA
Restspænding (UP ) ≤ 2,5 kV
Max. for-sikring 250 A gG
FM-kontakt / kontaktform Skiftekontakt
Udvidede tekniske data: Til brug i sikkerhedsbelysning

Product 971125 was added to Notepad.

Product 971125 was added to the cart.

Part No. 971127 DSE M 1 242 FM

GTIN 4013364144484, Customs tariff No. (EU): 85363090, Gross weight: 269.50 g, PU: 1.00 Pakkestørrelse


Images

Additional information

Koordineret lynstrømsafleder DEHNsecure M 1 242 FM
Enpolet, modulær, stikbar, koordineret lynstrømsafleder, bredde 2TE
til jævnstrømsanvendelser, bredde 2TE
med fjernmeldekontakt
Afleder type 1 iht. EN 61643-11
Gnistgabsteknologi, velegnet til brug i
jævnstrømsanlæg
Fejlvisning
Maks. driftsspænding 242 V jævnstrøm
Beskyttelsesniveau: <= 2,5 kV
Lynimpulsstrøm (10/350): 25 kA
Kortslutningsbæreevne jævnstrøm: 25 kA
Energetisk koordination iht. DIN EN 62305-4
Afleder i Red/Line-serien

fabrikat: DEHN
Type: DSE M 1 242 FM
artikelnr.: 971127
eller tilsvarende

Certificates

 

Wave breaker function

In the case of spark-gap-based type 1 arresters, the entire current flows through the type 1 arrester during the discharge process. Like a wave breaker, the incoming energy is greatly broken down, which significantly relieves the downstream SPDs. All type 1 arresters in the Red/Line product range feature the WBF wave breaker function.

Technical data

Afleder-klassifikation efter EN 61643-11 / IEC 61643-11 Type 1 / klasse I
Max. driftsspænding DC (UC ) 242 V
Lynstødstrøm (10/350 µs) (Iimp ) 25 kA
Restspænding (UP ) ≤ 2,5 kV
Max. for-sikring 250 A gG
FM-kontakt / kontaktform Skiftekontakt
Udvidede tekniske data: Til brug i sikkerhedsbelysning
– Maks. driftsspænding AC (UC ) 255 V

Product 971127 was added to Notepad.

Product 971127 was added to the cart.


DEHNsecure M 2P ... (FM)

2-polet, koordinerbar og modulær lynstrømsafleder til DC-anlæg op til 60 V ("1+1"-kobling); FM-udgave med fjernmeldekontakt til fjernovervågning (potentialfri skiftekontakt)

2 Products

Part No. 971221 DSE M 2P 60

GTIN 4013364138612, Customs tariff No. (EU): 85363090, Gross weight: 638.00 g, PU: 1.00 Pakkestørrelse


Images

Additional information

Koordineret lynstrømsafleder DEHNsecure M 2P 60
Topolet, modulær, stikbar, koordineret lynstrømsafleder
til jævnstrømsanvendelser, bredde 4TE
Afleder type 1 iht. EN 61643-11
Gnistgabsteknologi, velegnet til brug i
jævnstrømsanlæg
Fejlvisning
Maks. driftsspænding 60 V DC
Beskyttelsesniveau: <= 1,5 kV
Lynimpulsstrøm (10/350): 50 kA
Kortslutningsbæreevne jævnstrøm: 25 kA
Energetisk koordination iht. DIN EN 62305-4
Afleder i Red/Line-serien

fabrikat: DEHN
Type: DSE M 2P 60
artikelnr.: 971221
eller tilsvarende

Certificates

 

Wave breaker function

In the case of spark-gap-based type 1 arresters, the entire current flows through the type 1 arrester during the discharge process. Like a wave breaker, the incoming energy is greatly broken down, which significantly relieves the downstream SPDs. All type 1 arresters in the Red/Line product range feature the WBF wave breaker function.

Technical data

Afleder-klassifikation efter EN 61643-11 / IEC 61643-11 Type 1 / klasse I
Max. driftsspænding DC (UC ) 60 V
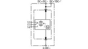
Lynstødstrøm (10/350 µs) (DC+/DC- -> DC-/DC+) / (DC-/DC+ -> 9) (Iimp ) 25 / 50 kA
Restspænding (DC+/DC- -> DC-/DC+) / (DC-/DC+ -> 9) (UP ) ≤ 1,5 / ≤ 1,5 kV
Max. for-sikring 250 A gG
Godkendelser UL

Product 971221 was added to Notepad.

Product 971221 was added to the cart.

Part No. 971226 DSE M 2P 60 FM

GTIN 4013364138629, Customs tariff No. (EU): 85363090, Gross weight: 675.00 g, PU: 1.00 Pakkestørrelse


Images

Additional information

Koordineret lynstrømsafleder DEHNsecure M 2P 60 FM
Topolet, modulær, stikbar, koordineret lynstrømsafleder
til jævnstrømsanvendelser, bredde 4TE
med fjernmeldekontakt
Afleder type 1 iht. EN 61643-11
Gnistgabsteknologi, velegnet til brug i
jævnstrømsanlæg
Fejlvisning
Maks. driftsspænding 60 V DC
Beskyttelsesniveau: <= 1,5 kV
Lynimpulsstrøm (10/350): 50 kA
Kortslutningsbæreevne jævnstrøm: 25 kA
Energetisk koordination iht. DIN EN 62305-4
Afleder i Red/Line-serien

fabrikat: DEHN
Type: DSE M 2P 60 FM
artikelnr.: 971226
eller tilsvarende

Certificates

 

Wave breaker function

In the case of spark-gap-based type 1 arresters, the entire current flows through the type 1 arrester during the discharge process. Like a wave breaker, the incoming energy is greatly broken down, which significantly relieves the downstream SPDs. All type 1 arresters in the Red/Line product range feature the WBF wave breaker function.

Technical data

Afleder-klassifikation efter EN 61643-11 / IEC 61643-11 Type 1 / klasse I
Max. driftsspænding DC (UC ) 60 V
Lynstødstrøm (10/350 µs) (DC+/DC- -> DC-/DC+) / (DC-/DC+ -> 9) (Iimp ) 25 / 50 kA
Restspænding (DC+/DC- -> DC-/DC+) / (DC-/DC+ -> 9) (UP ) ≤ 1,5 / ≤ 1,5 kV
Max. for-sikring 250 A gG
Godkendelser UL
FM-kontakt / kontaktform Skiftekontakt

Product 971226 was added to Notepad.

Product 971226 was added to the cart.


DEHNsecure NG 2P 60 FM

Topolet, modulær, koordineret lynstrømsafleder til jævnstrømsanvendelser op til 60 V (1+1-kobling). FM-udgave med potentialfri fjernmeldekontakt.

1 Product

Part No. 971222 DSE NG 2P 60 FM

GTIN 4013364489523, Customs tariff No. (EU): 85363090, Gross weight: 507.00 g, PU: 1.00 Pakkestørrelse


Images

Additional information

Koordineret lynstrømsafleder DEHNsecure NG 2P 60 FM
Topolet, modulær, stikbar,
koordineret lynstrømsafleder
til jævnstrømsanvendelser, bredde 4TE
med fjernmeldekontakt
Afleder type 1 iht. EN 61643-11
Gnistgabsteknologi, velegnet til brug i
jævnstrømsanlæg
Fejlvisning
Maks. driftsspænding 60 V DC
Beskyttelsesniveau: <= 1,5 kV
Lynimpulsstrøm (10/350): 50 kA
Kortslutningsbæreevne jævnstrøm: 10 kA
Energetisk koordination iht. DIN EN 62305-4
Afleder i Red/Line-serien

fabrikat: DEHN
Type: DSE NG 2P 60 FM
artikelnr.: 971222
eller tilsvarende

 

Wave breaker function

In the case of spark-gap-based type 1 arresters, the entire current flows through the type 1 arrester during the discharge process. Like a wave breaker, the incoming energy is greatly broken down, which significantly relieves the downstream SPDs. All type 1 arresters in the Red/Line product range feature the WBF wave breaker function.

Technical data

Afleder-klassifikation efter EN 61643-11 / IEC 61643-11 Type 1 / klasse I
Max. driftsspænding DC (UC ) 60 V
Lynstødstrøm (10/350 µs) (DC+/DC- -> DC-/DC+) / (DC-/DC+ -> 9) (Iimp ) 25 / 50 kA
Restspænding (DC+/DC- -> DC-/DC+) / (DC-/DC+ -> 9) (UP ) ≤ 1,5 / ≤ 1,5 kV
Max. for-sikring 250 A gG
FM-kontakt / kontaktform Skiftekontakt

Product 971222 was added to Notepad.

Product 971222 was added to the cart.


back to top