DEHNbloc modular

  • Koordinerbar, gnistgabsbaseret lynstrømsafleder bestående af basisdel og stikbart beskyttelsesmodul
  • Maksimal driftsikkerhed for anlægget med RADAX-Flow-følgestrømsbegrænsing
  • Selektiv med 32 A gL/gG-sikring op til 50 kAeff kortslutningsstrøm
  • Afledeevne: 50 kA (10/350 µs)
  • Direkte koordinerbar med DEHNguard overspændingsbeskyttelse uden ekstra mellemkobling
  • Lav restspænding
  • Funktions-/fejlvisning ved rød/grøn markering
  • Beskyttelsesmoduler skiftes let uden værktøj ved at trykke på beskyttelsesmodulets udløseknapper

Details

lorem ipsum

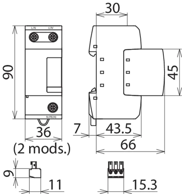
DEHNbloc M 1 ...

1-polet, koordinerbar og modulær lynstrømsafleder med en høj afledeevne.

3 Products

Part No. 961110 DB M 1 150

GTIN 4013364118560, Customs tariff No. (EU): 85363090, Gross weight: 333.40 g, PU: 1.00 Pakkestørrelse

Predecessor

Images

Additional information

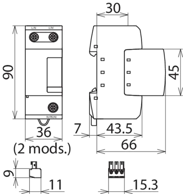
Koordineret lynstrømsafleder DEHNbloc M 1 150
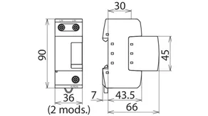
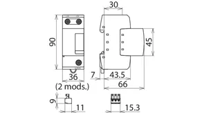
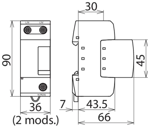
Enpolet, modulær, stikbar, koordineret lynstrømsafleder
med høj følgestrømsbegrænsning, bredde 2TE
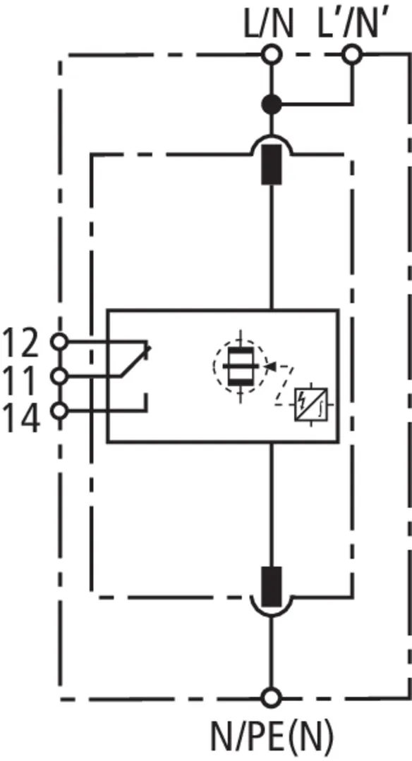
Afleder type 1 iht. EN 61643-11
RADAX-flow-gnistgabteknologi
til følgestrømsbegrænsning
Fejlvisning
Maks. driftsspænding 150 V AC
Beskyttelsesniveau: <= 1,5 kV
Lynimpulsstrøm (10/350): 35 kA
Følgestrømsslukkeevne: op til 50 kAeff
Energetisk koordination iht. DIN EN 62305-4
Afleder i Red/Line-serien

fabrikat: DEHN
Type: DB M 1 150
artikelnr.: 961110
eller tilsvarende

Certificates

 

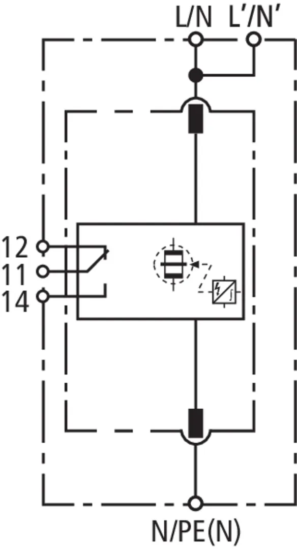
Wave breaker function

In the case of spark-gap-based type 1 arresters, the entire current flows through the type 1 arrester during the discharge process. Like a wave breaker, the incoming energy is greatly broken down, which significantly relieves the downstream SPDs. All type 1 arresters in the Red/Line product range feature the WBF wave breaker function.

Technical data

Afleder efter EN 61643-11 / IEC 61643-11 Type 1 / klasse I
Max. driftsspænding AC (UC ) 150 V (50 / 60 Hz)
Lynstødstrøm (10/350 µs) (Iimp ) 35 kA
Restspænding (UP ) ≤ 1,5 kV
Max. for-sikring (L) op til IK = 35 kAeff (ta ≤ 0.2 s) 500 A gG
Max. for-sikring (L) op til IK = 35 kAeff (ta ≤ 5 s) 315 A gG
Godkendelser UL, CSA

Product 961110 was added to Notepad.

Product 961110 was added to the cart.

Part No. 961120 DB M 1 255

GTIN 4013364118614, Customs tariff No. (EU): 85363090, Gross weight: 355.80 g, PU: 1.00 Pakkestørrelse

Predecessor

Images

Additional information

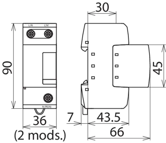
Koordineret lynstrømsafleder DEHNbloc M 1 255
Enpolet, modulær, stikbar, koordineret lynstrømsafleder
med høj følgestrømsbegrænsning, bredde 2TE
Afleder type 1 iht. EN 61643-11
RADAX-flow-gnistgabteknologi
til følgestrømsbegrænsning
Fejlvisning
Maks. driftsspænding 255 V AC
Beskyttelsesniveau: <= 2,5 kV
Lynimpulsstrøm (10/350): 50 kA
Følgestrømsslukkeevne op til 100 kAeff
Energetisk koordination iht. DIN EN 62305-4
Afleder i Red/Line-serien

fabrikat: DEHN
Type: DB M 1 255
artikelnr.: 961120
eller tilsvarende

Certificates

 

Wave breaker function

In the case of spark-gap-based type 1 arresters, the entire current flows through the type 1 arrester during the discharge process. Like a wave breaker, the incoming energy is greatly broken down, which significantly relieves the downstream SPDs. All type 1 arresters in the Red/Line product range feature the WBF wave breaker function.

Technical data

Afleder efter EN 61643-11 / IEC 61643-11 Type 1 / klasse I
Max. driftsspænding AC (UC ) 255 V (50 / 60 Hz)
Lynstødstrøm (10/350 µs) (Iimp ) 50 kA
Restspænding (UP ) ≤ 2,5 kV
Max. for-sikring (L) op til IK = 50 kAeff (ta ≤ 0.2 s) 500 A gG
Max. for-sikring (L) op til IK = 50 kAeff (ta ≤ 5 s) 315 A gG
Godkendelser VDE, KEMA, UL

Product 961120 was added to Notepad.

Product 961120 was added to the cart.

Part No. 961130 DB M 1 320

GTIN 4013364118638, Customs tariff No. (EU): 85363090, Gross weight: 341.00 g, PU: 1.00 Pakkestørrelse

Predecessor

Images

Additional information

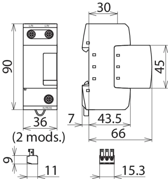
Koordineret lynstrømsafleder DEHNbloc M 1 320
Enpolet, modulær, stikbar, koordineret lynstrømsafleder
med høj følgestrømsbegrænsning, bredde 2TE
Afleder type 1 iht. EN 61643-11
RADAX-flow-gnistgabteknologi
til følgestrømsbegrænsning
Fejlvisning
Maks. driftsspænding 320 V AC
Beskyttelsesniveau: <= 2,5 kV
Lynimpulsstrøm (10/350): 25 kA
Følgestrømsslukkeevne: op til 50 kAeff
Energetisk koordination iht. DIN EN 62305-4
Afleder i Red/Line-serien

fabrikat: DEHN
Type: DB M 1 320
artikelnr.: 961130
eller tilsvarende

Certificates

 

Wave breaker function

In the case of spark-gap-based type 1 arresters, the entire current flows through the type 1 arrester during the discharge process. Like a wave breaker, the incoming energy is greatly broken down, which significantly relieves the downstream SPDs. All type 1 arresters in the Red/Line product range feature the WBF wave breaker function.

Technical data

Afleder efter EN 61643-11 / IEC 61643-11 Type 1 / klasse I
Max. driftsspænding AC (UC ) 320 V (50 / 60 Hz)
Lynstødstrøm (10/350 µs) (Iimp ) 25 kA
Restspænding (UP ) ≤ 2,5 kV
Max. for-sikring (L) op til IK = 50 kAeff (ta ≤ 0.2 s) 315 A gG
Max. for-sikring (L) op til IK = 50 kAeff (ta ≤ 5 s) 315 A gG
Godkendelser UL

Product 961130 was added to Notepad.

Product 961130 was added to the cart.


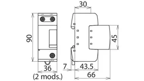
DEHNbloc M 1 ... FM

1-polet, koordinerbar, modulær lynstrømsafleder med høj afledeevne og fjernmeldekontakt til fjernovervågning (potentialfri skiftekontakt).

3 Products

Part No. 961115 DB M 1 150 FM

GTIN 4013364118577, Customs tariff No. (EU): 85363090, Gross weight: 337.30 g, PU: 1.00 Pakkestørrelse

Predecessor

Images

Additional information

Koordineret lynstrømsafleder DEHNbloc M 1 150 FM
Enpolet, modulær, stikbar, koordineret lynstrømsafleder
med høj følgestrømsbegrænsning
med fjernmeldekontakt, bredde 2TE
Afleder type 1 iht. EN 61643-11
RADAX-flow-gnistgabteknologi
til følgestrømsbegrænsning
Fejlvisning
Maks. driftsspænding 150 V AC
Beskyttelsesniveau: <= 1,5 kV
Lynimpulsstrøm (10/350): 35 kA
Følgestrømsslukkeevne: op til 50 kAeff
Energetisk koordination iht. DIN EN 62305-4
Afleder i Red/Line-serien

fabrikat: DEHN
Type: DB M 1 150 FM
artikelnr.: 961115
eller tilsvarende

Certificates

 

Wave breaker function

In the case of spark-gap-based type 1 arresters, the entire current flows through the type 1 arrester during the discharge process. Like a wave breaker, the incoming energy is greatly broken down, which significantly relieves the downstream SPDs. All type 1 arresters in the Red/Line product range feature the WBF wave breaker function.

Technical data

Afleder efter EN 61643-11 / IEC 61643-11 Type 1 / klasse I
Max. driftsspænding AC (UC ) 150 V (50 / 60 Hz)
Lynstødstrøm (10/350 µs) (Iimp ) 35 kA
Restspænding (UP ) ≤ 1,5 kV
Max. for-sikring (L) op til IK = 35 kAeff (ta ≤ 0.2 s) 500 A gG
Max. for-sikring (L) op til IK = 35 kAeff (ta ≤ 5 s) 315 A gG
Godkendelser UL, CSA

Product 961115 was added to Notepad.

Product 961115 was added to the cart.

Part No. 961125 DB M 1 255 FM

GTIN 4013364118621, Customs tariff No. (EU): 85363090, Gross weight: 359.30 g, PU: 1.00 Pakkestørrelse

Predecessor

Images

Additional information

Koordineret lynstrømsafleder DEHNbloc M 1 255 FM
Enpolet, modulær, stikbar, koordineret lynstrømsafleder
med høj følgestrømsbegrænsning
med fjernmeldekontakt, bredde 2TE
Afleder type 1 iht. EN 61643-11
RADAX-flow-gnistgabteknologi
til følgestrømsbegrænsning
Fejlvisning
Maks. driftsspænding 255 V AC
Beskyttelsesniveau: <= 2,5 kV
Lynimpulsstrøm (10/350): 50 kA
Følgestrømsslukkeevne op til 100 kAeff
Energetisk koordination iht. DIN EN 62305-4
Afleder i Red/Line-serien

fabrikat: DEHN
Type: DB M 1 255 FM
artikelnr.: 961125
eller tilsvarende

Certificates

 

Wave breaker function

In the case of spark-gap-based type 1 arresters, the entire current flows through the type 1 arrester during the discharge process. Like a wave breaker, the incoming energy is greatly broken down, which significantly relieves the downstream SPDs. All type 1 arresters in the Red/Line product range feature the WBF wave breaker function.

Technical data

Afleder efter EN 61643-11 / IEC 61643-11 Type 1 / klasse I
Max. driftsspænding AC (UC ) 255 V (50 / 60 Hz)
Lynstødstrøm (10/350 µs) (Iimp ) 50 kA
Restspænding (UP ) ≤ 2,5 kV
Max. for-sikring (L) op til IK = 50 kAeff (ta ≤ 0.2 s) 500 A gG
Max. for-sikring (L) op til IK = 50 kAeff (ta ≤ 5 s) 315 A gG
Godkendelser VDE, KEMA, UL

Product 961125 was added to Notepad.

Product 961125 was added to the cart.

Part No. 961135 DB M 1 320 FM

GTIN 4013364118645, Customs tariff No. (EU): 85363090, Gross weight: 346.00 g, PU: 1.00 Pakkestørrelse

Predecessor

Images

Additional information

Koordineret lynstrømsafleder DEHNbloc M 1 320 FM
Enpolet, modulær, stikbar, koordineret lynstrømsafleder
med høj følgestrømsbegrænsning,
med fjernmeldekontakt, bredde 2TE
Afleder type 1 iht. EN 61643-11
RADAX-flow-gnistgabteknologi
til følgestrømsbegrænsning
Fejlvisning
Maks. driftsspænding 320 V AC
Beskyttelsesniveau: <= 2,5 kV
Lynimpulsstrøm (10/350): 25 kA
Følgestrømsslukkeevne: op til 50 kAeff
Energetisk koordination iht. DIN EN 62305-4
Afleder i Red/Line-serien

fabrikat: DEHN
Type: DB M 1 320 FM
artikelnr.: 961135
eller tilsvarende

Certificates

 

Wave breaker function

In the case of spark-gap-based type 1 arresters, the entire current flows through the type 1 arrester during the discharge process. Like a wave breaker, the incoming energy is greatly broken down, which significantly relieves the downstream SPDs. All type 1 arresters in the Red/Line product range feature the WBF wave breaker function.

Technical data

Afleder efter EN 61643-11 / IEC 61643-11 Type 1 / klasse I
Max. driftsspænding AC (UC ) 320 V (50 / 60 Hz)
Lynstødstrøm (10/350 µs) (Iimp ) 25 kA
Restspænding (UP ) ≤ 2,5 kV
Max. for-sikring (L) op til IK = 50 kAeff (ta ≤ 0.2 s) 315 A gG
Max. for-sikring (L) op til IK = 50 kAeff (ta ≤ 5 s) 315 A gG
Godkendelser UL

Product 961135 was added to Notepad.

Product 961135 was added to the cart.


back to top