DEHNventil ZP

  • Kombiafleder Type 1 + Type 2 med RADAX-Flow-gnistgabsteknologi
  • Kan anvendes før måler efter VDE-AR-N 4100
  • Let og hurtig installation, klikkes fast på 40 mm-samleskinnesystem
  • Funktionskontrol med lysdiode ved tryk på tast
  • Selektiv med 35 A gG/gL-sikring op til 25 kAeff kortslutningsstrøm
  • Afledeevne op til 100 kA (10/350 µs)
  • Beskytter tilsluttede apparater
  • Størst mulig driftssikkerhed for anlægget

Details

lorem ipsum
lorem ipsum

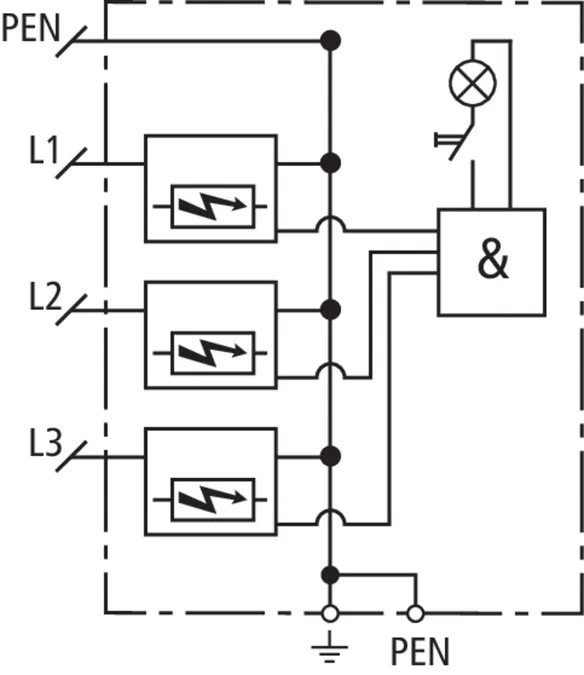
DEHNventil ZP TNC

Kombiafleder til TN-C-systemer til brug i hovedstrømforsyningssystemer ("3-0"-kobling).

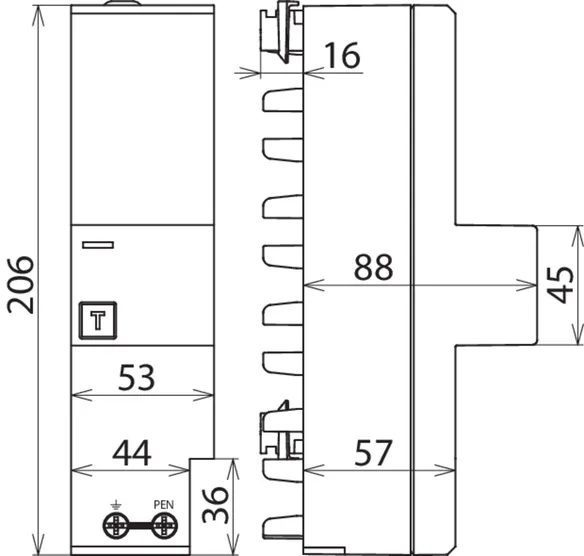
1 Product

Part No. 900390 DV ZP TNC 255

GTIN 4013364105751, Customs tariff No. (EU): 85363090, Gross weight: 957.00 g, PU: 1.00 Pakkestørrelse

Predecessor

Images

Additional information



fabrikat: DEHN
Type: DV ZP TNC 255
artikelnr.: 900390
eller tilsvarende

Certificates

 

Wave breaker function

In the case of spark-gap-based type 1 arresters, the entire current flows through the type 1 arrester during the discharge process. Like a wave breaker, the incoming energy is greatly broken down, which significantly relieves the downstream SPDs. All type 1 arresters in the Red/Line product range feature the WBF wave breaker function.

Technical data

Afleder efter EN 61643-11 / IEC 61643-11 Type 1 + Type 2 / klasse I + klasse II
Max. driftsspænding AC (UC ) 255 V (50 / 60 Hz)
Lynstødstrøm (10/350 µs) [L1+L2+L3-PEN] (Itotal ) 75 kA
Lynstødstrøm (10/350 µs) [L-PEN] (Iimp ) 25 kA
Restspænding (UP ) ≤ 1,5 kV
Max. for-sikring op til IK = 25 kAeff 315 A gG
Godkendelser VDE

Product 900390 was added to Notepad.

Product 900390 was added to the cart.


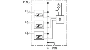
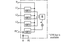
DEHNventil ZP TT

Kombiafleder til TT- og TN-S-systemer til brug i hovedstrømforsyningssystemer ("3+1"-kobling).

1 Product

Part No. 900391 DV ZP TT 255

GTIN 4013364105768, Customs tariff No. (EU): 85363090, Gross weight: 1.08 kg, PU: 1.00 Pakkestørrelse

Predecessor

Images

Additional information



fabrikat: DEHN
Type: DV ZP TT 255
artikelnr.: 900391
eller tilsvarende

Certificates

 

Wave breaker function

In the case of spark-gap-based type 1 arresters, the entire current flows through the type 1 arrester during the discharge process. Like a wave breaker, the incoming energy is greatly broken down, which significantly relieves the downstream SPDs. All type 1 arresters in the Red/Line product range feature the WBF wave breaker function.

Technical data

Afleder efter EN 61643-11 / IEC 61643-11 Type 1 + Type 2 / klasse I + klasse II
Max. driftsspænding AC (UC ) 255 V (50 / 60 Hz)
Lynstødstrøm (10/350 µs) [L1+L2+L3+N-PE] (Itotal ) 100 kA
Lynstødstrøm (10/350 µs) [L-N] (Iimp ) 25 kA
Lynstødstrøm (10/350 µs) [N-PE] (Iimp ) 100 kA
Restspænding [L-N] (UP ) ≤ 1,5 kV
Restspænding [N-PE] (UP ) ≤ 1,5 kV
Max. for-sikring op til IK = 25 kAeff 315 A gG
Godkendelser VDE

Product 900391 was added to Notepad.

Product 900391 was added to the cart.


back to top