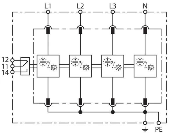
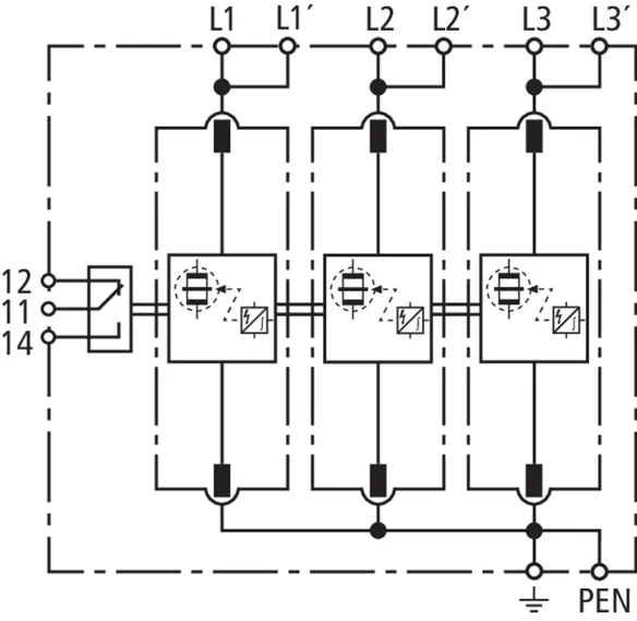
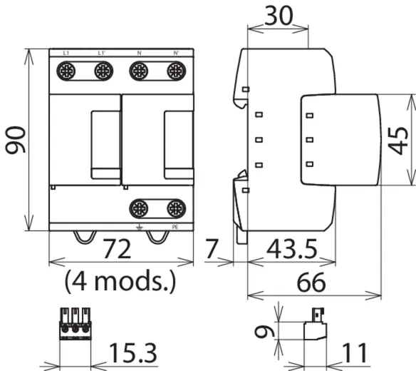
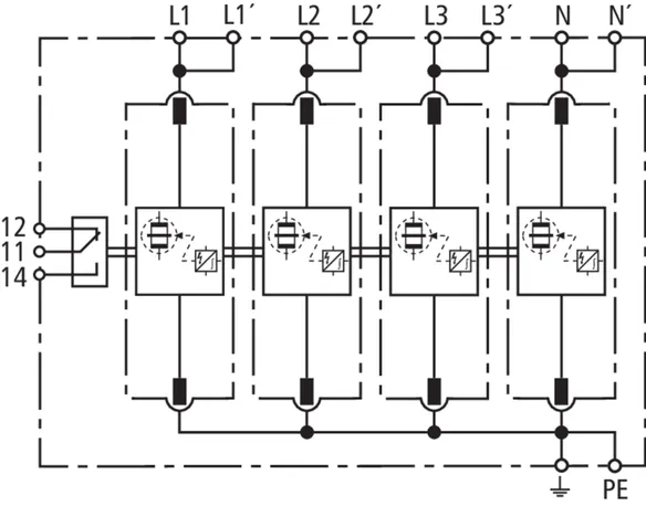
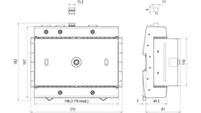
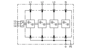
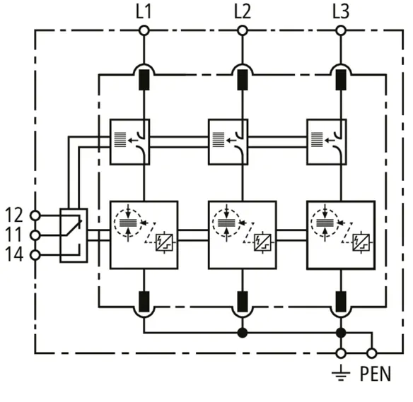
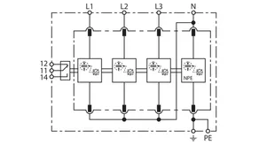
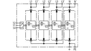
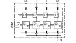
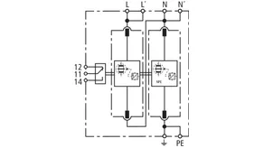
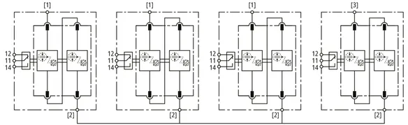
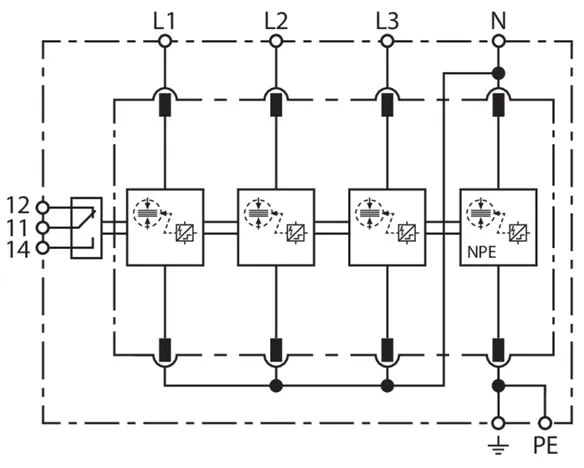
DEHNventil modular
- Komplet, gnistgabsbaseret Type 1 + 2 +3 kombiafleder, bestående af basisdel og ét enkelt stikbart beskyttelsesmodul
- Strømstærk og udstyrsskånende RAC-gnistgabsteknologi
- Selektiv med 20 A gG/gL-sikring op til 50 kAeff kortslutningsstrøm
- Afledeevne op til 100 kA (10/350 μs)
- Lav restspænding muliggør beskyttelse og betydeligt forlænget levetid af tilsluttet udstyr
- Funktions-/fejlvisning ved rød/grøn markering og overvågning af alle beskyttelsesveje
- Beskyttelsesmoduler skiftes let uden værktøj ved at trykke på beskyttelsesmodulets udløseknapper
Details
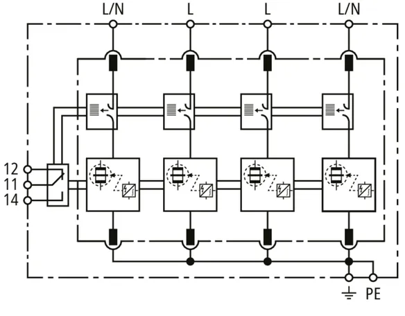
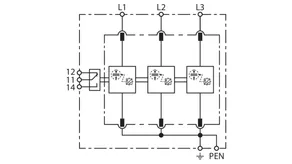
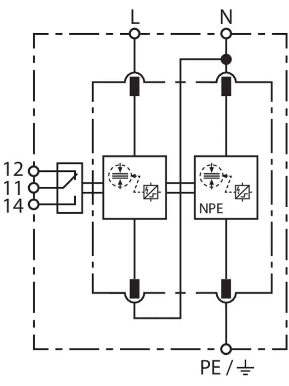
Part No. 956305 DV M2 TNC 255 FM
GTIN 4013364510586, Customs tariff No. (EU): 85363090, Gross weight: 519.19 g, PU: 1.00 Pakkestørrelse
PredecessorTechnical data
| Afleder efter EN 61643-11 / IEC 61643-11 | Type 1 + Type 2 + Type 3 / klasse I + klasse II + klasse III |
| Lynstødstrøm (10/350 µs) [L1+L2+L3-PEN] (Itotal ) | 75 kA |
| Lynstødstrøm (10/350 µs) [L-PEN] (Iimp ) | 25 kA |
| Restspænding (UP ) | ≤ 1,5 kV |
| Maksimal for-sikring (L) op til IK = 50 kAeff | 250 A gG |
| Godkendelser | VDE, KEMA, UL |
| FM-kontakt / kontaktform | Skiftekontakt |
| udvidede tekniske data: | Til brug i koblingsanlæg med prospektive kortslutningsstrømme på mere end 50 kAeff |
| – Max. prospektiv kortslutningsstrøm | 100 kAeff (220 kApeak) |
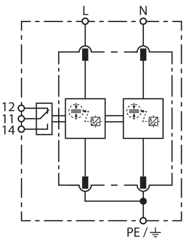
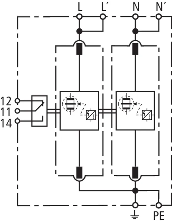
Part No. 956405 DV M2 TNS 255 FM
GTIN 4013364510562, Customs tariff No. (EU): 85363090, Gross weight: 583.68 g, PU: 1.00 Pakkestørrelse
PredecessorTechnical data
| Afleder efter EN 61643-11 / IEC 61643-11 | Type 1 + Type 2 + Type 3 / klasse I + klasse II + klasse III |
| Lynstødstrøm (10/350 µs) [L1+L2+L3+N-PE] (Itotal ) | 100 kA |
| Lynstødstrøm (10/350 µs) [L, N-PE] (Iimp ) | 25 kA |
| Restspænding [L-PE]/[N-PE] (UP ) | ≤ 1,5 / ≤ 1,5 kV |
| Maksimal for-sikring (L) op til IK = 50 kAeff | 250 A gG |
| Godkendelser | VDE, KEMA, UL |
| FM-kontakt / kontaktform | ja / skiftekontakt |
| udvidede tekniske data: | Til brug i koblingsanlæg med prospektive kortslutningsstrømme på mere end 50 kAeff |
| – Max. prospektiv kortslutningsstrøm | 100 kAeff (220 kApeak) |
Part No. 956315 DV M2 TT 255 FM
GTIN 4013364528963, Customs tariff No. (EU): 85363090, Gross weight: 616.00 g, PU: 1.00 Pakkestørrelse
Technical data
| Afleder efter EN 61643-11 / IEC 61643-11 | Type 1 + Type 2 + Type 3 / klasse I + klasse II + klasse III |
| Lynstødstrøm (10/350 µs) [L1+L2+L3+N-PE] (Itotal ) | 100 kA |
| Lynstødstrøm (10/350 µs) [L-N]/[N-PE] (Iimp ) | 25 / 100 kA |
| Restspænding [L-N]/[N-PE] (UP ) | ≤ 1,5 / ≤ 1,5 kV |
| Maksimal for-sikring (L) op til IK = 50 kAeff | 250 A gG |
| Godkendelser | VDE, KEMA, UL |
| FM-kontakt / kontaktform | ja / skiftekontakt |
| udvidede tekniske data: | Til brug i koblingsanlæg med prospektive kortslutningsstrømme på mere end 50 kAeff |
| – Max. prospektiv kortslutningsstrøm | 100 kAeff (220 kApeak) |
| Supplerende data: | --------------------------------- |
| – Restspænding [L-PE] (UP ) | 1,8 kV |
Part No. 956205 DV M2 TN 255 FM
GTIN 4013364510579, Customs tariff No. (EU): 85363090, Gross weight: 311.29 g, PU: 1.00 Pakkestørrelse
PredecessorTechnical data
| Afleder efter EN 61643-11 / IEC 61643-11 | Type 1 + Type 2 + Type 3 / klasse I + klasse II + klasse III |
| Lynstødstrøm (10/350 µs) [L+N-PE] (Itotal ) | 50 kA |
| Lynstødstrøm (10/350 µs) [L, N-PE] (Iimp ) | 25 kA |
| Restspænding [L-PE]/[N-PE] (UP ) | ≤ 1,5 / ≤ 1,5 kV |
| Maksimal for-sikring (L) op til IK = 50 kAeff | 250 A gG |
| Godkendelser | VDE, KEMA, UL |
| FM-kontakt / kontaktform | ja / skiftekontakt |
| udvidede tekniske data: | Til brug i koblingsanlæg med prospektive kortslutningsstrømme på mere end 50 kAeff |
| – Max. prospektiv kortslutningsstrøm | 100 kAeff (220 kApeak) |
Part No. 956115 DV M2 TT 2P 255 FM
GTIN 4013364546929, Customs tariff No. (EU): 85363090, Gross weight: 327.00 g, PU: 1.00 Pakkestørrelse
Technical data
| Afleder efter EN 61643-11 / IEC 61643-11 | Type 1 + Type 2 + Type 3 / klasse I + klasse II + klasse III |
| Lynstødstrøm (10/350 µs) [L+N-PE] (Itotal ) | 50 kA |
| Lynstødstrøm (10/350 µs) [L-N]/[N-PE] (Iimp ) | 25 / 50 kA |
| Restspænding [L-N]/[N-PE] (UP ) | ≤ 1,5 / ≤ 1,5 kV |
| Maksimal for-sikring (L) op til IK = 50 kAeff | 250 A gG |
| Godkendelser | VDE, KEMA, UL |
| FM-kontakt / kontaktform | ja / skiftekontakt |
| udvidede tekniske data: | Til brug i koblingsanlæg med prospektive kortslutningsstrømme på mere end 50 kAeff |
| – Max. prospektiv kortslutningsstrøm | 100 kAeff (220 kApeak) |
| Supplerende data: | --------------------------------- |
| – Restspænding [L-PE] (UP ) | 1,8 kV |
Part No. 951300 DV M TNC 255
GTIN 4013364108134, Customs tariff No. (EU): 85363090, Gross weight: 1004.00 g, PU: 1.00 Pakkestørrelse
PredecessorTechnical data
| Afleder efter EN 61643-11 / IEC 61643-11 | Type 1 + Type 2 / klasse I + klasse II |
| Lynstødstrøm (10/350 µs) [L1+L2+L3-PEN] (Itotal ) | 75 kA |
| Lynstødstrøm (10/350 µs) [L-PEN] (Iimp ) | 25 kA |
| Restspænding (UP ) | ≤ 1,5 kV |
| Maksimal for-sikring (L) op til IK = 50 kAeff | 315 A gG |
| Godkendelser | KEMA, VDE, UL |
| udvidede tekniske data: | Til brug i koblingsanlæg med prospektive kortslutningsstrømme på mere end 50 kAeff |
| – Max. prospektiv kortslutningsstrøm | 100 kAeff (220 kApeak) |
Part No. 951305 DV M TNC 255 FM
GTIN 4013364108141, Customs tariff No. (EU): 85363090, Gross weight: 1020.00 g, PU: 1.00 Pakkestørrelse
PredecessorTechnical data
| Afleder efter EN 61643-11 / IEC 61643-11 | Type 1 + Type 2 / klasse I + klasse II |
| Lynstødstrøm (10/350 µs) [L1+L2+L3-PEN] (Itotal ) | 75 kA |
| Lynstødstrøm (10/350 µs) [L-PEN] (Iimp ) | 25 kA |
| Restspænding (UP ) | ≤ 1,5 kV |
| Maksimal for-sikring (L) op til IK = 50 kAeff | 315 A gG |
| Godkendelser | KEMA, VDE, UL |
| FM-kontakt / kontaktform | Skiftekontakt |
| udvidede tekniske data: | Til brug i koblingsanlæg med prospektive kortslutningsstrømme på mere end 50 kAeff |
| – Max. prospektiv kortslutningsstrøm | 100 kAeff (220 kApeak) |
Part No. 951400 DV M TNS 255
GTIN 4013364108158, Customs tariff No. (EU): 85363090, Gross weight: 1.40 kg, PU: 1.00 Pakkestørrelse
PredecessorTechnical data
| Afleder efter EN 61643-11 / IEC 61643-11 | Type 1 + Type 2 / klasse I + klasse II |
| Lynstødstrøm (10/350 µs) [L1+L2+L3+N-PE] (Itotal ) | 100 kA |
| Lynstødstrøm (10/350 µs) [L, N-PE] (Iimp ) | 25 kA |
| Restspænding [L-PE]/[N-PE] (UP ) | ≤ 1,5 / ≤ 1,5 kV |
| Maksimal for-sikring (L) op til IK = 50 kAeff | 315 A gG |
| Godkendelser | KEMA, VDE, UL |
| udvidede tekniske data: | Til brug i koblingsanlæg med prospektive kortslutningsstrømme på mere end 50 kAeff |
| – Max. prospektiv kortslutningsstrøm | 100 kAeff (220 kApeak) |
Part No. 951405 DV M TNS 255 FM
GTIN 4013364108165, Customs tariff No. (EU): 85363090, Gross weight: 1.40 kg, PU: 1.00 Pakkestørrelse
PredecessorTechnical data
| Afleder efter EN 61643-11 / IEC 61643-11 | Type 1 + Type 2 / klasse I + klasse II |
| Lynstødstrøm (10/350 µs) [L1+L2+L3+N-PE] (Itotal ) | 100 kA |
| Lynstødstrøm (10/350 µs) [L, N-PE] (Iimp ) | 25 kA |
| Restspænding [L-PE]/[N-PE] (UP ) | ≤ 1,5 / ≤ 1,5 kV |
| Maksimal for-sikring (L) op til IK = 50 kAeff | 315 A gG |
| Godkendelser | KEMA, VDE, UL |
| FM-kontakt / kontaktform | Skiftekontakt |
| udvidede tekniske data: | Til brug i koblingsanlæg med prospektive kortslutningsstrømme på mere end 50 kAeff |
| – Max. prospektiv kortslutningsstrøm | 100 kAeff (220 kApeak) |
Part No. 951310 DV M TT 255
GTIN 4013364108172, Customs tariff No. (EU): 85363090, Gross weight: 1.31 kg, PU: 1.00 Pakkestørrelse
PredecessorTechnical data
| Afleder efter EN 61643-11 / IEC 61643-11 | Type 1 + Type 2 / klasse I + klasse II |
| Lynstødstrøm (10/350 µs) [L1+L2+L3+N-PE] (Itotal ) | 100 kA |
| Lynstødstrøm (10/350 µs) [L-N]/[N-PE] (Iimp ) | 25 / 100 kA |
| Restspænding [L-N]/[N-PE] (UP ) | ≤ 1,5 / ≤ 1,5 kV |
| Maksimal for-sikring (L) op til IK = 50 kAeff | 315 A gG |
| Godkendelser | KEMA, VDE, UL |
| udvidede tekniske data: | Til brug i koblingsanlæg med prospektive kortslutningsstrømme på mere end 50 kAeff |
| – Max. prospektiv kortslutningsstrøm | 100 kAeff (220 kApeak) |
| Supplerende data: | --------------------------------- |
| – Restspænding [L-PE] (UP ) | 2,2 kV |
Part No. 951315 DV M TT 255 FM
GTIN 4013364108189, Customs tariff No. (EU): 85363090, Gross weight: 1.32 kg, PU: 1.00 Pakkestørrelse
PredecessorTechnical data
| Afleder efter EN 61643-11 / IEC 61643-11 | Type 1 + Type 2 / klasse I + klasse II |
| Lynstødstrøm (10/350 µs) [L1+L2+L3+N-PE] (Itotal ) | 100 kA |
| Lynstødstrøm (10/350 µs) [L-N]/[N-PE] (Iimp ) | 25 / 100 kA |
| Restspænding [L-N]/[N-PE] (UP ) | ≤ 1,5 / ≤ 1,5 kV |
| Maksimal for-sikring (L) op til IK = 50 kAeff | 315 A gG |
| Godkendelser | KEMA, VDE, UL |
| FM-kontakt / kontaktform | Skiftekontakt |
| udvidede tekniske data: | Til brug i koblingsanlæg med prospektive kortslutningsstrømme på mere end 50 kAeff |
| – Max. prospektiv kortslutningsstrøm | 100 kAeff (220 kApeak) |
| Supplerende data: | --------------------------------- |
| – Restspænding [L-PE] (UP ) | 2,2 kV |
Part No. 951200 DV M TN 255
GTIN 4013364108097, Customs tariff No. (EU): 85363090, Gross weight: 754.00 g, PU: 1.00 Pakkestørrelse
PredecessorTechnical data
| Afleder efter EN 61643-11 / IEC 61643-11 | Type 1 + Type 2 / klasse I + klasse II |
| Lynstødstrøm (10/350 µs) [L+N-PE] (Itotal ) | 50 kA |
| Lynstødstrøm (10/350 µs) [L, N-PE] (Iimp ) | 25 kA |
| Restspænding [L-PE]/[N-PE] (UP ) | ≤ 1,5 / ≤ 1,5 kV |
| Maksimal for-sikring (L) op til IK = 50 kAeff | 315 A gG |
| Godkendelser | KEMA, VDE, UL, |
| udvidede tekniske data: | Til brug i koblingsanlæg med prospektive kortslutningsstrømme på mere end 50 kAeff |
| – Max. prospektiv kortslutningsstrøm | 100 kAeff (220 kApeak) |
Part No. 951205 DV M TN 255 FM
GTIN 4013364108103, Customs tariff No. (EU): 85363090, Gross weight: 698.50 g, PU: 1.00 Pakkestørrelse
PredecessorTechnical data
| Afleder efter EN 61643-11 / IEC 61643-11 | Type 1 + Type 2 / klasse I + klasse II |
| Lynstødstrøm (10/350 µs) [L+N-PE] (Itotal ) | 50 kA |
| Lynstødstrøm (10/350 µs) [L, N-PE] (Iimp ) | 25 kA |
| Restspænding [L-PE]/[N-PE] (UP ) | ≤ 1,5 / ≤ 1,5 kV |
| Maksimal for-sikring (L) op til IK = 50 kAeff | 315 A gG |
| Godkendelser | KEMA, VDE, UL |
| FM-kontakt / kontaktform | Skiftekontakt |
| udvidede tekniske data: | Til brug i koblingsanlæg med prospektive kortslutningsstrømme på mere end 50 kAeff |
| – Max. prospektiv kortslutningsstrøm | 100 kAeff (220 kApeak) |
Part No. 951110 DV M TT 2P 255
GTIN 4013364108110, Customs tariff No. (EU): 85363090, Gross weight: 688.59 g, PU: 1.00 Pakkestørrelse
PredecessorTechnical data
| Afleder efter EN 61643-11 / IEC 61643-11 | Type 1 + Type 2 / klasse I + klasse II |
| Lynstødstrøm (10/350 µs) [L+N-PE] (Itotal ) | 50 kA |
| Lynstødstrøm (10/350 µs) [L-N]/[N-PE] (Iimp ) | 25 / 50 kA |
| Restspænding [L-N]/[N-PE] (UP ) | ≤ 1,5 / ≤ 1,5 kV |
| Maksimal for-sikring (L) op til IK = 50 kAeff | 315 A gG |
| Godkendelser | KEMA, VDE, UL |
| udvidede tekniske data: | Til brug i koblingsanlæg med prospektive kortslutningsstrømme på mere end 50 kAeff |
| – Max. prospektiv kortslutningsstrøm | 100 kAeff (220 kApeak) |
| Supplerende data: | --------------------------------- |
| – Restspænding [L-PE] (UP ) | 2,2 kV |
Part No. 951115 DV M TT 2P 255 FM
GTIN 4013364108127, Customs tariff No. (EU): 85363090, Gross weight: 694.38 g, PU: 1.00 Pakkestørrelse
PredecessorTechnical data
| Afleder efter EN 61643-11 / IEC 61643-11 | Type 1 + Type 2 / klasse I + klasse II |
| Lynstødstrøm (10/350 µs) [L+N-PE] (Itotal ) | 50 kA |
| Lynstødstrøm (10/350 µs) [L-N]/[N-PE] (Iimp ) | 25 / 50 kA |
| Restspænding [L-N]/[N-PE] (UP ) | ≤ 1,5 / ≤ 1,5 kV |
| Maksimal for-sikring (L) op til IK = 50 kAeff | 315 A gG |
| Godkendelser | KEMA, VDE, UL |
| FM-kontakt / kontaktform | Skiftekontakt |
| udvidede tekniske data: | Til brug i koblingsanlæg med prospektive kortslutningsstrømme på mere end 50 kAeff |
| – Max. prospektiv kortslutningsstrøm | 100 kAeff (220 kApeak) |
| Supplerende data: | --------------------------------- |
| – Restspænding [L-PE] (UP ) | 2,2 kV |
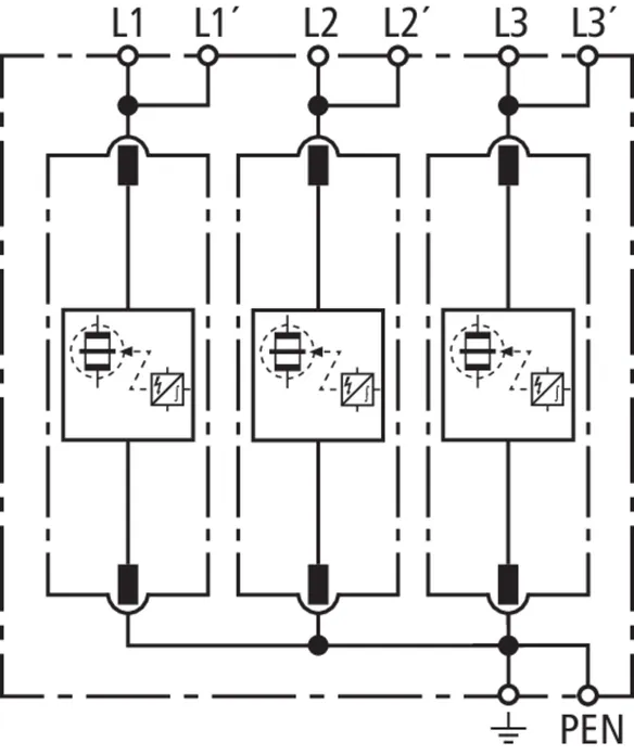
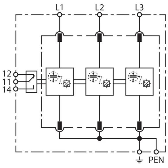
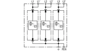
Part No. 961305 DV ACI M TNC 264 FM
GTIN 4013364513440, Customs tariff No. (EU): 85363090, Gross weight: 2.42 kg, PU: 1.00 Pakkestørrelse
Technical data
| SPD iht. EN 61643-11 / IEC 61643-11 | Type 1 + Type 2 + Type 3/Klasse I + klasse II + klasse III |
| Lynstødstrøm (10/350 µs) [L1+L2+L3-PEN] (Itotal ) | 75 kA |
| Lynstødstrøm (10/350 µs) [L-PEN] (Iimp ) | 25 kA |
| Restspænding (UP ) | ≤ 1,5 kV |
| udvidede tekniske data: | Til brug i koblingsanlæg med prospektive kortslutningsstrømme på mere end 50 kAeff |
| – Max. prospektiv kortslutningsstrøm | 100 kAeff (220 kApeak) |
Part No. 961405 DV ACI M TNS 264 FM
GTIN 4013364513365, Customs tariff No. (EU): 85363090, Gross weight: 2.42 kg, PU: 1.00 Pakkestørrelse
Technical data
| SPD iht. EN 61643-11 / IEC 61643-11 | Type 1 + Type 2 + Type 3/Klasse I + klasse II + klasse III |
| Lynstødstrøm (10/350 µs) [L1+L2+L3+N-PE] (Itotal ) | 100 kA |
| Lynstødstrøm (10/350 µs) [L, N-PE] (Iimp ) | 25 kA |
| Restspænding [L-PE]/[N-PE] (UP ) | ≤ 1,5 kV |
| udvidede tekniske data: | Til brug i koblingsanlæg med prospektive kortslutningsstrømme på mere end 50 kAeff |
| – Max. prospektiv kortslutningsstrøm | 100 kAeff (220 kApeak) |
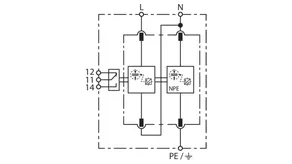
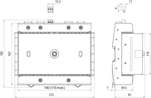
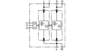
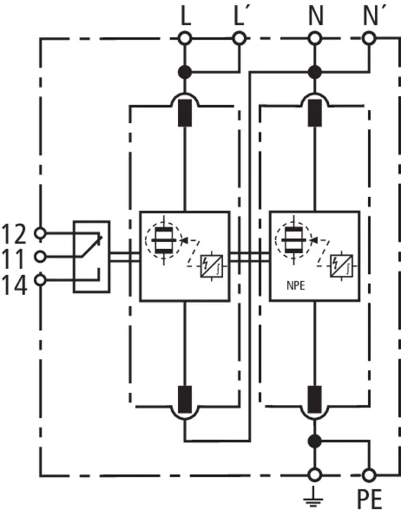
DEHNventil M2 880 FM
Sæt bestående af stikbare lyn- og overspændingsafledere inklusive isoleret modulledningsføringsskinne til anvendelse i vekselrettersystemer med aktiv Anti-PID med maksimal DC-offset på 750 V DC. Tilslutning af jordingsanlæggene iht. IEC 60364-4-44, tabel 44.A1 - RE- og Z- samt RE- og RA-forbundne.
1 Product
Part No. 961151 DV M2 880 FM
GTIN 4013364532557, Customs tariff No. (EU): 85363090, Gross weight: 1.07 kg, PU: 1.00 Pakkestørrelse
Technical data
| Afleder efter EN 61643-11 / IEC 61643-11 | Type 1 + Type 2 / Klasse I + Klasse II |
| Lynstødstrøm (10/350 µs) [1,2-3] (Iimp ) | 12,5 kA |
| Maks. backupsikring (L) op til IK = 50 kAeff (ta ≤ 5 s) | 250 A gG |
| Maksimal for-sikring (L) op til IK = 50 kAeff | 160 A gG |
| FM-kontakt / kontaktform | ja/omskifter |
| Supplerende data: | --------------------------------- |
| – Anti-PID spænding (U1-3 + UPID ) | 508 VAC + 750 VDC – Styrke |
