DEHNguard SE CI med indbygget for-sikring

  • Integreret aflederbackupsikring i beskyttelsesmodulet
  • brug ved højere, nominelle spændinger
  • Energetisk koordineret med andre afledere i Red/Line-serien
  • Høj afledeevne
  • Høj sikkerhed på grund af aflederovervågning med "Termodynamisk Kontrol"
  • Beskyttelsesmoduler skiftes let uden værktøj med modullåsesystem med moduludløserknap
  • Vibrations- og stødtestet iht. EN 60068-2

DEHNguard SE CI 440 FM

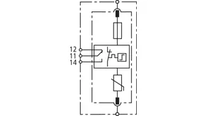
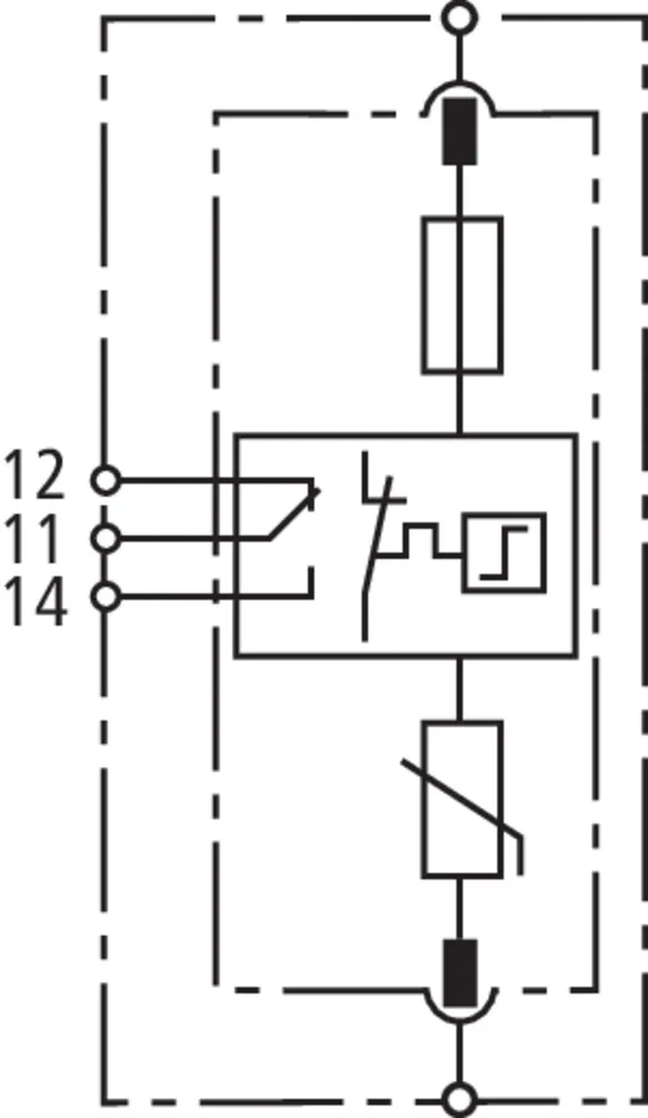
1-polet og modulær overspændingsafleder bestående af basisdel og stikbart beskyttelsesmodul; med integreret for-sikring og fjernmeldekontakt til fjernovervågning (potentialfri skiftekontakt).

1 Product

Part No. 952920 DG SE CI 440 FM

GTIN 4013364322622, Customs tariff No. (EU): 85363030, Gross weight: 178.00 g, PU: 1.00 Pakkestørrelse


Images

Additional information

Overspændingsafleder DEHNguard SE CI 440 FM
Enpolet, modulær, stikbar overspændingsafleder
med integreret backupsikring, bredde 1,5TE
med fjernmeldekontakt
afleder type 2 iht. EN 61643-11
mekanisk fejlvisning for afleder og integreret sikring
Maks. driftsspænding 440 V AC
Beskyttelsesniveau: <= 2 kV
Nominel afledningsstrøm 12,5 kA
Anvendes uden backupsikring i anlæg med en
kortslutningsstrøm på maks. 25 kAeff
Energetisk koordination iht. DIN EN 62305-4
Afleder i Red/Line-serien

fabrikat: DEHN
Type: DG SE CI 440 FM
artikelnr.: 952920
eller tilsvarende

Certificates

 

Circuit Interruption

The backup fuse is already integrated here. This means: reduced space requirement, lower installation costs, faster wiring, and shorter connecting cables. This concept can be found in the product ranges DEHNvenCI, DEHNbloc Maxi S, DEHNguard ... CI and V(A) NH...

Technical data

Afleder efter EN 61643-11 / IEC 61643-11 Type 2 / klasse II
Max. driftsspænding AC (UC ) 440 V (50 / 60 Hz)
Mærkeafledestødstrøm (8/20 µs) (In ) 12,5 kA
Restspænding (UP ) ≤ 2 kV
Max. overstrømsbeskyttelse på netsiden Ikke påkrævet
FM-kontakt / kontaktform Skiftekontakt

Product 952920 was added to Notepad.

Product 952920 was added to the cart.


DEHNguard SE CI WE 440 FM

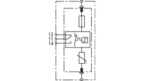
1-polet og modulær overspændingsafleder bestående af basisdel og stikbart beskyttelsesmodul; med integreret for-sikring og fjernmeldekontakt til fjernovervågning (potentialfri skiftekontakt).

1 Product

Part No. 952923 DG SE CI WE 440 FM

GTIN 4013364322639, Customs tariff No. (EU): 85363030, Gross weight: 184.00 g, PU: 1.00 Pakkestørrelse


Images

Additional information

Overspændingsafleder DEHNguard SE CI WE 440 FM
Enpolet, modulær, stikbar overspændingsafleder
med integreret backupsikring, bredde 1,5TE
med fjernmeldekontakt
afleder type 2 iht. EN 61643-11
mekanisk fejlvisning for afleder og integreret sikring
Maks. driftsspænding 440 V AC
Nominel Varistor-spænding: 750 V AC
Beskyttelsesniveau: <= 3 kV
Nominel afledningsstrøm 12,5 kA
Anvendes uden backupsikring i anlæg med en
kortslutningsstrøm på maks. 25 kAeff
Energetisk koordination iht. DIN EN 62305-4
Afleder i Red/Line-serien

fabrikat: DEHN
Type: DG SE CI WE 440 FM
artikelnr.: 952923
eller tilsvarende

Certificates

 

Circuit Interruption

The backup fuse is already integrated here. This means: reduced space requirement, lower installation costs, faster wiring, and shorter connecting cables. This concept can be found in the product ranges DEHNvenCI, DEHNbloc Maxi S, DEHNguard ... CI and V(A) NH...

Technical data

Afleder efter EN 61643-11 / IEC 61643-11 Type 2 / klasse II
Max. driftsspænding AC (UC ) 440 V (50 / 60 Hz)
Varistorspænding AC (Umov ) 750 V
Mærkeafledestødstrøm (8/20 µs) (In ) 12,5 kA
Restspænding (UP ) ≤ 3 kV
Max. overstrømsbeskyttelse på netsiden Ikke påkrævet
FM-kontakt / kontaktform Skiftekontakt

Product 952923 was added to Notepad.

Product 952923 was added to the cart.


back to top