Potentialudligningsskinner – telekommunikationsteknik

Jordingsskinner af NIRO (V4A) – robuste og holdbare løsninger til jordingsforbindelser til telekommunikationsteknik. De kan fås med 6 eller 3 tilslutningspunkter, og de giver optimal fleksibilitet og enkel installation med KS-forbindere eller fastgøring med skruer og møtrikker.

Godkendelse: iht. VG 96953-7

3 tilslutninger

1 Product

Part No. 472246 PAS 3AP M10 KSM10 V4A

GTIN 4013364459885, Customs tariff No. (EU): 85359000, Gross weight: 768.00 g, PU: 1.00 Pakkestørrelse


Images

Additional information

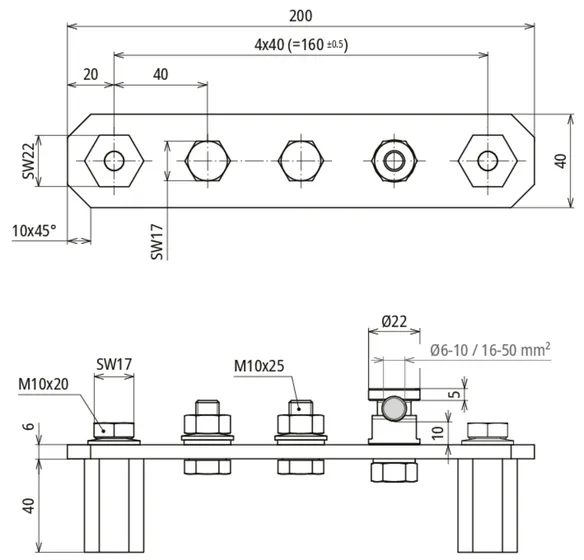
Potentialudligningsskinne af NIRO (V4A)
til påskruning med sekskantisolator
1x KS-forbinder, 2x skruer og møtrikker
Antal tilslutninger: 3
Tilslutninger: 1x KS-forbinder, 2x skruetilslutning M10
Materiale: NIRO (V4A)
Materiale-nr. : 1.4571 / 1.4404 / 1.4401
Mål: 200 x 40 x 6 mm
Tværsnit: 240 mm2
Kortslutningsstrøm (AC 50 Hz/DC): 8,9 kA
Skrue: M10 x 25 mm
Klemmeområde KS-forbinder rund: 6-10 mm
Godkendelse: iht. VG96953
Militærnavn: VG96953T07E

fabrikat: DEHN
Type: PAS 3AP M10 KSM10 V4A
artikelnr.: 472246
eller tilsvarende

Certificates

 

Technical data

Antal tilslutninger 3
Tilslutninger 1x KS-forbinder, 2x skruetilslutning M10
Materiale NIRO (V4A)
Mål (l x b x t1) 200 x 40 x 6 mm
Tværsnit 240 mm2
Kortslutningsstrøm (AC 50 Hz/DC) (1 s; ≤ 300 °C) 8,9 kA
Skrue di M10 x 25 mm
Klemmeområde KS-forbinder rund 6-10 mm
Godkendelse iht. VG96953

Product 472246 was added to Notepad.

Product 472246 was added to the cart.


6 tilslutninger

1 Product

Part No. 472245 PAS 6AP M8 M10 KSM10 V4A

GTIN 4013364449268, Customs tariff No. (EU): 85359000, Gross weight: 1.12 kg, PU: 1.00 Pakkestørrelse


Images

Additional information

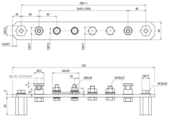
Potentialudligningsskinne af NIRO (V4A)
til påskruning med sekskantisolator
2x KS-forbinder, 1x Fl - 30 mm,
2x skruer og møtrikker
Antal tilslutninger: 6
Tilslutninger: 2x KS-forbindere, 1x laske Fl 30 mm, 2x skruetilslutning M10
Materiale: NIRO (V4A)
Materiale-nr. : 1.4571 / 1.4404 / 1.4401
Mål: 320 x 40 x 6 mm
Tværsnit: 240 mm2
Kortslutningsstrøm (AC 50 Hz/DC): 8,9 kA
Skrue: M8 x 30 mm / M10 x 25 mm
Klemmeområde KS-forbinder rund: 6-10 mm
Godkendelse: iht. VG96953
Militærnavn: VG96953T07D

fabrikat: DEHN
Type: PAS 6AP M8 M10 KSM10 V4A
artikelnr.: 472245
eller tilsvarende

Certificates

 

Technical data

Antal tilslutninger 6
Tilslutninger 2x KS-forbindere, 1x laske Fl 30 mm, 2x skruetilslutning M10
Materiale NIRO (V4A)
Mål (l x b x t1) 320 x 40 x 6 mm
Tværsnit 240 mm2
Kortslutningsstrøm (AC 50 Hz/DC) (1 s; ≤ 300 °C) 8,9 kA
Skrue di M8 x 30 mm / M10 x 25 mm
Klemmeområde KS-forbinder rund 6-10 mm
Godkendelse iht. VG96953

Product 472245 was added to Notepad.

Product 472245 was added to the cart.


back to top