Indfangermast til HVI-leder light på fladt tag

Komplet med 4-dels-tilslutningsplade til HVI-leder light og befæstigelsessæt til montage af lederen på indfangermasten.
Justerbar til taghældning op til 10°.
Betonsoklerne (17 kg hver) og underlægspladerne skal bestilles separat.

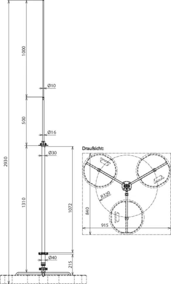
Indfangermast 30 til HVI light-leder SET I, samlet højde 2300 mm

1 Product

Part No. 819282 FM D30 L2300 DBS R320 GFK AL STTZN

GTIN 4013364252073, Customs tariff No. (EU): 85389099, Gross weight: 4.73 kg, PU: 1.00 Pakkestørrelse

Predecessor

Images

Additional information

Indfangermast til HVI light-leder på flade tage
komplet med firdobbelt tilslutningsplade til
HVI light-leder og fastgørelsessæt til montering
af ledningen på indfangermasten.
Til overholdelse af separationsafstanden til elektrisk
ledende dele iht. DIN EN 62305-3 (VDE 0185-305-3)
Isoleringsområde af glasfiberforstærket plast (GFK)
Rør Ø30 mm
materialefaktor km = 0,7
Farve: lysegrå, UV-stabiliseret
Indfangermast dimensioneret iht.
Eurocode 1 (DIN EN 1991-1-4 + DIN EN 1991-1-4/NA)
Tilpasning til taghældningen op til 10 grader.
Indfangermast 30 til HVI light-leder SET I
Samlet højde 2300 mm
Den stabelbare betonsokkel (varenr. 102 010) og
og underlægspladen (varenr. 102 050) skal bestilles separat
.
Højde: 2300 mm
Materiale (trefod): St/tZn
Radius (trefod): 320 mm
Materiale (støtterør): GFK / Al
Længde (støtterør): 1300 mm
Isoleringslængde: 1095 mm
Længde (indfangerspids): 1000 mm
Materiale (indfangerspids): Rustfrit
Maks. vindstyrke ved 3 sokler a 17 kg, 2 HVI light udvendig: 149 km/t
Standarder: DIN IEC/TS 62561-8 (VDE V 0185-561-8)

fabrikat: DEHN
Type: FM D30 L2300 DBS R320 GFK AL STTZN
artikelnr.: 819282
eller tilsvarende

Certificates

 

Technical data

Materiale (trefod) St/tZn
Radius (trefod) 320 mm
Materiale (støtterør) GFK / Al
Længde (støtterør) 1300 mm
Isoleringslængde 1095 mm
Længde (indfangerspids) 1000 mm
Materiale (indfangerspids) Rustfrit
Maks. vindstyrke ved 3 sokler a 17 kg, 2 HVI light udvendig 149 km/t
Standarder DIN IEC/TS 62561-8 (VDE V 0185-561-8)

Product 819282 was added to Notepad.

Product 819282 was added to the cart.


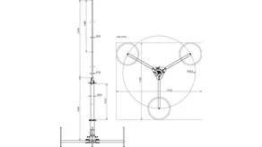
Indfangermast 30 til HVI light-leder SET II, samlet højde 2800 mm

1 Product

Part No. 819287 FM D30 L2800 DBS R320 GFK AL STTZN

GTIN 4013364252097, Customs tariff No. (EU): 85389099, Gross weight: 4.59 kg, PU: 1.00 Pakkestørrelse

Predecessor

Images

Additional information

Indfangermast til HVI light-leder på flade tage
komplet med firdobbelt tilslutningsplade til
HVI light-leder og fastgørelsessæt til montering
af ledningen på indfangermasten.
Til overholdelse af separationsafstanden til elektrisk
ledende dele iht. DIN EN 62305-3 (VDE 0185-305-3)
Isoleringsområde af glasfiberforstærket plast (GFK)
Rør Ø30 mm
materialefaktor km = 0,7
Farve: lysegrå, UV-stabiliseret
Indfangermast dimensioneret iht.
Eurocode 1 (DIN EN 1991-1-4 + DIN EN 1991-1-4/NA).
Tilpasning til taghældningen op til 10 grader.
Indfangermast D 30 til HVI light-leder SET II
Samlet højde 2800 mm
Den stabelbare betonsokkel (varenr. 102 010) og
og underlægspladen (varenr. 102 050) skal bestilles separat
.
Højde: 2800 mm
Materiale (trefod): St/tZn
Radius (trefod): 320 mm
Materiale (støtterør): GFK / Al
Længde (støtterør): 1300 mm
Isoleringslængde: 1095 mm
Længde (indfangerspids): 1500 mm
Materiale (indfangerspids): Al
Maks. vindstyrke ved 3 sokler a 17 kg, 2 HVI light udvendig: 132 km/t
Standarder: DIN IEC/TS 62561-8 (VDE V 0185-561-8)

fabrikat: DEHN
Type: FM D30 L2800 DBS R320 GFK AL STTZN
artikelnr.: 819287
eller tilsvarende

Certificates

 

Technical data

Materiale (trefod) St/tZn
Radius (trefod) 320 mm
Materiale (støtterør) GFK / Al
Længde (støtterør) 1300 mm
Isoleringslængde 1095 mm
Længde (indfangerspids) 1500 mm
Materiale (indfangerspids) Al
Maks. vindstyrke ved 3 sokler a 17 kg, 2 HVI light udvendig 132 km/t
Standarder DIN IEC/TS 62561-8 (VDE V 0185-561-8)

Product 819287 was added to Notepad.

Product 819287 was added to the cart.


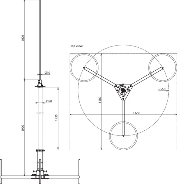
Indfangermast 50 til HVI light-leder SET I, samlet højde 2900 mm

1 Product

Part No. 819380 FM D50 10 2900 GFK AL DBS KB STTZN

GTIN 4013364241916, Customs tariff No. (EU): 85389099, Gross weight: 13.88 kg, PU: 1.00 Pakkestørrelse

Predecessor

Images

Additional information

Indfangermast til HVI light-leder på flade tage
komplet med firdobbelt tilslutningsplade til
HVI light-leder og fastgørelsessæt til montering
af ledningen på indfangermasten.
Til overholdelse af separationsafstanden til elektrisk
ledende dele iht. DIN EN 62305-3 (VDE 0185-305-3)
Isoleringsområde af glasfiberforstærket plast (GFK)
Rør Ø50 mm
materialefaktor km = 0,7
Farve: lysegrå, UV-stabiliseret
Indfangermasterne er dimensionerede iht.
Eurocode 1 (DIN EN 1991-1-4 + DIN EN 1991-1-4/NA) til en
en vindstyrke på maks. 203 km/t.
Tilpasning til taghældningen op til 10 grader.
Indfangermast 50 til HVI light-leder SET I
Samlet højde 2900 mm
Den stabelbare betonsokkel (varenr. 102 010) og
og underlægspladen (varenr. 102 050) skal bestilles separat.
Højde: 2900 mm
Materiale (trefod): St/tZn
Radius (trefod): 560 mm
Materiale (støtterør): GFK / Al
Længde (støtterør): 1900 mm
Isoleringslængde: 1535 mm
Længde (indfangerspids): 1000 mm
Materiale (indfangerspids): Rustfrit
Maks. vindstyrke ved 3 sokler a 17 kg, 2 HVI light udvendig: 121 km/t
Maks. vindstyrke ved 6 sokler a 17 kg, 2x HVI light udvendigt: 166 km/t
Maks. vindstyrke ved 9 sokler a 17 kg, 2x HVI light udvendigt: 203 km/t
Standarder: DIN IEC/TS 62561-8 (VDE V 0185-561-8)

fabrikat: DEHN
Type: FM D50 10 2900 GFK AL DBS KB STTZN
artikelnr.: 819380
eller tilsvarende

Certificates

 

Technical data

Materiale (trefod) St/tZn
Radius (trefod) 560 mm
Materiale (støtterør) GFK / Al
Længde (støtterør) 1900 mm
Isoleringslængde 1535 mm
Længde (indfangerspids) 1000 mm
Materiale (indfangerspids) Rustfrit
Maks. vindstyrke ved 3 sokler a 17 kg, 2 HVI light udvendig 121 km/t
Maks. vindstyrke ved 6 sokler a 17 kg, 2x HVI light udvendigt 166 km/t
Maks. vindstyrke ved 9 sokler a 17 kg, 2x HVI light udvendigt 203 km/t
Standarder DIN IEC/TS 62561-8 (VDE V 0185-561-8)

Product 819380 was added to Notepad.

Product 819380 was added to the cart.


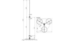
Indfangermast 50 til HVI light-leder SET II, samlet højde 3900 mm

1 Product

Part No. 819385 FM D50 16 10 3900 GFK AL DBS KB STTZN

GTIN 4013364241923, Customs tariff No. (EU): 85389099, Gross weight: 13.99 kg, PU: 1.00 Pakkestørrelse

Predecessor

Images

Additional information

Indfangermast til HVI light-leder på flade tage
komplet med firdobbelt tilslutningsplade til
HVI light-leder og fastgørelsessæt til montering
af ledningen på indfangermasten.
Til overholdelse af separationsafstanden til elektrisk
ledende dele iht. DIN EN 62305-3 (VDE 0185-305-3)
Isoleringsområde af glasfiberforstærket plast (GFK)
Rør Ø50 mm
materialefaktor km = 0,7
Farve: lysegrå, UV-stabiliseret
Indfangermasterne er dimensionerede iht.
Eurocode 1 (DIN EN 1991-1-4 + DIN EN 1991-1-4/NA) til en
en vindstyrke på maks. 179 km/t.
Tilpasning til taghældningen op til 10 grader.
Indfangermast 50 til HVI light-leder SET II
Samlet højde 3900 mm
Den stabelbare betonsokkel (varenr. 102 010) og
og underlægspladen (varenr. 102 050) skal bestilles separat.
Højde: 3900 mm
Materiale (trefod): St/tZn
Radius (trefod): 560 mm
Materiale (støtterør): GFK / Al
Længde (støtterør): 1900 mm
Isoleringslængde: 1535 mm
Længde (indfangerstang): 2000 mm
Materiale (indfangerstang): Al
Maks. vindstyrke ved 3 sokler a 17 kg, 2 HVI light udvendig: 110 km/t
Maks. vindstyrke ved 6 sokler a 17 kg, 2x HVI light udvendigt: 147 km/t
Maks. vindstyrke ved 9 sokler a 17 kg, 2x HVI light udvendigt: 179 km/t
Standarder: DIN IEC/TS 62561-8 (VDE V 0185-561-8)

fabrikat: DEHN
Type: FM D50 16 10 3900 GFK AL DBS KB STTZN
artikelnr.: 819385
eller tilsvarende

Certificates

 

Technical data

Materiale (trefod) St/tZn
Radius (trefod) 560 mm
Materiale (støtterør) GFK / Al
Længde (støtterør) 1900 mm
Isoleringslængde 1535 mm
Længde (indfangerstang) 2000 mm
Materiale (indfangerstang) Al
Maks. vindstyrke ved 3 sokler a 17 kg, 2 HVI light udvendig 110 km/t
Maks. vindstyrke ved 6 sokler a 17 kg, 2x HVI light udvendigt 147 km/t
Maks. vindstyrke ved 9 sokler a 17 kg, 2x HVI light udvendigt 179 km/t
Standarder DIN IEC/TS 62561-8 (VDE V 0185-561-8)

Product 819385 was added to Notepad.

Product 819385 was added to the cart.


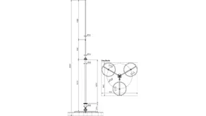
Indfangermast 50 til HVI light-leder SET III, samlet højde 4900 mm

1 Product

Part No. 819390 FM D50 22 16 10 4900 GFK AL DBS KB STTZN

GTIN 4013364241930, Customs tariff No. (EU): 85389099, Gross weight: 13.27 kg, PU: 1.00 Pakkestørrelse


Images

Additional information

Indfangermast til HVI light-leder på flade tage
komplet med firdobbelt tilslutningsplade til
HVI light-leder og fastgørelsessæt til montering
af ledningen på indfangermasten.
Til overholdelse af separationsafstanden til elektrisk
ledende dele iht. DIN EN 62305-3 (VDE 0185-305-3)
Isoleringsområde af glasfiberforstærket plast (GFK)
Rør Ø50 mm
materialefaktor km = 0,7
Farve: lysegrå, UV-stabiliseret
Indfangermasterne er dimensionerede iht.
Eurocode 1 (DIN EN 1991-1-4 + DIN EN 1991-1-4/NA) til en
en vindstyrke på maks. 147 km/t.
Tilpasning til taghældningen op til 10 grader.
Indfangermast 50 til HVI light-leder SET III
Samlet højde 4900 mm
Den stabelbare betonsokkel (varenr. 102 010) og
og underlægspladen (varenr. 102 050) skal bestilles separat.
Højde: 4900 mm
Materiale (trefod): St/tZn
Radius (trefod): 560 mm
Materiale (støtterør): GFK / Al
Længde (støtterør): 1900 mm
Isoleringslængde: 1535 mm
Længde (indfangerstang): 3000 mm
Materiale (indfangerstang): Al
Maks. vindstyrke ved 3 sokler a 17 kg, 2 HVI light udvendig: 97 km/t
Maks. vindstyrke ved 6 sokler a 17 kg, 2x HVI light udvendigt: 124 km/t
Maks. vindstyrke ved 9 sokler a 17 kg, 2x HVI light udvendigt: 147 km/t
Standarder: DIN IEC/TS 62561-8 (VDE V 0185-561-8)

fabrikat: DEHN
Type: FM D50 22 16 10 4900 GFK AL DBS KB STTZN
artikelnr.: 819390
eller tilsvarende

Certificates

 

Technical data

Materiale (trefod) St/tZn
Radius (trefod) 560 mm
Materiale (støtterør) GFK / Al
Længde (støtterør) 1900 mm
Isoleringslængde 1535 mm
Længde (indfangerstang) 3000 mm
Materiale (indfangerstang) Al
Maks. vindstyrke ved 3 sokler a 17 kg, 2 HVI light udvendig 97 km/t
Maks. vindstyrke ved 6 sokler a 17 kg, 2x HVI light udvendigt 124 km/t
Maks. vindstyrke ved 9 sokler a 17 kg, 2x HVI light udvendigt 147 km/t
Standarder DIN IEC/TS 62561-8 (VDE V 0185-561-8)

Product 819390 was added to Notepad.

Product 819390 was added to the cart.


back to top