Lederholder til HVI-leder i Ex-områder

Operatører af faciliteter med potentielt eksplosive atmosfærer er forpligtede til at specificere disse faciliteter/strukturer efter de forskellige kategorier af farlige områder. Til disse faciliteter skal lynnedslag overvejes som en mulig kilde til antændelse. Nationale regulationer omkring sikkerhed og helbred på arbejdspladser kræver dokumentation af beskyttelse imod eksplosioner med specifikationer på de enkelte farlige områder.

HVI-leder er til installation i eksplosionsfarlige områder, Ex-zone 1 (gas, dampe, tåge) såvel som Ex-zone 21 (støv). De specielle monteringsbetingelser forhindrer på sikker vis overslag til omkringliggende metalelementer, når lynstrømmen passerer gennem HVI-lederen.

Details

lorem ipsum
Skematisk illustration – installation i Ex-zone 1 og 21 på metalfacade.
lorem ipsum
lorem ipsum

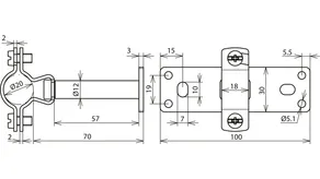
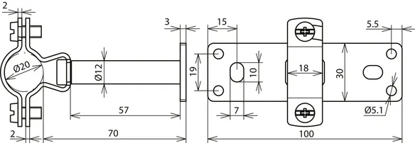
HVI-Ex W70-holder

Til befæstigelse på konstruktionsdele af metal (facader) i Ex-zone 1 og 21.

1 Product

Part No. 275440 LH ZS 20 EX W70 BP V2A

GTIN 4013364146914, Customs tariff No. (EU): 85389099, Gross weight: 164.60 g, PU: 10.00 Pakkestørrelse

Predecessor

Images

Additional information

Lederholder til HVI-leder i Ex-zoner NIRO
Lederholdere til HVI-leder i Ex-zoner med afstandsstykke
70 mm til fastgørelse på konstruktionsdele af metal
(facader) i Ex-zone 1 og 21
Lederholder (rund): 20 mm
Fastgørelse: [4x] Ø5,1 / [2x] 7 x 10 mm
Standarder: DIN IEC/TS 62561-8 (VDE V 0185-561-8)

fabrikat: DEHN
Type: LH ZS 20 EX W70 BP V2A
artikelnr.: 275440
eller tilsvarende

Certificates

 

Technical data

Materiale Rustfrit
Lederholder (rund) 20 mm
Vægafstand 70 mm
Fastgørelse [4x] Ø5,1 / [2x] 7 x 10 mm
Standarder DIN IEC/TS 62561-8 (VDE V 0185-561-8)

Product 275440 was added to Notepad.

Product 275440 was added to the cart.


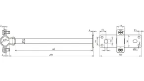
HVI-Ex W200-holder

Til befæstigelse på konstruktionsdele af metal (facader) i Ex-zone 1 og 21.

1 Product

Part No. 275441 LH ZS 20 EX W200 BP V2A

GTIN 4013364146921, Customs tariff No. (EU): 85389099, Gross weight: 255.60 g, PU: 10.00 Pakkestørrelse


Images

Additional information

Lederholdere til HVI-leder i Ex-zoner Ex W200-holder NIRO
Lederholdere til HVI-leder i Ex-zoner med afstandsstykke
200 mm til fastgørelse på konstruktionsdele af metal (facader)
i Ex-zone 1 og 21
Lederholder (rund): 20 mm
Fastgørelse: [4x] Ø5,1 / [2x] 7 x 10 mm
Standarder: DIN IEC/TS 62561-8 (VDE V 0185-561-8)

fabrikat: DEHN
Type: LH ZS 20 EX W200 BP V2A
artikelnr.: 275441
eller tilsvarende

Certificates

 

Technical data

Materiale Rustfrit
Lederholder (rund) 20 mm
Vægafstand 200 mm
Fastgørelse [4x] Ø5,1 / [2x] 7 x 10 mm
Standarder DIN IEC/TS 62561-8 (VDE V 0185-561-8)

Product 275441 was added to Notepad.

Product 275441 was added to the cart.


HVI-Ex-sløjfeskinne 500

Til føring af HVI-leder med lederholder HVI-Ex W70 (art.-nr. 275 440) på ikke-ledende struktur, eksempelvis sten og træ.

1 Product

Part No. 275498 VS EX 500 V2A

GTIN 4013364146945, Customs tariff No. (EU): 85389099, Gross weight: 320.00 g, PU: 10.00 Pakkestørrelse

Predecessor

Images

Additional information

Lederholdere til HVI-leder i Ex-zoner Ex-busbar 500 NIRO
Forbindelsesstiver til placering af HVI-lederen
med lederholdere HVI Ex (varenr. 275 440, 275 441)
på en ikke-ledende struktur, f.eks. sten eller træ
Materiale (stiver): Rustfrit
Fastgørelse: [4x] Ø5,5 / [2x] 7 x 10 mm
Mål: 450 x 30 x 3 mm

fabrikat: DEHN
Type: VS EX 500 V2A
artikelnr.: 275498
eller tilsvarende

Certificates

 

Technical data

Materiale (stiver) Rustfrit
Fastgørelse [4x] Ø5,5 / [2x] 7 x 10 mm
Mål (l x b x t) 450 x 30 x 3 mm

Product 275498 was added to Notepad.

Product 275498 was added to the cart.


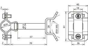
HVI-Ex P70-holder

Til befæstigelse på rør med eksempelvis rørklemme (art.-nr. 106 323) i Ex-zone 1 og 21.

1 Product

Part No. 275444 LH ZS 20 EX P70 SBB V2A

GTIN 4013364244252, Customs tariff No. (EU): 85389099, Gross weight: 173.20 g, PU: 10.00 Pakkestørrelse


Images

Additional information

Lederholder til HVI-leder i Ex-zoner NIRO
Lederholdere til HVI-leder i Ex-zoner med afstandsstykke
70 mm til fastgørelse på rør, f.eks. med rørspændebånd
(Varenr. 106 323, skal bestilles separat) i Ex-zonerne 1 og 21
Lederholder (rund): 20 mm
Klemmeområde (rør): 50-300 mm
Standarder: DIN IEC/TS 62561-8 (VDE V 0185-561-8)

fabrikat: DEHN
Type: LH ZS 20 EX P70 SBB V2A
artikelnr.: 275444
eller tilsvarende

Certificates

 

Technical data

Materiale Rustfrit
Lederholder (rund) 20 mm
Vægafstand 70 mm
Klemmeområde (rør) 50-300 mm
Standarder DIN IEC/TS 62561-8 (VDE V 0185-561-8)

Product 275444 was added to Notepad.

Product 275444 was added to the cart.


HVI-Ex P200-holder

Til befæstigelse på rør med eksempelvis rørklemme (art.-nr. 106 323) i Ex-zone 1 og 21.

1 Product

Part No. 275442 LH ZS 20 EX P200 SBB V2A

GTIN 4013364146938, Customs tariff No. (EU): 85389099, Gross weight: 264.00 g, PU: 10.00 Pakkestørrelse

Predecessor

Images

Additional information

Lederholdere til HVI-leder i Ex-zoner Ex P200-holder NIRO
Lederholdere til HVI-leder i Ex-zoner med afstandsstykke
200 mm til fastgørelse på rør f.eks. med rørspændebånd
(Varenr. 106 323, skal bestilles separat) i Ex-zonerne 1 og 21
Lederholder (rund): 20 mm
Klemmeområde (rør): 50-300 mm
Standarder: DIN IEC/TS 62561-8 (VDE V 0185-561-8)

fabrikat: DEHN
Type: LH ZS 20 EX P200 SBB V2A
artikelnr.: 275442
eller tilsvarende

Certificates

 

Technical data

Materiale Rustfrit
Lederholder (rund) 20 mm
Vægafstand 200 mm
Klemmeområde (rør) 50-300 mm
Standarder DIN IEC/TS 62561-8 (VDE V 0185-561-8)

Product 275442 was added to Notepad.

Product 275442 was added to the cart.


back to top