DEHNcharge

• Komplet kombiafleder type 1 + type 2 til store DC-batterier
• Gennemprøvet fejlsikker Y-kobling
• Pladsbesparende kabinetdesign til op til 1500 V DC i et kabinet, der kun er 4 delingsenheder bredt
• Anvendelsesoptimeret restspænding på ≤ 3 kV
• Kan anvendes op til en maks. prospektiv kortslutningsstrøm på 100 kA
• Funktions-/fejlvisning ved grøn/rød markering i rude

1 Product

Part No. 900095 DCG T1 BATT 1500 FM

GTIN 4013364510838, Customs tariff No. (EU): 85354000, Gross weight: 587.00 g, PU: 1.00 Pakkestørrelse


Images

Additional information

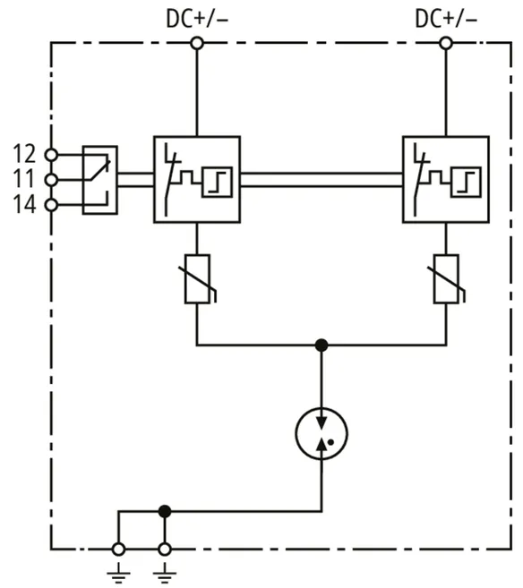
Kombiafleder DEHNcharge T1 BATT 1500 FM
Flerpolet kombiafleder type 1 + type 2
til batterilagersystemer op til 1500 V DC, bredde 4TE
Afleder type 1 + type 2 i overensstemmelse med EN 61643-11
Kombineret skille- og kortslutningsanordning
med fjernmeldekontakt
Fejlvisning
Maksimal PV-spænding: <= 1500 V DC
Samlet afledningsstødstrøm: 5 kA
Restspænding: <= 3 kV
Kortslutningsbæreevne Iscpv: 100 kA

fabrikat: DEHN
Type: DCG T1 BATT 1500 FM
artikelnr.: 900095
eller tilsvarende

Certificates

 

Technical data

Overspændingsbeskyttelse i overensstemmelse med IEC 61643-11 Type 1 + Type 2 / Klasse I + Klasse II
Maks. driftsspænding DC [DC+/DC-] (UC ) ≤ 1500 V
Maks. konstant driftsspænding DC [(DC+/DC-) --> PE] (UC ) ≤ 750 V
Kortslutningsbæreevne (t ≤ 5,83 ms) (ISCCR ) 100 kA
Samlet afledestødstrøm (10/350 µs) [DC+/DC- -> PE] (Itotal ) 10 kA
Lynstødstrøm (10/350 µs) [DC+ -> PE/DC- -> PE] (Iimp ) 5 kA
Restspænding [(DC+/DC-) -> PE] (UP ) < 3 kV
Restspænding [DC+ -> DC-] (UP ) < 6 kV
FM-kontakt / kontaktform Omskifter

Product 900095 was added to Notepad.

Product 900095 was added to the cart.


back to top