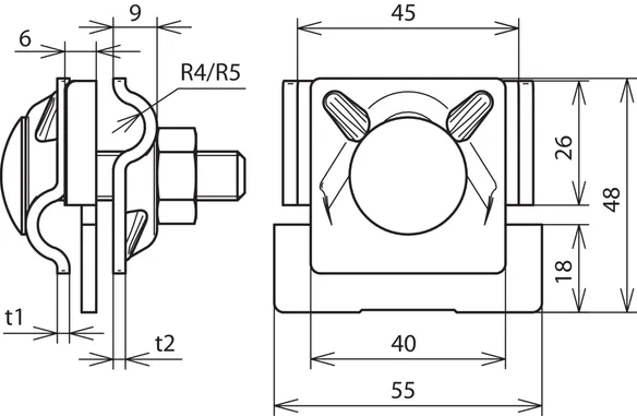
Saddle Clamps with Enlarged Contact Surface

For connecting conductors with seams; enlarged contact surface.

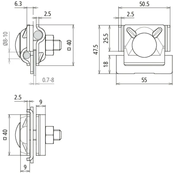
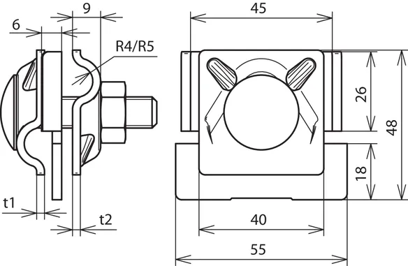
Angled design

Longitudinal or cross conductor routing.

4 Products

Part No. 365050 FK KB 6.10 KBF0.7 8 W STTZN

GTIN 4013364091825, Customs tariff No. (EU): 85359000, Gross weight: 157.30 g, PU: 50.00 pc(s)


Images

Additional information

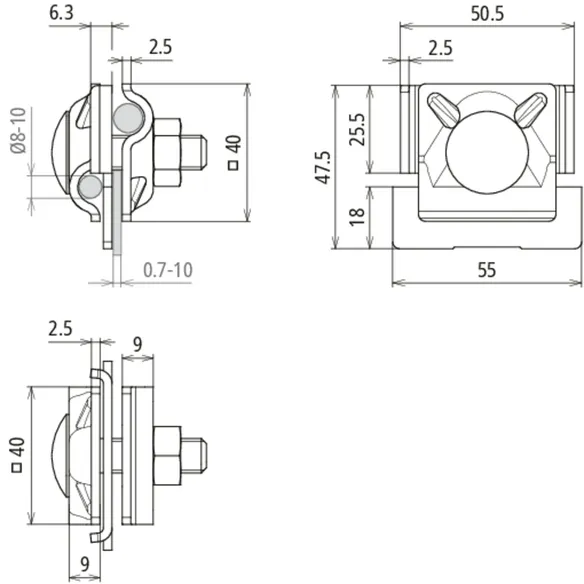
Seam clamps with enlarged contact surface (angled), St/tZn
Seam clamps with enlarged contact surface
Unit with a contact surface of 10 cm2
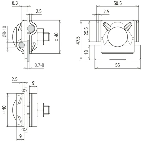
Clamping range of seam: 0.7-8 mm
Material of clamp: St/tZn
Clamping range Rd: 6-10 mm
Standard: EN 62561-1

Brand: DEHN
Type: FK KB 6.10 KBF0.7 8 W STTZN
Part No.: 365050
or equivalent.

Certificates

 

Technical data

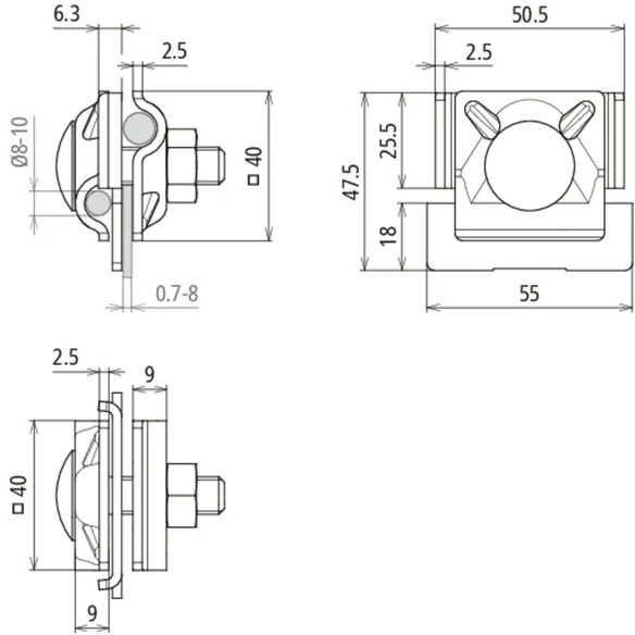
Clamping range of seam 0.7-8 mm
Material of clamp St/tZn
Clamping range Rd 6-10 mm
Standard EN 62561-1
*) For exact assignment see test certificate.

Product 365050 was added to Notepad.

Product 365050 was added to the cart.

Part No. 365051 FK KB 6.10 KBF0.7 8 W AL

GTIN 4013364091832, Customs tariff No. (EU): 85359000, Gross weight: 77.30 g, PU: 50.00 pc(s)


Images

Additional information

Seam clamps with enlarged contact surface (angled), Al
Seam clamps with enlarged contact surface
Unit with a contact surface of 10 cm2
Clamping range of seam: 0.7-8 mm
Material of clamp: Al
Clamping range Rd: 6-10 mm
Standard: EN 62561-1

Brand: DEHN
Type: FK KB 6.10 KBF0.7 8 W AL
Part No.: 365051
or equivalent.

Certificates

 

Technical data

Clamping range of seam 0.7-8 mm
Material of clamp Al
Clamping range Rd 6-10 mm
Standard EN 62561-1
*) For exact assignment see test certificate.

Product 365051 was added to Notepad.

Product 365051 was added to the cart.

Part No. 365057 FK KB 6.10 KBF0.7 8 W CU

GTIN 4013364091849, Customs tariff No. (EU): 85359000, Gross weight: 167.30 g, PU: 50.00 pc(s)


Images

Additional information

Seam clamps with enlarged contact surface (angled), Cu
Seam clamps with enlarged contact surface
Unit with a contact surface of 10 cm2
Clamping range of seam: 0.7-8 mm
Material of clamp: Cu
Clamping range Rd: 6-10 mm
Standard: EN 62561-1

Brand: DEHN
Type: FK KB 6.10 KBF0.7 8 W CU
Part No.: 365057
or equivalent.

Certificates

 

Technical data

Clamping range of seam 0.7-8 mm
Material of clamp Cu
Clamping range Rd 6-10 mm
Standard EN 62561-1
*) For exact assignment see test certificate.

Product 365057 was added to Notepad.

Product 365057 was added to the cart.

Part No. 365059 FK KB 6.10 KBF0.7 8 W V2A

GTIN 4013364091856, Customs tariff No. (EU): 85359000, Gross weight: 136.30 g, PU: 50.00 pc(s)


Images

Additional information

Seam clamps with enlarged contact surface (angled), StSt
Seam clamp with enlarged contact surface for fixing additional air-termination systems or air-termination rods on metal roofs (e.g. Part No. 123 021).
When using two of the tested roof conductor holders
(clamps) for the corresponding roof profile, a
lightning current carrying capability of
100 kA (10/350) is ensured.
Clamping range of seam: 0.7-8 mm
Material of clamp: StSt
Clamping range Rd: 6-10 mm
Standard: EN 62561-1

Brand: DEHN
Type: FK KB 6.10 KBF0.7 8 W V2A
Part No.: 365059
or equivalent.

Certificates

 

Technical data

Clamping range of seam 0.7-8 mm
Material of clamp StSt
Clamping range Rd 6-10 mm
Standard EN 62561-1
*) For exact assignment see test certificate.

Product 365059 was added to Notepad.

Product 365059 was added to the cart.


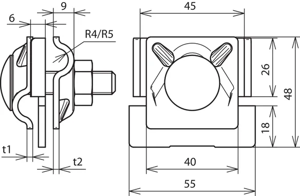
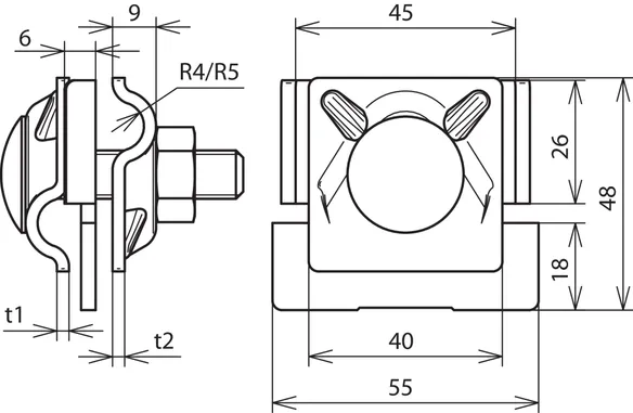
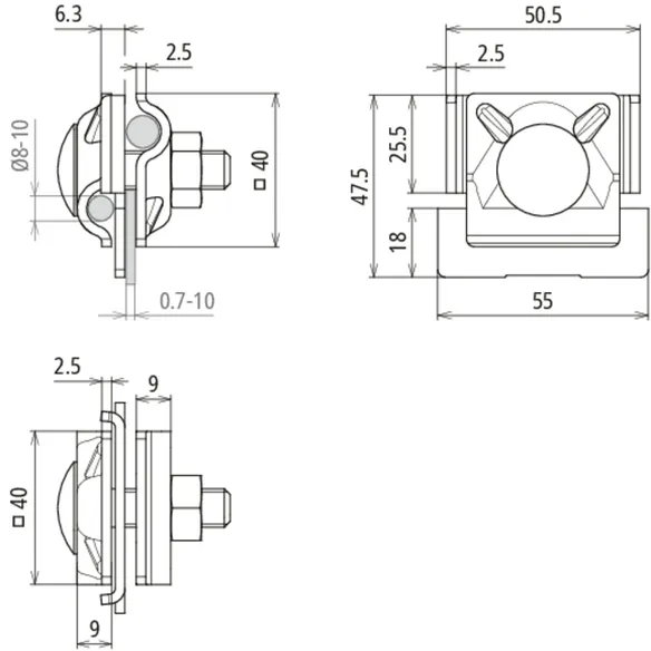
Straight design

Longitudinal or cross conductor routing.

5 Products

Part No. 365220 FK MV 8.10 KBF0.7 10 STTZN

GTIN 4013364096103, Customs tariff No. (EU): 85359000, Gross weight: 173.50 g, PU: 50.00 pc(s)


Images

Additional information

Seam clamps with enlarged contact surface (straight), St/tZn
Seam clamp with enlarged contact surface
Unit with a contact surface of 10 cm2
Clamping range of seam: 0.7-10 mm
Material of clamp: St/tZn
Clamping range Rd: 8-10 mm
Standard: EN 62561-1

Brand: DEHN
Type: FK MV 8.10 KBF0.7 10 STTZN
Part No.: 365220
or equivalent.

Certificates

 

Technical data

Clamping range of seam 0.7-10 mm
Material of clamp St/tZn
Clamping range Rd 8-10 mm
Standard EN 62561-1
*) For exact assignment see test certificate.

Product 365220 was added to Notepad.

Product 365220 was added to the cart.

Part No. 365221 FK MV 8.10 KBF0.7 10 AL

GTIN 4013364092396, Customs tariff No. (EU): 85359000, Gross weight: 93.60 g, PU: 50.00 pc(s)


Images

Additional information

Seam clamps with enlarged contact surface (straight), Al
Seam clamp with enlarged contact surface
Unit with a contact surface of 10 cm2
Clamping range of seam: 0.7-10 mm
Material of clamp: Al
Clamping range Rd: 8-10 mm
Standard: EN 62561-1

Brand: DEHN
Type: FK MV 8.10 KBF0.7 10 AL
Part No.: 365221
or equivalent.

Certificates

 

Technical data

Clamping range of seam 0.7-10 mm
Material of clamp Al
Clamping range Rd 8-10 mm
Standard EN 62561-1
*) For exact assignment see test certificate.

Product 365221 was added to Notepad.

Product 365221 was added to the cart.

Part No. 365227 FK MV 8.10 KBF0.7 10 CU

GTIN 4013364096127, Customs tariff No. (EU): 85359000, Gross weight: 199.80 g, PU: 50.00 pc(s)


Images

Additional information

Seam clamps with enlarged contact surface (straight), Cu
Seam clamp with enlarged contact surface
Unit with a contact surface of 10 cm2
Clamping range of seam: 0.7-10 mm
Material of clamp: Cu
Clamping range Rd: 8-10 mm
Standard: EN 62561-1

Brand: DEHN
Type: FK MV 8.10 KBF0.7 10 CU
Part No.: 365227
or equivalent.

Certificates

 

Technical data

Clamping range of seam 0.7-10 mm
Material of clamp Cu
Clamping range Rd 8-10 mm
Standard EN 62561-1
*) For exact assignment see test certificate.

Product 365227 was added to Notepad.

Product 365227 was added to the cart.

Part No. 365228 FK MV 8.10 KBF0.7 8 V2A

GTIN 4013364535411, Customs tariff No. (EU): 85359000, Gross weight: 157.00 g, PU: 50.00 pc(s)


Images

Additional information

Seam clamp with enlarged contact surface (straight), stainless steel
Seam clamps with enlarged contact surface, version with a contact surface of 10 cm2 contact surface
Clamping range of seam: 0.7-8 mm
Material of clamp: StSt
Clamping range Rd: 8-10 mm
Standard: EN 62561-1

Brand: DEHN
Type: FK MV 8.10 KBF0.7 8 V2A
Part No.: 365228
or equivalent.

Certificates

 

Technical data

Clamping range of seam 0.7-8 mm
Material of clamp StSt
Clamping range Rd 8-10 mm
Standard EN 62561-1
*) For exact assignment see test certificate.

Product 365228 was added to Notepad.

Product 365228 was added to the cart.

Part No. 365229 FK MV 8.10 KBF0.7 10 V2A

GTIN 4013364096110, Customs tariff No. (EU): 85359000, Gross weight: 163.20 g, PU: 50.00 pc(s)


Images

Additional information

Seam clamp with enlarged contact surface (straight), stainless steel
Seam clamps with enlarged contact surface, version with a contact surface of 10 cm2 contact surface
Clamping range of seam: 0.7-10 mm
Material of clamp: StSt
Clamping range Rd: 8-10 mm
Standard: EN 62561-1

Brand: DEHN
Type: FK MV 8.10 KBF0.7 10 V2A
Part No.: 365229
or equivalent.

Certificates

 

Technical data

Clamping range of seam 0.7-10 mm
Material of clamp StSt
Clamping range Rd 8-10 mm
Standard EN 62561-1
*) For exact assignment see test certificate.

Product 365229 was added to Notepad.

Product 365229 was added to the cart.


back to top