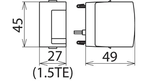
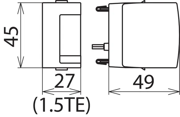
Protection module for DEHNguard M, ... S and DEHNgap C S

  • High discharge capacity due to heavy-duty zinc oxide varistors / spark gaps
  • High device reliability due to "Thermo Dynamic Control" monitoring
  • Energy coordination with other arresters of the Red/Line product family
  • Operating state/fault indication with green-red marking in the inspection window
  • Easy replacement of protection modules without tools due to module locking system with module release button
  • Vibration and shock-tested according to EN 60068-2

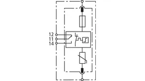
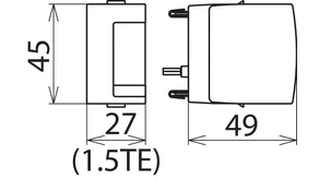
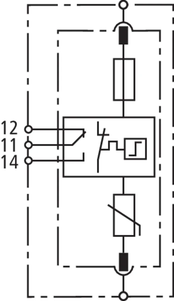
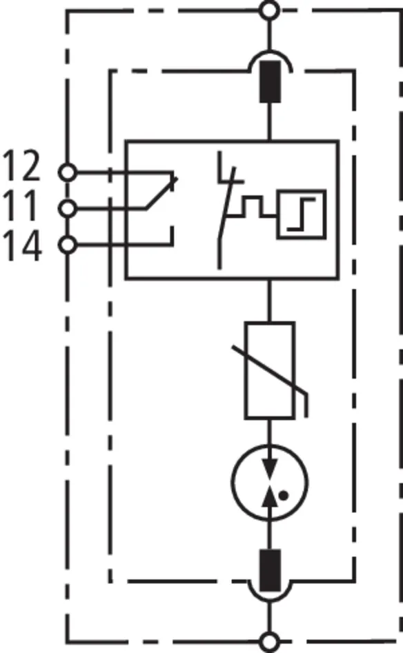
Switch-Spark Gap Protection Module for DEHNguard M ACI

2 Products

Part No. 952024 DG MOD ACI 275

GTIN 4013364377356, Customs tariff No. (EU): 85363030, Gross weight: 55.00 g, PU: 1.00 pc(s)


Images

Additional information

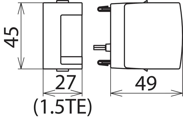
Combined switch / spark gap protection module DG MOD A 275
Pluggable protection module for DEHNguard M ACI ...
Type 2 SPD of the Red/Line series according to
EN 61643-11
Max. continuous operating voltage: 275 V a.c./350 V d.c.
Nominal discharge current: 20 kA
Fault indication

Brand: DEHN
Type: DG MOD ACI 275
Part No.: 952024
or equivalent.

Certificates

 

ACI-Technology

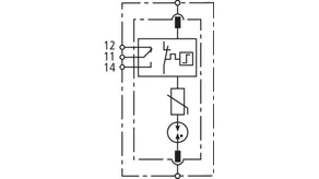
A further development of CI technology, ACI technology consists of a switch/spark gap combination connected in series with a heavyduty varistor. This ensures the simple design and safe operation of the surge protective device. Other features are safe dimensioning, TOV withstand, a connection cross-section of only 6 mm� Cu and zero leakage current. Surge arresters with ACI technology offer maximum safety and system availability.

Circuit Interruption

The backup fuse is already integrated here. This means: reduced space requirement, lower installation costs, faster wiring, and shorter connecting cables. This concept can be found in the product ranges DEHNvenCI, DEHNbloc Maxi S, DEHNguard ... CI and V(A) NH...

Direct Current-Disconnection

When using surge arresters in d.c. applications, disconnection must be reliably ensured even if there are no zero crossings. The specifically developed DC Disconnection (DCD) technology acts as a wedge similar to a blocking valve and interrupts the direct current. Consequently, the devices of the DEHNguard SE DC series are capable of safely interrupting direct currents, thus preventing fire damage caused by d.c. switching arcs.

SCI-Technology

The patented SCI technology with active arc extinction allows to actively, quickly and safely extinguish a possible switching arc in case of overload. The PV fuse integrated in the short-circuit path trips immediately after the arc has been extinguished, thus ensuring safe electrical isolation (interruption). Consequently, all PV arresters from DEHN combine surge protection, fire protection and personal protection in a single device

Technical data

Nominal discharge current (8/20 µs) (In ) 20 kA
Max. continuous operating voltage (a.c.) (UC ) 275 V

Product 952024 was added to Notepad.

Product 952024 was added to the cart.

Part No. 952028 DG MOD ACI 385

GTIN 4013364387843, Customs tariff No. (EU): 85363030, Gross weight: 66.00 g, PU: 1.00 pc(s)


Images

Additional information

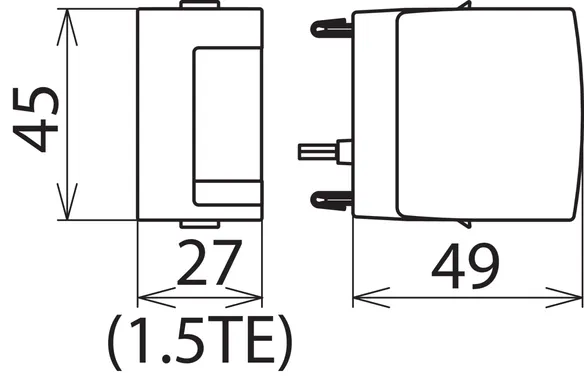
Combined switch / spark gap protection module DG MOD A 275
Pluggable protection module for DEHNguard M ACI ...
Type 2 SPD of the Red/Line series according to
EN 61643-11
Max. continuous operating voltage: 275 V a.c./350 V d.c.
Nominal discharge current: 20 kA
Fault indication

Brand: DEHN
Type: DG MOD ACI 385
Part No.: 952028
or equivalent.

 

ACI-Technology

A further development of CI technology, ACI technology consists of a switch/spark gap combination connected in series with a heavyduty varistor. This ensures the simple design and safe operation of the surge protective device. Other features are safe dimensioning, TOV withstand, a connection cross-section of only 6 mm� Cu and zero leakage current. Surge arresters with ACI technology offer maximum safety and system availability.

Circuit Interruption

The backup fuse is already integrated here. This means: reduced space requirement, lower installation costs, faster wiring, and shorter connecting cables. This concept can be found in the product ranges DEHNvenCI, DEHNbloc Maxi S, DEHNguard ... CI and V(A) NH...

Direct Current-Disconnection

When using surge arresters in d.c. applications, disconnection must be reliably ensured even if there are no zero crossings. The specifically developed DC Disconnection (DCD) technology acts as a wedge similar to a blocking valve and interrupts the direct current. Consequently, the devices of the DEHNguard SE DC series are capable of safely interrupting direct currents, thus preventing fire damage caused by d.c. switching arcs.

SCI-Technology

The patented SCI technology with active arc extinction allows to actively, quickly and safely extinguish a possible switching arc in case of overload. The PV fuse integrated in the short-circuit path trips immediately after the arc has been extinguished, thus ensuring safe electrical isolation (interruption). Consequently, all PV arresters from DEHN combine surge protection, fire protection and personal protection in a single device

Technical data

Nominal discharge current (8/20 µs) (In ) 20 kA
Max. continuous operating voltage (a.c.) (UC ) 385 V

Product 952028 was added to Notepad.

Product 952028 was added to the cart.


Spark-Gap-Based Protection Module for DEHNguard M ACI

1 Product

Part No. 952022 DG MOD A NPE

GTIN 4013364376533, Customs tariff No. (EU): 85363030, Gross weight: 46.00 g, PU: 1.00 pc(s)


Images

Additional information

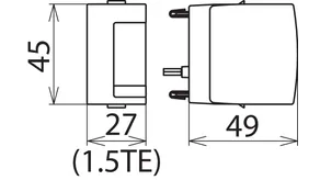
Spark-gap-based protection module DG MOD A NPE
Pluggable protection module for DEHNguard M ACI ...
Type 2 SPD of the Red/Line series according to
EN 61643-11
Max. continuous operating voltage: 275 V a.c./350 V d.c.
Nominal discharge current: 20 kA
Fault indication

Brand: DEHN
Type: DG MOD A NPE
Part No.: 952022
or equivalent.

Certificates

 

ACI-Technology

A further development of CI technology, ACI technology consists of a switch/spark gap combination connected in series with a heavyduty varistor. This ensures the simple design and safe operation of the surge protective device. Other features are safe dimensioning, TOV withstand, a connection cross-section of only 6 mm� Cu and zero leakage current. Surge arresters with ACI technology offer maximum safety and system availability.

Circuit Interruption

The backup fuse is already integrated here. This means: reduced space requirement, lower installation costs, faster wiring, and shorter connecting cables. This concept can be found in the product ranges DEHNvenCI, DEHNbloc Maxi S, DEHNguard ... CI and V(A) NH...

Direct Current-Disconnection

When using surge arresters in d.c. applications, disconnection must be reliably ensured even if there are no zero crossings. The specifically developed DC Disconnection (DCD) technology acts as a wedge similar to a blocking valve and interrupts the direct current. Consequently, the devices of the DEHNguard SE DC series are capable of safely interrupting direct currents, thus preventing fire damage caused by d.c. switching arcs.

SCI-Technology

The patented SCI technology with active arc extinction allows to actively, quickly and safely extinguish a possible switching arc in case of overload. The PV fuse integrated in the short-circuit path trips immediately after the arc has been extinguished, thus ensuring safe electrical isolation (interruption). Consequently, all PV arresters from DEHN combine surge protection, fire protection and personal protection in a single device

Technical data

Nominal discharge current (8/20 µs) (In ) 20 kA
Max. discharge current (8/20 µs) (Imax ) 40 kA
Max. continuous operating voltage (a.c.) (UC ) 255 V

Product 952022 was added to Notepad.

Product 952022 was added to the cart.


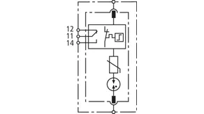
Varistor-Based Protection Module for DEHNguard M CI

1 Product

Part No. 952020 DG MOD CI 275

GTIN 4013364127784, Customs tariff No. (EU): 85363030, Gross weight: 59.30 g, PU: 1.00 pc(s)


Images

Additional information

DG MOD CI 275 varistor-based protection module
Pluggable protection module for DEHNguard M CI
Type 2 SPD of the Red/Line series according to EN 61643-11
Max. continuous operating voltage: 275 V a.c.
Nominal discharge current: 12.5 kA
Fault indication

Brand: DEHN
Type: DG MOD CI 275
Part No.: 952020
or equivalent.

Certificates

 

Circuit Interruption

The backup fuse is already integrated here. This means: reduced space requirement, lower installation costs, faster wiring, and shorter connecting cables. This concept can be found in the product ranges DEHNvenCI, DEHNbloc Maxi S, DEHNguard ... CI and V(A) NH...

Direct Current-Disconnection

When using surge arresters in d.c. applications, disconnection must be reliably ensured even if there are no zero crossings. The specifically developed DC Disconnection (DCD) technology acts as a wedge similar to a blocking valve and interrupts the direct current. Consequently, the devices of the DEHNguard SE DC series are capable of safely interrupting direct currents, thus preventing fire damage caused by d.c. switching arcs.

SCI-Technology

The patented SCI technology with active arc extinction allows to actively, quickly and safely extinguish a possible switching arc in case of overload. The PV fuse integrated in the short-circuit path trips immediately after the arc has been extinguished, thus ensuring safe electrical isolation (interruption). Consequently, all PV arresters from DEHN combine surge protection, fire protection and personal protection in a single device

Technical data

Nominal discharge current (8/20 µs) (In ) 12.5 kA
Max. discharge current (8/20 µs) (Imax ) 25 kA
Max. continuous operating voltage (a.c.) (UC ) 275 V

Product 952020 was added to Notepad.

Product 952020 was added to the cart.


Varistor-based Protection Module for DEHNguard SE CI ...

2 Products

Part No. 952926 DG MOD E CI 440

GTIN 4013364322646, Customs tariff No. (EU): 85363030, Gross weight: 83.00 g, PU: 1.00 pc(s)


Images

Additional information

Varistor-based protection module DG MOD E CI 440
Pluggable protection module for DEHNguard SE CI
Type 2 arrester of the Red/Line product series
according to EN 61643-11
Max. continuous operating voltage: 440 V d.c.
Nominal discharge current: 12.5 kA
Fault indication

Brand: DEHN
Type: DG MOD E CI 440
Part No.: 952926
or equivalent.

Certificates

 

Circuit Interruption

The backup fuse is already integrated here. This means: reduced space requirement, lower installation costs, faster wiring, and shorter connecting cables. This concept can be found in the product ranges DEHNvenCI, DEHNbloc Maxi S, DEHNguard ... CI and V(A) NH...

Direct Current-Disconnection

When using surge arresters in d.c. applications, disconnection must be reliably ensured even if there are no zero crossings. The specifically developed DC Disconnection (DCD) technology acts as a wedge similar to a blocking valve and interrupts the direct current. Consequently, the devices of the DEHNguard SE DC series are capable of safely interrupting direct currents, thus preventing fire damage caused by d.c. switching arcs.

SCI-Technology

The patented SCI technology with active arc extinction allows to actively, quickly and safely extinguish a possible switching arc in case of overload. The PV fuse integrated in the short-circuit path trips immediately after the arc has been extinguished, thus ensuring safe electrical isolation (interruption). Consequently, all PV arresters from DEHN combine surge protection, fire protection and personal protection in a single device

Technical data

Nominal discharge current (8/20 µs) (In ) 12.5 kA
Max. continuous operating voltage (a.c.) (UC ) 440 V
Rated varistor voltage (Umov ) 440 V

Product 952926 was added to Notepad.

Product 952926 was added to the cart.

Part No. 952927 DG MOD E CI WE 440

GTIN 4013364322653, Customs tariff No. (EU): 85363030, Gross weight: 82.00 g, PU: 1.00 pc(s)


Images

Additional information

Varistor-based protection module DG MOD E CI WE 440
Pluggable protection module for DEHNguard SE CI
Type 2 arrester of the Red/Line product series
according to EN 61643-11
Max. continuous operating voltage: 440 V d.c.
Rated varistor voltage: 750 V a.c.
Nominal discharge current: 12.5 kA
Fault indication

Brand: DEHN
Type: DG MOD E CI WE 440
Part No.: 952927
or equivalent.

Certificates

 

Circuit Interruption

The backup fuse is already integrated here. This means: reduced space requirement, lower installation costs, faster wiring, and shorter connecting cables. This concept can be found in the product ranges DEHNvenCI, DEHNbloc Maxi S, DEHNguard ... CI and V(A) NH...

Direct Current-Disconnection

When using surge arresters in d.c. applications, disconnection must be reliably ensured even if there are no zero crossings. The specifically developed DC Disconnection (DCD) technology acts as a wedge similar to a blocking valve and interrupts the direct current. Consequently, the devices of the DEHNguard SE DC series are capable of safely interrupting direct currents, thus preventing fire damage caused by d.c. switching arcs.

SCI-Technology

The patented SCI technology with active arc extinction allows to actively, quickly and safely extinguish a possible switching arc in case of overload. The PV fuse integrated in the short-circuit path trips immediately after the arc has been extinguished, thus ensuring safe electrical isolation (interruption). Consequently, all PV arresters from DEHN combine surge protection, fire protection and personal protection in a single device

Technical data

Nominal discharge current (8/20 µs) (In ) 12.5 kA
Max. continuous operating voltage (a.c.) (UC ) 440 V
Rated varistor voltage (Umov ) 750 V

Product 952927 was added to Notepad.

Product 952927 was added to the cart.


Varistor-based Protection Module for DEHNguard M and DEHNguard S

8 Products

Part No. 952018 DG MOD 48

GTIN 4013364119482, Customs tariff No. (EU): 85363030, Gross weight: 43.50 g, PU: 1.00 pc(s)


Images

Additional information

DG MOD 48 varistor-based protection module
Pluggable protection module for DEHNguard S ...
Type 2 SPD of the Red/Line series according to
EN 61643-11
Heavy-duty varistor technology
Max. continuous operating voltage: 48 V a.c./60 V d.c.
Nominal discharge current: 7.5 kA
Fault indication

Brand: DEHN
Type: DG MOD 48
Part No.: 952018
or equivalent.

Certificates

 

Circuit Interruption

The backup fuse is already integrated here. This means: reduced space requirement, lower installation costs, faster wiring, and shorter connecting cables. This concept can be found in the product ranges DEHNvenCI, DEHNbloc Maxi S, DEHNguard ... CI and V(A) NH...

Direct Current-Disconnection

When using surge arresters in d.c. applications, disconnection must be reliably ensured even if there are no zero crossings. The specifically developed DC Disconnection (DCD) technology acts as a wedge similar to a blocking valve and interrupts the direct current. Consequently, the devices of the DEHNguard SE DC series are capable of safely interrupting direct currents, thus preventing fire damage caused by d.c. switching arcs.

SCI-Technology

The patented SCI technology with active arc extinction allows to actively, quickly and safely extinguish a possible switching arc in case of overload. The PV fuse integrated in the short-circuit path trips immediately after the arc has been extinguished, thus ensuring safe electrical isolation (interruption). Consequently, all PV arresters from DEHN combine surge protection, fire protection and personal protection in a single device

Technical data

Nominal discharge current (8/20 µs) (In ) 7.5 kA
Max. discharge current (8/20 µs) (Imax ) 25 kA
Max. continuous operating voltage (a.c.) (UC ) 48 V

Product 952018 was added to Notepad.

Product 952018 was added to the cart.

Part No. 952011 DG MOD 75

GTIN 4013364109773, Customs tariff No. (EU): 85363030, Gross weight: 39.30 g, PU: 1.00 pc(s)


Images

Additional information

DG MOD 75 varistor-based protection module
Pluggable protection module for DEHNguard S ...
Type 2 SPD of the Red/Line series according to
EN 61643-11
Heavy-duty varistor technology
Max. continuous operating voltage: 75 V a.c./100 V d.c.
Nominal discharge current: 10 kA
Fault indication

Brand: DEHN
Type: DG MOD 75
Part No.: 952011
or equivalent.

Certificates

 

Circuit Interruption

The backup fuse is already integrated here. This means: reduced space requirement, lower installation costs, faster wiring, and shorter connecting cables. This concept can be found in the product ranges DEHNvenCI, DEHNbloc Maxi S, DEHNguard ... CI and V(A) NH...

Direct Current-Disconnection

When using surge arresters in d.c. applications, disconnection must be reliably ensured even if there are no zero crossings. The specifically developed DC Disconnection (DCD) technology acts as a wedge similar to a blocking valve and interrupts the direct current. Consequently, the devices of the DEHNguard SE DC series are capable of safely interrupting direct currents, thus preventing fire damage caused by d.c. switching arcs.

SCI-Technology

The patented SCI technology with active arc extinction allows to actively, quickly and safely extinguish a possible switching arc in case of overload. The PV fuse integrated in the short-circuit path trips immediately after the arc has been extinguished, thus ensuring safe electrical isolation (interruption). Consequently, all PV arresters from DEHN combine surge protection, fire protection and personal protection in a single device

Technical data

Nominal discharge current (8/20 µs) (In ) 10 kA
Max. discharge current (8/20 µs) (Imax ) 40 kA
Max. continuous operating voltage (a.c.) (UC ) 75 V

Product 952011 was added to Notepad.

Product 952011 was added to the cart.

Part No. 952012 DG MOD 150

GTIN 4013364109780, Customs tariff No. (EU): 85363030, Gross weight: 42.23 g, PU: 1.00 pc(s)


Images

Additional information

DG MOD 150 varistor-based protection module
Pluggable protection module for DEHNguard S ...
Type 2 SPD of the Red/Line series according to
EN 61643-11
Heavy-duty varistor technology
Max. continuous operating voltage: 150 V a.c./200 V d.c.
Nominal discharge current: 15 kA
Fault indication

Brand: DEHN
Type: DG MOD 150
Part No.: 952012
or equivalent.

Certificates

 

Circuit Interruption

The backup fuse is already integrated here. This means: reduced space requirement, lower installation costs, faster wiring, and shorter connecting cables. This concept can be found in the product ranges DEHNvenCI, DEHNbloc Maxi S, DEHNguard ... CI and V(A) NH...

Direct Current-Disconnection

When using surge arresters in d.c. applications, disconnection must be reliably ensured even if there are no zero crossings. The specifically developed DC Disconnection (DCD) technology acts as a wedge similar to a blocking valve and interrupts the direct current. Consequently, the devices of the DEHNguard SE DC series are capable of safely interrupting direct currents, thus preventing fire damage caused by d.c. switching arcs.

SCI-Technology

The patented SCI technology with active arc extinction allows to actively, quickly and safely extinguish a possible switching arc in case of overload. The PV fuse integrated in the short-circuit path trips immediately after the arc has been extinguished, thus ensuring safe electrical isolation (interruption). Consequently, all PV arresters from DEHN combine surge protection, fire protection and personal protection in a single device

Technical data

Nominal discharge current (8/20 µs) (In ) 15 kA
Max. discharge current (8/20 µs) (Imax ) 40 kA
Max. continuous operating voltage (a.c.) (UC ) 150 V

Product 952012 was added to Notepad.

Product 952012 was added to the cart.

Part No. 952010 DG MOD 275

GTIN 4013364108356, Customs tariff No. (EU): 85363030, Gross weight: 49.80 g, PU: 1.00 pc(s)


Images

Additional information

DG MOD 275 varistor-based protection module
Pluggable protection module for DEHNguard M ...
and DEHNguard S ...
Type 2 SPD of the Red/Line series according to
EN 61643-11
Max. continuous operating voltage: 275 V a.c./350 V d.c.
Nominal discharge current: 20 kA
Fault indication

Brand: DEHN
Type: DG MOD 275
Part No.: 952010
or equivalent.

Certificates

 

Circuit Interruption

The backup fuse is already integrated here. This means: reduced space requirement, lower installation costs, faster wiring, and shorter connecting cables. This concept can be found in the product ranges DEHNvenCI, DEHNbloc Maxi S, DEHNguard ... CI and V(A) NH...

Direct Current-Disconnection

When using surge arresters in d.c. applications, disconnection must be reliably ensured even if there are no zero crossings. The specifically developed DC Disconnection (DCD) technology acts as a wedge similar to a blocking valve and interrupts the direct current. Consequently, the devices of the DEHNguard SE DC series are capable of safely interrupting direct currents, thus preventing fire damage caused by d.c. switching arcs.

SCI-Technology

The patented SCI technology with active arc extinction allows to actively, quickly and safely extinguish a possible switching arc in case of overload. The PV fuse integrated in the short-circuit path trips immediately after the arc has been extinguished, thus ensuring safe electrical isolation (interruption). Consequently, all PV arresters from DEHN combine surge protection, fire protection and personal protection in a single device

Technical data

Nominal discharge current (8/20 µs) (In ) 20 kA
Max. discharge current (8/20 µs) (Imax ) 40 kA
Max. continuous operating voltage (a.c.) (UC ) 275 V

Product 952010 was added to Notepad.

Product 952010 was added to the cart.

Part No. 952013 DG MOD 320

GTIN 4013364109797, Customs tariff No. (EU): 85363030, Gross weight: 52.50 g, PU: 1.00 pc(s)


Images

Additional information

DG MOD 320 varistor-based protection module
Pluggable protection module for DEHNguard M ... and
DEHNguard S ...
Type 2 SPD of the Red/Line series according to
EN 61643-11
Heavy-duty varistor technology
Max. continuous operating voltage: 320 V a.c./420 V d.c.
Nominal discharge current: 20 kA
Fault indication

Brand: DEHN
Type: DG MOD 320
Part No.: 952013
or equivalent.

Certificates

 

Circuit Interruption

The backup fuse is already integrated here. This means: reduced space requirement, lower installation costs, faster wiring, and shorter connecting cables. This concept can be found in the product ranges DEHNvenCI, DEHNbloc Maxi S, DEHNguard ... CI and V(A) NH...

Direct Current-Disconnection

When using surge arresters in d.c. applications, disconnection must be reliably ensured even if there are no zero crossings. The specifically developed DC Disconnection (DCD) technology acts as a wedge similar to a blocking valve and interrupts the direct current. Consequently, the devices of the DEHNguard SE DC series are capable of safely interrupting direct currents, thus preventing fire damage caused by d.c. switching arcs.

SCI-Technology

The patented SCI technology with active arc extinction allows to actively, quickly and safely extinguish a possible switching arc in case of overload. The PV fuse integrated in the short-circuit path trips immediately after the arc has been extinguished, thus ensuring safe electrical isolation (interruption). Consequently, all PV arresters from DEHN combine surge protection, fire protection and personal protection in a single device

Technical data

Nominal discharge current (8/20 µs) (In ) 20 kA
Max. discharge current (8/20 µs) (Imax ) 40 kA
Max. continuous operating voltage (a.c.) (UC ) 320 V

Product 952013 was added to Notepad.

Product 952013 was added to the cart.

Part No. 952014 DG MOD 385

GTIN 4013364108363, Customs tariff No. (EU): 85363030, Gross weight: 56.80 g, PU: 1.00 pc(s)


Images

Additional information

DG MOD 385 varistor-based protection module
Pluggable protection module for DEHNguard M ... and
DEHNguard S ...
Type 2 SPD of the Red/Line series according to
EN 61643-11
Heavy-duty varistor technology
Max. continuous operating voltage: 385 V a.c./500 V d.c.
Nominal discharge current: 20 kA
Fault indication

Brand: DEHN
Type: DG MOD 385
Part No.: 952014
or equivalent.

Certificates

 

Circuit Interruption

The backup fuse is already integrated here. This means: reduced space requirement, lower installation costs, faster wiring, and shorter connecting cables. This concept can be found in the product ranges DEHNvenCI, DEHNbloc Maxi S, DEHNguard ... CI and V(A) NH...

Direct Current-Disconnection

When using surge arresters in d.c. applications, disconnection must be reliably ensured even if there are no zero crossings. The specifically developed DC Disconnection (DCD) technology acts as a wedge similar to a blocking valve and interrupts the direct current. Consequently, the devices of the DEHNguard SE DC series are capable of safely interrupting direct currents, thus preventing fire damage caused by d.c. switching arcs.

SCI-Technology

The patented SCI technology with active arc extinction allows to actively, quickly and safely extinguish a possible switching arc in case of overload. The PV fuse integrated in the short-circuit path trips immediately after the arc has been extinguished, thus ensuring safe electrical isolation (interruption). Consequently, all PV arresters from DEHN combine surge protection, fire protection and personal protection in a single device

Technical data

Nominal discharge current (8/20 µs) (In ) 20 kA
Max. discharge current (8/20 µs) (Imax ) 40 kA
Max. continuous operating voltage (a.c.) (UC ) 385 V

Product 952014 was added to Notepad.

Product 952014 was added to the cart.

Part No. 952015 DG MOD 440

GTIN 4013364109803, Customs tariff No. (EU): 85363030, Gross weight: 60.00 g, PU: 1.00 pc(s)


Images

Additional information

DG MOD 440 varistor-based protection module
Pluggable protection module for DEHNguard M ... and
DEHNguard S ...
Type 2 SPD of the Red/Line series according to
EN 61643-11
Heavy-duty varistor technology
Max. continuous operating voltage: 440 V a.c./585 V d.c.
Nominal discharge current: 20 kA
Fault indication

Brand: DEHN
Type: DG MOD 440
Part No.: 952015
or equivalent.

Certificates

 

Circuit Interruption

The backup fuse is already integrated here. This means: reduced space requirement, lower installation costs, faster wiring, and shorter connecting cables. This concept can be found in the product ranges DEHNvenCI, DEHNbloc Maxi S, DEHNguard ... CI and V(A) NH...

Direct Current-Disconnection

When using surge arresters in d.c. applications, disconnection must be reliably ensured even if there are no zero crossings. The specifically developed DC Disconnection (DCD) technology acts as a wedge similar to a blocking valve and interrupts the direct current. Consequently, the devices of the DEHNguard SE DC series are capable of safely interrupting direct currents, thus preventing fire damage caused by d.c. switching arcs.

SCI-Technology

The patented SCI technology with active arc extinction allows to actively, quickly and safely extinguish a possible switching arc in case of overload. The PV fuse integrated in the short-circuit path trips immediately after the arc has been extinguished, thus ensuring safe electrical isolation (interruption). Consequently, all PV arresters from DEHN combine surge protection, fire protection and personal protection in a single device

Technical data

Nominal discharge current (8/20 µs) (In ) 20 kA
Max. discharge current (8/20 µs) (Imax ) 40 kA
Max. continuous operating voltage (a.c.) (UC ) 440 V

Product 952015 was added to Notepad.

Product 952015 was added to the cart.

Part No. 952016 DG MOD 600

GTIN 4013364109810, Customs tariff No. (EU): 85363030, Gross weight: 70.60 g, PU: 1.00 pc(s)


Images

Additional information

DG MOD 600 varistor-based protection module
Pluggable protection module for DEHNguard S ...
Type 2 SPD of the Red/Line series according to
EN 61643-11
Heavy-duty varistor technology
Max. continuous operating voltage: 600 V a.c./600 V d.c.
Nominal discharge current: 15 kA
Fault indication

Brand: DEHN
Type: DG MOD 600
Part No.: 952016
or equivalent.

Certificates

 

Circuit Interruption

The backup fuse is already integrated here. This means: reduced space requirement, lower installation costs, faster wiring, and shorter connecting cables. This concept can be found in the product ranges DEHNvenCI, DEHNbloc Maxi S, DEHNguard ... CI and V(A) NH...

Direct Current-Disconnection

When using surge arresters in d.c. applications, disconnection must be reliably ensured even if there are no zero crossings. The specifically developed DC Disconnection (DCD) technology acts as a wedge similar to a blocking valve and interrupts the direct current. Consequently, the devices of the DEHNguard SE DC series are capable of safely interrupting direct currents, thus preventing fire damage caused by d.c. switching arcs.

SCI-Technology

The patented SCI technology with active arc extinction allows to actively, quickly and safely extinguish a possible switching arc in case of overload. The PV fuse integrated in the short-circuit path trips immediately after the arc has been extinguished, thus ensuring safe electrical isolation (interruption). Consequently, all PV arresters from DEHN combine surge protection, fire protection and personal protection in a single device

Technical data

Nominal discharge current (8/20 µs) (In ) 15 kA
Max. discharge current (8/20 µs) (Imax ) 30 kA
Max. continuous operating voltage (a.c.) (UC ) 600 V

Product 952016 was added to Notepad.

Product 952016 was added to the cart.


Varistor-Based Protection Module for DEHNguard M (S) WE

1 Product

Part No. 952017 DG MOD 750

GTIN 4013364113329, Customs tariff No. (EU): 85363030, Gross weight: 69.70 g, PU: 1.00 pc(s)


Images

Additional information

DG MOD 750 varistor-based protection module
Pluggable protection module for DEHNguard S WE 600 (FM)
and DG M WE 600 (FM)
Type 2 SPD of the Red/Line series
according to EN 61643-11
Heavy-duty varistor technology
Max. continuous operating voltage: 600 V a.c./600 V d.c.
Rated varistor voltage: 750 V a.c.
Nominal discharge current: 15 kA
Fault indication

Brand: DEHN
Type: DG MOD 750
Part No.: 952017
or equivalent.

Certificates

 

Circuit Interruption

The backup fuse is already integrated here. This means: reduced space requirement, lower installation costs, faster wiring, and shorter connecting cables. This concept can be found in the product ranges DEHNvenCI, DEHNbloc Maxi S, DEHNguard ... CI and V(A) NH...

Direct Current-Disconnection

When using surge arresters in d.c. applications, disconnection must be reliably ensured even if there are no zero crossings. The specifically developed DC Disconnection (DCD) technology acts as a wedge similar to a blocking valve and interrupts the direct current. Consequently, the devices of the DEHNguard SE DC series are capable of safely interrupting direct currents, thus preventing fire damage caused by d.c. switching arcs.

SCI-Technology

The patented SCI technology with active arc extinction allows to actively, quickly and safely extinguish a possible switching arc in case of overload. The PV fuse integrated in the short-circuit path trips immediately after the arc has been extinguished, thus ensuring safe electrical isolation (interruption). Consequently, all PV arresters from DEHN combine surge protection, fire protection and personal protection in a single device

Technical data

Nominal discharge current (8/20 µs) (In ) 15 kA
Max. discharge current (8/20 µs) (Imax ) 25 kA
Max. continuous operating voltage (a.c.) (UC ) 600 V
Rated varistor voltage (Umov ) 750 V

Product 952017 was added to Notepad.

Product 952017 was added to the cart.


N-PE Spark-Gap-Based Protection Module for DEHNguard M ACI

N-PE spark-gap-based protection module for two-pole and four-pole DEHNguard DG M TT (2P) ACI ... .

1 Product

Part No. 952083 DG MOD H A NPE

GTIN 4013364376540, Customs tariff No. (EU): 85363030, Gross weight: 55.00 g, PU: 1.00 pc(s)


Images

Additional information

N-PE spark-gap-based protection module DG MOD H A NPE
Pluggable N-PE spark-gap-based protection module
for DEHNguard DG M TT (2P) ACI ...
For Type 2 N-PE surge arresters
of the Red/Line family according to EN 61643-11
Max. continuous voltage: 255 V a.c.
Nominal discharge current: 80 kA
Max. discharge current: 120 kA
Operating state and fault indication

Brand: DEHN
Type: DG MOD H A NPE
Part No.: 952083
or equivalent.

Certificates

 

Circuit Interruption

The backup fuse is already integrated here. This means: reduced space requirement, lower installation costs, faster wiring, and shorter connecting cables. This concept can be found in the product ranges DEHNvenCI, DEHNbloc Maxi S, DEHNguard ... CI and V(A) NH...

Direct Current-Disconnection

When using surge arresters in d.c. applications, disconnection must be reliably ensured even if there are no zero crossings. The specifically developed DC Disconnection (DCD) technology acts as a wedge similar to a blocking valve and interrupts the direct current. Consequently, the devices of the DEHNguard SE DC series are capable of safely interrupting direct currents, thus preventing fire damage caused by d.c. switching arcs.

SCI-Technology

The patented SCI technology with active arc extinction allows to actively, quickly and safely extinguish a possible switching arc in case of overload. The PV fuse integrated in the short-circuit path trips immediately after the arc has been extinguished, thus ensuring safe electrical isolation (interruption). Consequently, all PV arresters from DEHN combine surge protection, fire protection and personal protection in a single device

Technical data

Nominal discharge current (8/20 µs) (In ) 80 kA
Max. discharge current (8/20 µs) (Imax ) 120 kA
Max. continuous operating voltage (a.c.) (UC ) 275 V

Product 952083 was added to Notepad.

Product 952083 was added to the cart.


N-PE Spark-Gap-Based Protection Module for DEHNguard M H TT ...

1 Product

Part No. 952081 DG MOD H NPE

GTIN 4013364318182, Customs tariff No. (EU): 85363030, Gross weight: 44.50 g, PU: 1.00 pc(s)


Images

Additional information

DG MOD H NPE N-PE spark-gap-based protection module
Pluggable N-PE spark-gap-based protection module
for DEHNguard DG M TT ...
For Type 2 N-PE surge arresters
of the Red/Line family according to EN 61643-11
Max. continuous voltage: 255 V a.c.
Nominal discharge current: 80 kA
Max. discharge current: 120 kA
Operating state and fault indication

Brand: DEHN
Type: DG MOD H NPE
Part No.: 952081
or equivalent.

Certificates

 

Circuit Interruption

The backup fuse is already integrated here. This means: reduced space requirement, lower installation costs, faster wiring, and shorter connecting cables. This concept can be found in the product ranges DEHNvenCI, DEHNbloc Maxi S, DEHNguard ... CI and V(A) NH...

Direct Current-Disconnection

When using surge arresters in d.c. applications, disconnection must be reliably ensured even if there are no zero crossings. The specifically developed DC Disconnection (DCD) technology acts as a wedge similar to a blocking valve and interrupts the direct current. Consequently, the devices of the DEHNguard SE DC series are capable of safely interrupting direct currents, thus preventing fire damage caused by d.c. switching arcs.

SCI-Technology

The patented SCI technology with active arc extinction allows to actively, quickly and safely extinguish a possible switching arc in case of overload. The PV fuse integrated in the short-circuit path trips immediately after the arc has been extinguished, thus ensuring safe electrical isolation (interruption). Consequently, all PV arresters from DEHN combine surge protection, fire protection and personal protection in a single device

Technical data

Nominal discharge current (8/20 µs) (In ) 80 kA
Max. discharge current (8/20 µs) (Imax ) 120 kA
Max. continuous operating voltage (a.c.) (UC ) 255 V

Product 952081 was added to Notepad.

Product 952081 was added to the cart.


N-PE Spark-Gap-Based Protection Module for DEHNguard M TT ...

1 Product

Part No. 952050 DG MOD NPE

GTIN 4013364108370, Customs tariff No. (EU): 85363030, Gross weight: 44.50 g, PU: 1.00 pc(s)


Images

Additional information

DG MOD NPE N-PE spark-gap-based protection module
Pluggable N-PE spark-gap-based protection module
for DEHNguard DG M TT ...
For type 2 N-PE surge arresters
of the Red/Line series according to EN 61643-11
Max. continuous operating voltage: 255 V a.c.
Nominal discharge current: 20 kA
Max. discharge current: 40 kA
Fault indication

Brand: DEHN
Type: DG MOD NPE
Part No.: 952050
or equivalent.

Certificates

 

Circuit Interruption

The backup fuse is already integrated here. This means: reduced space requirement, lower installation costs, faster wiring, and shorter connecting cables. This concept can be found in the product ranges DEHNvenCI, DEHNbloc Maxi S, DEHNguard ... CI and V(A) NH...

Direct Current-Disconnection

When using surge arresters in d.c. applications, disconnection must be reliably ensured even if there are no zero crossings. The specifically developed DC Disconnection (DCD) technology acts as a wedge similar to a blocking valve and interrupts the direct current. Consequently, the devices of the DEHNguard SE DC series are capable of safely interrupting direct currents, thus preventing fire damage caused by d.c. switching arcs.

SCI-Technology

The patented SCI technology with active arc extinction allows to actively, quickly and safely extinguish a possible switching arc in case of overload. The PV fuse integrated in the short-circuit path trips immediately after the arc has been extinguished, thus ensuring safe electrical isolation (interruption). Consequently, all PV arresters from DEHN combine surge protection, fire protection and personal protection in a single device

Technical data

Nominal discharge current (8/20 µs) (In ) 20 kA
Max. discharge current (8/20 µs) (Imax ) 40 kA
Max. continuous operating voltage (a.c.) (UC ) 255 V

Product 952050 was added to Notepad.

Product 952050 was added to the cart.


N-PE Spark-Gap-Based Protection Module for DEHNgap C S

1 Product

Part No. 952060 DGP C MOD

GTIN 4013364108387, Customs tariff No. (EU): 85363030, Gross weight: 44.00 g, PU: 1.00 pc(s)


Images

Additional information

DGP C MOD N-PE spark-gap-based protection module
Pluggable N-PE spark-gap-based protection module
for single-pole DEHNgap C S ... N-PE surge arresters
For type 2 N-PE surge arresters
of the Red/Line series according to EN 61643-11
Max. continuous operating voltage: 255 V a.c.
Nominal discharge current: 20 kA
Max. discharge current: 40 kA
Fault indication

Brand: DEHN
Type: DGP C MOD
Part No.: 952060
or equivalent.

Certificates

 

Circuit Interruption

The backup fuse is already integrated here. This means: reduced space requirement, lower installation costs, faster wiring, and shorter connecting cables. This concept can be found in the product ranges DEHNvenCI, DEHNbloc Maxi S, DEHNguard ... CI and V(A) NH...

Direct Current-Disconnection

When using surge arresters in d.c. applications, disconnection must be reliably ensured even if there are no zero crossings. The specifically developed DC Disconnection (DCD) technology acts as a wedge similar to a blocking valve and interrupts the direct current. Consequently, the devices of the DEHNguard SE DC series are capable of safely interrupting direct currents, thus preventing fire damage caused by d.c. switching arcs.

SCI-Technology

The patented SCI technology with active arc extinction allows to actively, quickly and safely extinguish a possible switching arc in case of overload. The PV fuse integrated in the short-circuit path trips immediately after the arc has been extinguished, thus ensuring safe electrical isolation (interruption). Consequently, all PV arresters from DEHN combine surge protection, fire protection and personal protection in a single device

Technical data

Nominal discharge current (8/20 µs) (In ) 20 kA
Max. discharge current (8/20 µs) (Imax ) 40 kA
Max. continuous operating voltage (a.c.) (UC ) 255 V

Product 952060 was added to Notepad.

Product 952060 was added to the cart.


Varistor and Spark-Gap-Based Protection Module for DEHNguard S ... VA

3 Products

Part No. 952025 DG MOD 75 VA

GTIN 4013364127357, Customs tariff No. (EU): 85363030, Gross weight: 41.00 g, PU: 1.00 pc(s)


Images

Additional information

DG MOD 75 VA varistor-based protection module
Pluggable protection module for DEHNguard S ... VA
Type 2 SPD of the Red/Line series according to EN 61643-11
Max. continuous operating voltage: 75 V a.c./100 V d.c.
Nominal discharge current: 10 kA
Fault indication

Brand: DEHN
Type: DG MOD 75 VA
Part No.: 952025
or equivalent.

Certificates

 

Circuit Interruption

The backup fuse is already integrated here. This means: reduced space requirement, lower installation costs, faster wiring, and shorter connecting cables. This concept can be found in the product ranges DEHNvenCI, DEHNbloc Maxi S, DEHNguard ... CI and V(A) NH...

Direct Current-Disconnection

When using surge arresters in d.c. applications, disconnection must be reliably ensured even if there are no zero crossings. The specifically developed DC Disconnection (DCD) technology acts as a wedge similar to a blocking valve and interrupts the direct current. Consequently, the devices of the DEHNguard SE DC series are capable of safely interrupting direct currents, thus preventing fire damage caused by d.c. switching arcs.

SCI-Technology

The patented SCI technology with active arc extinction allows to actively, quickly and safely extinguish a possible switching arc in case of overload. The PV fuse integrated in the short-circuit path trips immediately after the arc has been extinguished, thus ensuring safe electrical isolation (interruption). Consequently, all PV arresters from DEHN combine surge protection, fire protection and personal protection in a single device

Technical data

Nominal discharge current (8/20 µs) (In ) 10 kA
Max. discharge current (8/20 µs) (Imax ) 20 kA
Max. continuous operating voltage (a.c.) (UC ) 75 V
Max. continuous operating voltage (d.c.) (UC ) 100 V

Product 952025 was added to Notepad.

Product 952025 was added to the cart.

Part No. 952027 DG MOD 275 VA

GTIN 4013364127364, Customs tariff No. (EU): 85363030, Gross weight: 47.00 g, PU: 1.00 pc(s)


Images

Additional information

DG MOD 275 VA varistor-based protection module
Pluggable protection module for DEHNguard S ... VA
Type 2 SPD of the Red/Line series according to EN 61643-11
Max. continuous operating voltage: 275 V a.c./350 V d.c.
Nominal discharge current: 10 kA
Fault indication

Brand: DEHN
Type: DG MOD 275 VA
Part No.: 952027
or equivalent.

Certificates

 

Circuit Interruption

The backup fuse is already integrated here. This means: reduced space requirement, lower installation costs, faster wiring, and shorter connecting cables. This concept can be found in the product ranges DEHNvenCI, DEHNbloc Maxi S, DEHNguard ... CI and V(A) NH...

Direct Current-Disconnection

When using surge arresters in d.c. applications, disconnection must be reliably ensured even if there are no zero crossings. The specifically developed DC Disconnection (DCD) technology acts as a wedge similar to a blocking valve and interrupts the direct current. Consequently, the devices of the DEHNguard SE DC series are capable of safely interrupting direct currents, thus preventing fire damage caused by d.c. switching arcs.

SCI-Technology

The patented SCI technology with active arc extinction allows to actively, quickly and safely extinguish a possible switching arc in case of overload. The PV fuse integrated in the short-circuit path trips immediately after the arc has been extinguished, thus ensuring safe electrical isolation (interruption). Consequently, all PV arresters from DEHN combine surge protection, fire protection and personal protection in a single device

Technical data

Nominal discharge current (8/20 µs) (In ) 10 kA
Max. discharge current (8/20 µs) (Imax ) 20 kA
Max. continuous operating voltage (a.c.) (UC ) 275 V
Max. continuous operating voltage (d.c.) (UC ) 350 V

Product 952027 was added to Notepad.

Product 952027 was added to the cart.

Part No. 952029 DG MOD 385 VA

GTIN 4013364127371, Customs tariff No. (EU): 85363030, Gross weight: 51.00 g, PU: 1.00 pc(s)


Images

Additional information

DG MOD 385 VA varistor-based protection module
Pluggable protection module for DEHNguard S ... VA
Type 2 SPD of the Red/Line series according to EN 61643-11
Max. continuous operating voltage: 385 V a.c./500 V d.c.
Nominal discharge current: 10 kA
Fault indication

Brand: DEHN
Type: DG MOD 385 VA
Part No.: 952029
or equivalent.

Certificates

 

Circuit Interruption

The backup fuse is already integrated here. This means: reduced space requirement, lower installation costs, faster wiring, and shorter connecting cables. This concept can be found in the product ranges DEHNvenCI, DEHNbloc Maxi S, DEHNguard ... CI and V(A) NH...

Direct Current-Disconnection

When using surge arresters in d.c. applications, disconnection must be reliably ensured even if there are no zero crossings. The specifically developed DC Disconnection (DCD) technology acts as a wedge similar to a blocking valve and interrupts the direct current. Consequently, the devices of the DEHNguard SE DC series are capable of safely interrupting direct currents, thus preventing fire damage caused by d.c. switching arcs.

SCI-Technology

The patented SCI technology with active arc extinction allows to actively, quickly and safely extinguish a possible switching arc in case of overload. The PV fuse integrated in the short-circuit path trips immediately after the arc has been extinguished, thus ensuring safe electrical isolation (interruption). Consequently, all PV arresters from DEHN combine surge protection, fire protection and personal protection in a single device

Technical data

Nominal discharge current (8/20 µs) (In ) 10 kA
Max. discharge current (8/20 µs) (Imax ) 20 kA
Max. continuous operating voltage (a.c.) (UC ) 385 V
Max. continuous operating voltage (d.c.) (UC ) 500 V

Product 952029 was added to Notepad.

Product 952029 was added to the cart.


Varistor-based Protection Module for DEHNguard M YPV

2 Products

Part No. 952048 DG MOD H PV 600

GTIN 4013364327733, Customs tariff No. (EU): 85363030, Gross weight: 61.20 g, PU: 1.00 pc(s)


Images

Additional information

DG MOD H PV 600 varistor-based protection module
Pluggable protection module for DEHNguard M YPV
Type 2 arrester of the Red/Line product series
according to EN 61643-31
Heavy-duty varistor technology
Max. continuous operating voltage: 585 V d.c.
Nominal discharge current: 20 kA
Fault indication

Brand: DEHN
Type: DG MOD H PV 600
Part No.: 952048
or equivalent.

Certificates

 

Circuit Interruption

The backup fuse is already integrated here. This means: reduced space requirement, lower installation costs, faster wiring, and shorter connecting cables. This concept can be found in the product ranges DEHNvenCI, DEHNbloc Maxi S, DEHNguard ... CI and V(A) NH...

Direct Current-Disconnection

When using surge arresters in d.c. applications, disconnection must be reliably ensured even if there are no zero crossings. The specifically developed DC Disconnection (DCD) technology acts as a wedge similar to a blocking valve and interrupts the direct current. Consequently, the devices of the DEHNguard SE DC series are capable of safely interrupting direct currents, thus preventing fire damage caused by d.c. switching arcs.

SCI-Technology

The patented SCI technology with active arc extinction allows to actively, quickly and safely extinguish a possible switching arc in case of overload. The PV fuse integrated in the short-circuit path trips immediately after the arc has been extinguished, thus ensuring safe electrical isolation (interruption). Consequently, all PV arresters from DEHN combine surge protection, fire protection and personal protection in a single device

Technical data

Nominal discharge current (8/20 µs) (In ) 20 kA
Max. discharge current (8/20 µs) (Imax ) 40 kA
Max. continuous operating voltage (d.c.) (UC ) 600 V

Product 952048 was added to Notepad.

Product 952048 was added to the cart.

Part No. 952049 DG MOD H PV 750

GTIN 4013364327740, Customs tariff No. (EU): 85363030, Gross weight: 70.60 g, PU: 1.00 pc(s)


Images

Additional information

DG MOD H PV 750 varistor-based protection module
Pluggable protection module for DEHNguard M YPV
Type 2 arrester of the Red/Line product series
according to EN 61643-31
Heavy-duty varistor technology
Max. continuous operating voltage: 750 V d.c.
Nominal discharge current: 15kA
Fault indication

Brand: DEHN
Type: DG MOD H PV 750
Part No.: 952049
or equivalent.

Certificates

 

Circuit Interruption

The backup fuse is already integrated here. This means: reduced space requirement, lower installation costs, faster wiring, and shorter connecting cables. This concept can be found in the product ranges DEHNvenCI, DEHNbloc Maxi S, DEHNguard ... CI and V(A) NH...

Direct Current-Disconnection

When using surge arresters in d.c. applications, disconnection must be reliably ensured even if there are no zero crossings. The specifically developed DC Disconnection (DCD) technology acts as a wedge similar to a blocking valve and interrupts the direct current. Consequently, the devices of the DEHNguard SE DC series are capable of safely interrupting direct currents, thus preventing fire damage caused by d.c. switching arcs.

SCI-Technology

The patented SCI technology with active arc extinction allows to actively, quickly and safely extinguish a possible switching arc in case of overload. The PV fuse integrated in the short-circuit path trips immediately after the arc has been extinguished, thus ensuring safe electrical isolation (interruption). Consequently, all PV arresters from DEHN combine surge protection, fire protection and personal protection in a single device

Technical data

Nominal discharge current (8/20 µs) (In ) 15 kA
Max. discharge current (8/20 µs) (Imax ) 40 kA
Max. continuous operating voltage (d.c.) (UC ) 750 V

Product 952049 was added to Notepad.

Product 952049 was added to the cart.


Varistor-Based Protection Module for DEHNguard M YPV SCI and DEHNguard S PV SCI

3 Products

Part No. 952055 DG MOD PV SCI 75

GTIN 4013364136700, Customs tariff No. (EU): 85363030, Gross weight: 43.40 g, PU: 1.00 pc(s)


Images

Additional information

DG MOD PV SCI 75 varistor-based protection module
Pluggable protection module for DEHNguard M (Y)PV SCI
Type 2 SPD classification of the Red/Line series according to EN 50539-11
Heavy-duty varistor technology
Combined disconnection and short-circuiting device
Max. continuous operating voltage: 75 V d.c.
For PV systems up to Ucpv <= 150 V
Total discharge current: 40 kA
Fault indication

Brand: DEHN
Type: DG MOD PV SCI 75
Part No.: 952055
or equivalent.

Certificates

 

Circuit Interruption

The backup fuse is already integrated here. This means: reduced space requirement, lower installation costs, faster wiring, and shorter connecting cables. This concept can be found in the product ranges DEHNvenCI, DEHNbloc Maxi S, DEHNguard ... CI and V(A) NH...

Direct Current-Disconnection

When using surge arresters in d.c. applications, disconnection must be reliably ensured even if there are no zero crossings. The specifically developed DC Disconnection (DCD) technology acts as a wedge similar to a blocking valve and interrupts the direct current. Consequently, the devices of the DEHNguard SE DC series are capable of safely interrupting direct currents, thus preventing fire damage caused by d.c. switching arcs.

SCI-Technology

The patented SCI technology with active arc extinction allows to actively, quickly and safely extinguish a possible switching arc in case of overload. The PV fuse integrated in the short-circuit path trips immediately after the arc has been extinguished, thus ensuring safe electrical isolation (interruption). Consequently, all PV arresters from DEHN combine surge protection, fire protection and personal protection in a single device

Technical data

Nominal discharge current (8/20 µs) (In ) 10 kA
Max. discharge current (8/20 µs) (Imax ) 20 kA
Max. continuous operating voltage (d.c.) (UC ) 75 V

Product 952055 was added to Notepad.

Product 952055 was added to the cart.

Part No. 952051 DG MOD PV SCI 500

GTIN 4013364126442, Customs tariff No. (EU): 85363030, Gross weight: 56.15 g, PU: 1.00 pc(s)


Images

Additional information

DG MOD PV SCI 500 varistor-based protection module
Pluggable protection module for DEHNguard M (Y)PV SCI
Type 2 SPD classification of the Red/Line series according to EN 61643-31
Heavy-duty varistor technology
Combined disconnection and short-circuiting device
Max. continuous operating voltage: 500 V d.c.
For PV systems up to Ucpv <= 1000 V
Total discharge current: 40 kA
Fault indication

Brand: DEHN
Type: DG MOD PV SCI 500
Part No.: 952051
or equivalent.

Certificates

 

Circuit Interruption

The backup fuse is already integrated here. This means: reduced space requirement, lower installation costs, faster wiring, and shorter connecting cables. This concept can be found in the product ranges DEHNvenCI, DEHNbloc Maxi S, DEHNguard ... CI and V(A) NH...

Direct Current-Disconnection

When using surge arresters in d.c. applications, disconnection must be reliably ensured even if there are no zero crossings. The specifically developed DC Disconnection (DCD) technology acts as a wedge similar to a blocking valve and interrupts the direct current. Consequently, the devices of the DEHNguard SE DC series are capable of safely interrupting direct currents, thus preventing fire damage caused by d.c. switching arcs.

SCI-Technology

The patented SCI technology with active arc extinction allows to actively, quickly and safely extinguish a possible switching arc in case of overload. The PV fuse integrated in the short-circuit path trips immediately after the arc has been extinguished, thus ensuring safe electrical isolation (interruption). Consequently, all PV arresters from DEHN combine surge protection, fire protection and personal protection in a single device

Technical data

Nominal discharge current (8/20 µs) (In ) 12.5 kA
Max. discharge current (8/20 µs) (Imax ) 25 kA
Max. continuous operating voltage (d.c.) (UC ) 500 V

Product 952051 was added to Notepad.

Product 952051 was added to the cart.

Part No. 952054 DG MOD PV SCI 600

GTIN 4013364127975, Customs tariff No. (EU): 85363030, Gross weight: 58.80 g, PU: 1.00 pc(s)


Images

Additional information

DG MOD PV SCI 600 varistor-based protection module
Pluggable protection module for DEHNguard M (Y)PV SCI
Type 2 SPD classification of the Red/Line series according to EN 61643-31
Heavy-duty varistor technology
Combined disconnection and short-circuiting device
Max. continuous operating voltage: 600 V d.c.
Max. PV voltage: <= 1200 V
Total discharge current: 30 kA
Fault indication

Brand: DEHN
Type: DG MOD PV SCI 600
Part No.: 952054
or equivalent.

Certificates

 

Circuit Interruption

The backup fuse is already integrated here. This means: reduced space requirement, lower installation costs, faster wiring, and shorter connecting cables. This concept can be found in the product ranges DEHNvenCI, DEHNbloc Maxi S, DEHNguard ... CI and V(A) NH...

Direct Current-Disconnection

When using surge arresters in d.c. applications, disconnection must be reliably ensured even if there are no zero crossings. The specifically developed DC Disconnection (DCD) technology acts as a wedge similar to a blocking valve and interrupts the direct current. Consequently, the devices of the DEHNguard SE DC series are capable of safely interrupting direct currents, thus preventing fire damage caused by d.c. switching arcs.

SCI-Technology

The patented SCI technology with active arc extinction allows to actively, quickly and safely extinguish a possible switching arc in case of overload. The PV fuse integrated in the short-circuit path trips immediately after the arc has been extinguished, thus ensuring safe electrical isolation (interruption). Consequently, all PV arresters from DEHN combine surge protection, fire protection and personal protection in a single device

Technical data

Nominal discharge current (8/20 µs) (In ) 12.5 kA
Max. discharge current (8/20 µs) (Imax ) 25 kA
Max. continuous operating voltage (d.c.) (UC ) 600 V

Product 952054 was added to Notepad.

Product 952054 was added to the cart.


Varistor-based protection module for DEHNguard M YPV and DEHNguard S PV

3 Products

Part No. 952045 DG MOD PV 75

GTIN 4013364141827, Customs tariff No. (EU): 85363030, Gross weight: 40.20 g, PU: 1.00 pc(s)


Images

Additional information

DG MOD PV 75 varistor-based protection module
Pluggable protection module for DEHNguard
M YPV SCI and S PV SCI
Type 2 SPD classification of the Red/Line series according to EN 50539-11
Heavy-duty varistor technology
Max. continuous operating voltage: 75 V d.c.
Nominal discharge current: 10 kA
Fault indication

Brand: DEHN
Type: DG MOD PV 75
Part No.: 952045
or equivalent.

Certificates

 

Circuit Interruption

The backup fuse is already integrated here. This means: reduced space requirement, lower installation costs, faster wiring, and shorter connecting cables. This concept can be found in the product ranges DEHNvenCI, DEHNbloc Maxi S, DEHNguard ... CI and V(A) NH...

Direct Current-Disconnection

When using surge arresters in d.c. applications, disconnection must be reliably ensured even if there are no zero crossings. The specifically developed DC Disconnection (DCD) technology acts as a wedge similar to a blocking valve and interrupts the direct current. Consequently, the devices of the DEHNguard SE DC series are capable of safely interrupting direct currents, thus preventing fire damage caused by d.c. switching arcs.

SCI-Technology

The patented SCI technology with active arc extinction allows to actively, quickly and safely extinguish a possible switching arc in case of overload. The PV fuse integrated in the short-circuit path trips immediately after the arc has been extinguished, thus ensuring safe electrical isolation (interruption). Consequently, all PV arresters from DEHN combine surge protection, fire protection and personal protection in a single device

Technical data

Nominal discharge current (8/20 µs) (In ) 10 kA
Max. discharge current (8/20 µs) (Imax ) 40 kA
Max. continuous operating voltage (d.c.) (UC ) 75 V

Product 952045 was added to Notepad.

Product 952045 was added to the cart.

Part No. 952041 DG MOD PV 500

GTIN 4013364141841, Customs tariff No. (EU): 85363030, Gross weight: 60.19 g, PU: 1.00 pc(s)


Images

Additional information

DG MOD PV 500 varistor-based protection module
Pluggable protection module for DEHNguard
M YPV SCI and S PV SCI
Type 2 SPD classification of the Red/Line series according to EN 61643-31
Heavy-duty varistor technology
Max. continuous operating voltage: 500 V d.c.
Nominal discharge current: 20 kA
Fault indication

Brand: DEHN
Type: DG MOD PV 500
Part No.: 952041
or equivalent.

Certificates

 

Circuit Interruption

The backup fuse is already integrated here. This means: reduced space requirement, lower installation costs, faster wiring, and shorter connecting cables. This concept can be found in the product ranges DEHNvenCI, DEHNbloc Maxi S, DEHNguard ... CI and V(A) NH...

Direct Current-Disconnection

When using surge arresters in d.c. applications, disconnection must be reliably ensured even if there are no zero crossings. The specifically developed DC Disconnection (DCD) technology acts as a wedge similar to a blocking valve and interrupts the direct current. Consequently, the devices of the DEHNguard SE DC series are capable of safely interrupting direct currents, thus preventing fire damage caused by d.c. switching arcs.

SCI-Technology

The patented SCI technology with active arc extinction allows to actively, quickly and safely extinguish a possible switching arc in case of overload. The PV fuse integrated in the short-circuit path trips immediately after the arc has been extinguished, thus ensuring safe electrical isolation (interruption). Consequently, all PV arresters from DEHN combine surge protection, fire protection and personal protection in a single device

Technical data

Nominal discharge current (8/20 µs) (In ) 20 kA
Max. discharge current (8/20 µs) (Imax ) 40 kA
Max. continuous operating voltage (d.c.) (UC ) 500 V

Product 952041 was added to Notepad.

Product 952041 was added to the cart.

Part No. 952044 DG MOD PV 600

GTIN 4013364141858, Customs tariff No. (EU): 85363030, Gross weight: 69.49 g, PU: 1.00 pc(s)


Images

Additional information

DG MOD PV 600 varistor-based protection module
Pluggable protection module for DEHNguard
M YPV SCI and S PV SCI
Type 2 SPD classification of the Red/Line series according to EN 61643-31
Heavy-duty varistor technology
Max. continuous operating voltage: 600 V d.c.
Nominal discharge current: 15 kA
Fault indication

Brand: DEHN
Type: DG MOD PV 600
Part No.: 952044
or equivalent.

Certificates

 

Circuit Interruption

The backup fuse is already integrated here. This means: reduced space requirement, lower installation costs, faster wiring, and shorter connecting cables. This concept can be found in the product ranges DEHNvenCI, DEHNbloc Maxi S, DEHNguard ... CI and V(A) NH...

Direct Current-Disconnection

When using surge arresters in d.c. applications, disconnection must be reliably ensured even if there are no zero crossings. The specifically developed DC Disconnection (DCD) technology acts as a wedge similar to a blocking valve and interrupts the direct current. Consequently, the devices of the DEHNguard SE DC series are capable of safely interrupting direct currents, thus preventing fire damage caused by d.c. switching arcs.

SCI-Technology

The patented SCI technology with active arc extinction allows to actively, quickly and safely extinguish a possible switching arc in case of overload. The PV fuse integrated in the short-circuit path trips immediately after the arc has been extinguished, thus ensuring safe electrical isolation (interruption). Consequently, all PV arresters from DEHN combine surge protection, fire protection and personal protection in a single device

Technical data

Nominal discharge current (8/20 µs) (In ) 15 kA
Max. discharge current (8/20 µs) (Imax ) 30 kA
Max. continuous operating voltage (d.c.) (UC ) 600 V

Product 952044 was added to Notepad.

Product 952044 was added to the cart.


Varistor-Based Protection Module for DEHNguard ME YPV SCI and DEHNguard SE PV SCI

1 Product

Part No. 952056 DG MOD E PV SCI 750

GTIN 4013364149106, Customs tariff No. (EU): 85363030, Gross weight: 82.70 g, PU: 1.00 pc(s)


Images

Additional information

DG MOD E PV SCI 750 varistor-based protection module
Pluggable protection module for DEHNguard
ME YPV SCI und SE PV SCI
Type 2 SPD classification according to EN 50539-11
of the Red/Line product series
Heavy-duty varistor technology
Max. continuous operating voltage: 750 V d.c.
Nominal discharge current: 12.5 kA
Fault indication

Brand: DEHN
Type: DG MOD E PV SCI 750
Part No.: 952056
or equivalent.

Certificates

 

Circuit Interruption

The backup fuse is already integrated here. This means: reduced space requirement, lower installation costs, faster wiring, and shorter connecting cables. This concept can be found in the product ranges DEHNvenCI, DEHNbloc Maxi S, DEHNguard ... CI and V(A) NH...

Direct Current-Disconnection

When using surge arresters in d.c. applications, disconnection must be reliably ensured even if there are no zero crossings. The specifically developed DC Disconnection (DCD) technology acts as a wedge similar to a blocking valve and interrupts the direct current. Consequently, the devices of the DEHNguard SE DC series are capable of safely interrupting direct currents, thus preventing fire damage caused by d.c. switching arcs.

SCI-Technology

The patented SCI technology with active arc extinction allows to actively, quickly and safely extinguish a possible switching arc in case of overload. The PV fuse integrated in the short-circuit path trips immediately after the arc has been extinguished, thus ensuring safe electrical isolation (interruption). Consequently, all PV arresters from DEHN combine surge protection, fire protection and personal protection in a single device

Technical data

Nominal discharge current (8/20 µs) (In ) 12.5 kA
Max. discharge current (8/20 µs) (Imax ) 25 kA
Max. continuous operating voltage (d.c.) (UC ) 750 V

Product 952056 was added to Notepad.

Product 952056 was added to the cart.


Varistor-Based Protection Module for DEHNguard SE H ...

4 Products

Part No. 952900 DG MOD E H LI 275

GTIN 4013364158801, Customs tariff No. (EU): 85363030, Gross weight: 90.00 g, PU: 1.00 pc(s)


Images

Additional information

DG MOD E H LI 275 varistor-based protection module
Pluggable protection module for DEHNguard
SE H LI 275 FM
with three-step early warning system
Type 2 SPD according to EN 61643-11
Heavy-duty varistor technology
Max. continuous operating voltage: 275 V d.c.
Nominal discharge current: 30 kA
Lifetime Indication

Brand: DEHN
Type: DG MOD E H LI 275
Part No.: 952900
or equivalent.

 

Circuit Interruption

The backup fuse is already integrated here. This means: reduced space requirement, lower installation costs, faster wiring, and shorter connecting cables. This concept can be found in the product ranges DEHNvenCI, DEHNbloc Maxi S, DEHNguard ... CI and V(A) NH...

Direct Current-Disconnection

When using surge arresters in d.c. applications, disconnection must be reliably ensured even if there are no zero crossings. The specifically developed DC Disconnection (DCD) technology acts as a wedge similar to a blocking valve and interrupts the direct current. Consequently, the devices of the DEHNguard SE DC series are capable of safely interrupting direct currents, thus preventing fire damage caused by d.c. switching arcs.

SCI-Technology

The patented SCI technology with active arc extinction allows to actively, quickly and safely extinguish a possible switching arc in case of overload. The PV fuse integrated in the short-circuit path trips immediately after the arc has been extinguished, thus ensuring safe electrical isolation (interruption). Consequently, all PV arresters from DEHN combine surge protection, fire protection and personal protection in a single device

Technical data

Nominal discharge current (8/20 µs) (In ) 30 kA
Max. discharge current (8/20 µs) (Imax ) 65 kA
Max. continuous operating voltage (a.c.) (UC ) 275 V

Product 952900 was added to Notepad.

Product 952900 was added to the cart.

Part No. 952907 DG MOD E H LI 1000

GTIN 4013364158856, Customs tariff No. (EU): 85363030, Gross weight: 130.00 g, PU: 1.00 pc(s)


Images

Additional information

DG MOD E H LI 1000 varistor-based protection module
Pluggable protection module for DEHNguard
SE H LI 1000 FM
with three-step early warning system
Type 2 SPD according to EN 61643-11
Heavy-duty varistor technology
Max. continuous operating voltage: 1000 V d.c.
Nominal discharge current: 20 kA
Coded protection module

Brand: DEHN
Type: DG MOD E H LI 1000
Part No.: 952907
or equivalent.

 

Circuit Interruption

The backup fuse is already integrated here. This means: reduced space requirement, lower installation costs, faster wiring, and shorter connecting cables. This concept can be found in the product ranges DEHNvenCI, DEHNbloc Maxi S, DEHNguard ... CI and V(A) NH...

Direct Current-Disconnection

When using surge arresters in d.c. applications, disconnection must be reliably ensured even if there are no zero crossings. The specifically developed DC Disconnection (DCD) technology acts as a wedge similar to a blocking valve and interrupts the direct current. Consequently, the devices of the DEHNguard SE DC series are capable of safely interrupting direct currents, thus preventing fire damage caused by d.c. switching arcs.

SCI-Technology

The patented SCI technology with active arc extinction allows to actively, quickly and safely extinguish a possible switching arc in case of overload. The PV fuse integrated in the short-circuit path trips immediately after the arc has been extinguished, thus ensuring safe electrical isolation (interruption). Consequently, all PV arresters from DEHN combine surge protection, fire protection and personal protection in a single device

Technical data

Nominal discharge current (8/20 µs) (In ) 20 kA
Max. discharge current (8/20 µs) (Imax ) 40 kA
Max. continuous operating voltage (a.c.) (UC ) 1000 V

Product 952907 was added to Notepad.

Product 952907 was added to the cart.

Part No. 952908 DG MOD E H 1000

GTIN 4013364264526, Customs tariff No. (EU): 85363030, Gross weight: 123.00 g, PU: 1.00 pc(s)


Images

Additional information

DG MOD E H 1000 varistor-based protection module
Pluggable protection module for DEHNguard
SE H LI 1000 FM
Type 2 SPD according to EN 61643-11
Heavy-duty varistor technology
Max. continuous operating voltage: 1000 V d.c.
Nominal discharge current: 20 kA
Fault indication

Brand: DEHN
Type: DG MOD E H 1000
Part No.: 952908
or equivalent.

Certificates

 

Circuit Interruption

The backup fuse is already integrated here. This means: reduced space requirement, lower installation costs, faster wiring, and shorter connecting cables. This concept can be found in the product ranges DEHNvenCI, DEHNbloc Maxi S, DEHNguard ... CI and V(A) NH...

Direct Current-Disconnection

When using surge arresters in d.c. applications, disconnection must be reliably ensured even if there are no zero crossings. The specifically developed DC Disconnection (DCD) technology acts as a wedge similar to a blocking valve and interrupts the direct current. Consequently, the devices of the DEHNguard SE DC series are capable of safely interrupting direct currents, thus preventing fire damage caused by d.c. switching arcs.

SCI-Technology

The patented SCI technology with active arc extinction allows to actively, quickly and safely extinguish a possible switching arc in case of overload. The PV fuse integrated in the short-circuit path trips immediately after the arc has been extinguished, thus ensuring safe electrical isolation (interruption). Consequently, all PV arresters from DEHN combine surge protection, fire protection and personal protection in a single device

Technical data

Nominal discharge current (8/20 µs) (In ) 20 kA
Max. discharge current (8/20 µs) (Imax ) 40 kA
Max. continuous operating voltage (a.c.) (UC ) 1000 V

Product 952908 was added to Notepad.

Product 952908 was added to the cart.

Part No. 952918 DG MOD E H 1000 VA

GTIN 4013364308336, Customs tariff No. (EU): 85363030, Gross weight: 130.00 g, PU: 1.00 pc(s)


Images

Additional information

DG MOD E 1000 VA varistor-based protection module
Pluggable protection module for DEHNguard
SE H 1000 VA FM
Type 2 SPD according to EN 61643-11
Heavy-duty varistor technology
Max. continuous operating voltage: 1000 V d.c.
Nominal discharge current: 15 kA
Fault indication

Brand: DEHN
Type: DG MOD E H 1000 VA
Part No.: 952918
or equivalent.

Certificates

 

Circuit Interruption

The backup fuse is already integrated here. This means: reduced space requirement, lower installation costs, faster wiring, and shorter connecting cables. This concept can be found in the product ranges DEHNvenCI, DEHNbloc Maxi S, DEHNguard ... CI and V(A) NH...

Direct Current-Disconnection

When using surge arresters in d.c. applications, disconnection must be reliably ensured even if there are no zero crossings. The specifically developed DC Disconnection (DCD) technology acts as a wedge similar to a blocking valve and interrupts the direct current. Consequently, the devices of the DEHNguard SE DC series are capable of safely interrupting direct currents, thus preventing fire damage caused by d.c. switching arcs.

SCI-Technology

The patented SCI technology with active arc extinction allows to actively, quickly and safely extinguish a possible switching arc in case of overload. The PV fuse integrated in the short-circuit path trips immediately after the arc has been extinguished, thus ensuring safe electrical isolation (interruption). Consequently, all PV arresters from DEHN combine surge protection, fire protection and personal protection in a single device

Technical data

Nominal discharge current (8/20 µs) (In ) 15 kA
Max. discharge current (8/20 µs) (Imax ) 40 kA
Max. continuous operating voltage (a.c.) (UC ) 1000 V

Product 952918 was added to Notepad.

Product 952918 was added to the cart.


Varistor-based Protection Module for DEHNguard SE DC

4 Products

Part No. 972010 DG MOD E DC 60

GTIN 4013364158672, Customs tariff No. (EU): 85363030, Gross weight: 65.00 g, PU: 1.00 pc(s)


Images

Additional information

DG MOD E DC 60 varistor-based protection module
Pluggable protection module for DEHNguard SE DC ... (FM)
Type 2 arrester of the Red/Line product series
according to EN 61643-11
Heavy-duty varistor technology
Particularly suited for use in d.c. circuits
Max. continuous operating voltage: 60 V d.c.
Nominal discharge current: 12.5 kA
Fault indication

Brand: DEHN
Type: DG MOD E DC 60
Part No.: 972010
or equivalent.

 

Circuit Interruption

The backup fuse is already integrated here. This means: reduced space requirement, lower installation costs, faster wiring, and shorter connecting cables. This concept can be found in the product ranges DEHNvenCI, DEHNbloc Maxi S, DEHNguard ... CI and V(A) NH...

Direct Current-Disconnection

When using surge arresters in d.c. applications, disconnection must be reliably ensured even if there are no zero crossings. The specifically developed DC Disconnection (DCD) technology acts as a wedge similar to a blocking valve and interrupts the direct current. Consequently, the devices of the DEHNguard SE DC series are capable of safely interrupting direct currents, thus preventing fire damage caused by d.c. switching arcs.

SCI-Technology

The patented SCI technology with active arc extinction allows to actively, quickly and safely extinguish a possible switching arc in case of overload. The PV fuse integrated in the short-circuit path trips immediately after the arc has been extinguished, thus ensuring safe electrical isolation (interruption). Consequently, all PV arresters from DEHN combine surge protection, fire protection and personal protection in a single device

Technical data

Nominal discharge current (8/20 µs) (In ) 12.5 kA
Max. continuous operating voltage (d.c.) (UC ) 60 V

Product 972010 was added to Notepad.

Product 972010 was added to the cart.

Part No. 972020 DG MOD E DC 242

GTIN 4013364158702, Customs tariff No. (EU): 85363030, Gross weight: 75.00 g, PU: 1.00 pc(s)


Images

Additional information

DG MOD E DC 242 varistor-based protection module
Pluggable protection module for DEHNguard SE DC ... (FM)
Type 2 arrester of the Red/Line product series
according to EN 61643-11
Heavy-duty varistor technology
Particularly suited for use in d.c. circuits
Max. continuous operating voltage: 242 V d.c.
Nominal discharge current: 12.5 kA
Fault indication

Brand: DEHN
Type: DG MOD E DC 242
Part No.: 972020
or equivalent.

Certificates

 

Circuit Interruption

The backup fuse is already integrated here. This means: reduced space requirement, lower installation costs, faster wiring, and shorter connecting cables. This concept can be found in the product ranges DEHNvenCI, DEHNbloc Maxi S, DEHNguard ... CI and V(A) NH...

Direct Current-Disconnection

When using surge arresters in d.c. applications, disconnection must be reliably ensured even if there are no zero crossings. The specifically developed DC Disconnection (DCD) technology acts as a wedge similar to a blocking valve and interrupts the direct current. Consequently, the devices of the DEHNguard SE DC series are capable of safely interrupting direct currents, thus preventing fire damage caused by d.c. switching arcs.

SCI-Technology

The patented SCI technology with active arc extinction allows to actively, quickly and safely extinguish a possible switching arc in case of overload. The PV fuse integrated in the short-circuit path trips immediately after the arc has been extinguished, thus ensuring safe electrical isolation (interruption). Consequently, all PV arresters from DEHN combine surge protection, fire protection and personal protection in a single device

Technical data

Nominal discharge current (8/20 µs) (In ) 12.5 kA
Max. continuous operating voltage (d.c.) (UC ) 242 V

Product 972020 was added to Notepad.

Product 972020 was added to the cart.

Part No. 972030

GTIN , Gross weight: , PU:


Images

Additional information

DG MOD E DC 550 varistor-based protection module
Pluggable protection module for DEHNguard SE DC ... (FM)
Type 2 arrester of the Red/Line product series
according to EN 61643-11
Heavy-duty varistor technology
Particularly suited for use in d.c. circuits
Max. continuous operating voltage: 550 V d.c.
Nominal discharge current: 12.5 kA
Fault indication

Brand: DEHN
Type: null
Part No.: 972030
or equivalent.

Certificates

 

Circuit Interruption

The backup fuse is already integrated here. This means: reduced space requirement, lower installation costs, faster wiring, and shorter connecting cables. This concept can be found in the product ranges DEHNvenCI, DEHNbloc Maxi S, DEHNguard ... CI and V(A) NH...

Direct Current-Disconnection

When using surge arresters in d.c. applications, disconnection must be reliably ensured even if there are no zero crossings. The specifically developed DC Disconnection (DCD) technology acts as a wedge similar to a blocking valve and interrupts the direct current. Consequently, the devices of the DEHNguard SE DC series are capable of safely interrupting direct currents, thus preventing fire damage caused by d.c. switching arcs.

SCI-Technology

The patented SCI technology with active arc extinction allows to actively, quickly and safely extinguish a possible switching arc in case of overload. The PV fuse integrated in the short-circuit path trips immediately after the arc has been extinguished, thus ensuring safe electrical isolation (interruption). Consequently, all PV arresters from DEHN combine surge protection, fire protection and personal protection in a single device

Technical data

Nominal discharge current (8/20 µs) (In ) 12.5 kA
Max. continuous operating voltage (d.c.) (UC ) 550 V

Product 972030 was added to Notepad.

Product 972030 was added to the cart.

Part No. 972040

GTIN , Gross weight: , PU:


Images

Additional information

DG MOD E DC 900 varistor-based protection module
Pluggable protection module for DEHNguard SE DC ... (FM)
Type 2 arrester of the Red/Line product series
according to EN 61643-11
Heavy-duty varistor technology
Particularly suited for use in d.c. circuits
Max. continuous operating voltage: 900 V d.c.
Nominal discharge current: 12.5 kA
Fault indication

Brand: DEHN
Type: null
Part No.: 972040
or equivalent.

 

Circuit Interruption

The backup fuse is already integrated here. This means: reduced space requirement, lower installation costs, faster wiring, and shorter connecting cables. This concept can be found in the product ranges DEHNvenCI, DEHNbloc Maxi S, DEHNguard ... CI and V(A) NH...

Direct Current-Disconnection

When using surge arresters in d.c. applications, disconnection must be reliably ensured even if there are no zero crossings. The specifically developed DC Disconnection (DCD) technology acts as a wedge similar to a blocking valve and interrupts the direct current. Consequently, the devices of the DEHNguard SE DC series are capable of safely interrupting direct currents, thus preventing fire damage caused by d.c. switching arcs.

SCI-Technology

The patented SCI technology with active arc extinction allows to actively, quickly and safely extinguish a possible switching arc in case of overload. The PV fuse integrated in the short-circuit path trips immediately after the arc has been extinguished, thus ensuring safe electrical isolation (interruption). Consequently, all PV arresters from DEHN combine surge protection, fire protection and personal protection in a single device

Technical data

Nominal discharge current (8/20 µs) (In ) 12.5 kA
Max. continuous operating voltage (d.c.) (UC ) 900 V

Product 972040 was added to Notepad.

Product 972040 was added to the cart.


back to top